EasyManua.ls Logo

FARFISA INTERCOMS ECHOS - Page 79

FARFISA INTERCOMS ECHOS
236 pages
Print Icon
To Next Page IconTo Next Page
To Next Page IconTo Next Page
To Previous Page IconTo Previous Page
To Previous Page IconTo Previous Page
Loading...
77
(MT11 - Gb2012)
1+1
INTERCOMS *
4+1
VIDEOINTERCOMS
Si 46MR/1
DV2D
DV4D
“A” “B”
“C-D-..”
230V
127V
0
3 3
10 109 9
8 8
xn(C)
x1(C)
xn(B)
xn(A)
xn(A) xn(B)
1473 1473
“C-D-..”
6(C)
X
Y
F
H
10
4
X
Y
F
H
10
4
X
Y
F
H
10
4
X
Y
F
H
10
4
X
Y
X
Y
DV2D
DV4D
DV2D
DV4D
DV2D
DV4D
DV2D
DV4D
X X
X X
Y Y
Y Y
F F
F F
H H
H H
2x
75W
2x
75W
X XY YF FH H
X XY YF FH H
X1
Y1
F
H
X1
Y1
F
H
X1
Y1
F
H
X1
Y1
F
H
Y1
X1
X2
Y2
PA
SE
H
F
X
Y
1181E
PA PA
SE SE
F
H
X
Y
F
H
X
Y
xn(A) xn(B)
P P
P P
C C
C C
E E
P P
1 1
A
S
A
S
E E
230V
230V
127V
127V
0
0
1181E 1181E
F F
H H
4 4
C C
7b
2
1
7b
2
1
4
7
4
7
A A
8b
9b
10b
8b
9b
10b
5 5
6 67a 7a8a 8a9a 9a10a 10a
AF
3+ 4
H
C
X
F
H
x3(A) x3(B)
x2(A) x2(B)
P P
1
A
S
Mody Mody
Matrix Matrix
Agorà Agorà
Profilo Profilo
Matrix
Mody
Profilo
Agorà
AG 00V
AG40C
1
ED
MAS43.ED
PL4 P.ED
MD1.ED
MD41D
AG100T
MAS2..
PL2..
MD2..
AG100T AG100T
MAS2..
241DMA
MAS2..
241DMA
PL2..
241DMA
PL2..
241DMA
MD2..
241D
MD2..
241D
AG 00V
AG40C
1
ED
AG 00V
AG40C
1
ED
MAS43.ED MAS43.ED
PL4 P.ED PL4 P.ED
MD1.ED
MD41D
MD1.ED
MD41D
Compact Compact
Compact Compact
Echos Echos
Echos Echos
Exhito Exhito
Exhito Exhito
Exhito Exhito
Exhito Exhito
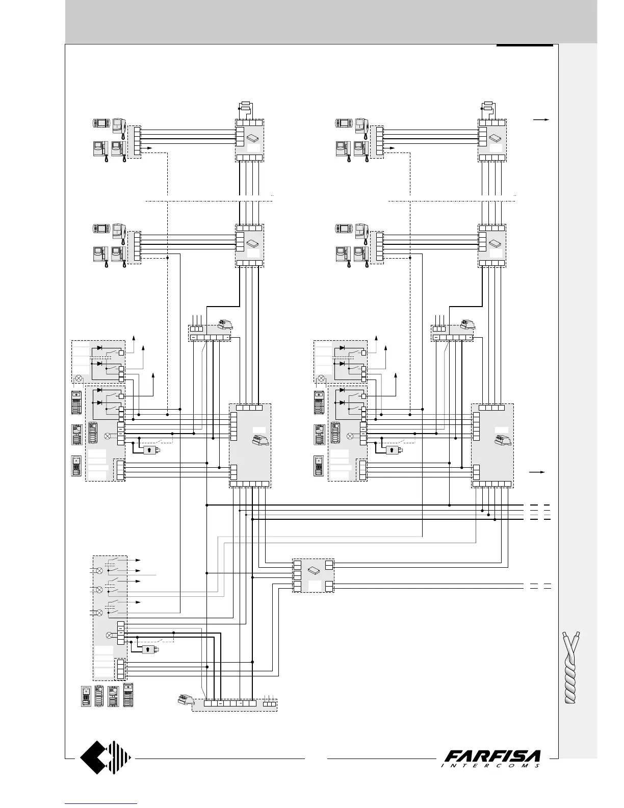
MULTI-WAY VIDEOINTERCOM SYSTEM WITH SECONDARY VIDEO STATIONS AND 1 MAIN COMMON VIDEO
STATION (multiple entrance)
secondary entrance "a"
secondary entrance "b"
main entrance

Table of Contents

Related product manuals