EasyManua.ls Logo

FARFISA INTERCOMS ECHOS - Page 93

FARFISA INTERCOMS ECHOS
236 pages
Print Icon
To Next Page IconTo Next Page
To Next Page IconTo Next Page
To Previous Page IconTo Previous Page
To Previous Page IconTo Previous Page
Loading...
91
(MT11 - Gb2012)
PA
SE
X3 X4
P
P
P
C
C
E
P
1
A
S
E
DV2D
DV4D
DV2D
DV4D
2x
75W
X
X
F
F
H
H
Y
Y
X1
Y1
H
F
X1
Y1
H
F
X
X
F
F
H
H
Y
Y
EH9161+
9083
(WA9100)
(TA9160)
EX3160+
WB3161
EH9161+
9083
(WA9100)
(TA9160)
EX3160+
WB3161
230V
230V
127V
127V
0
0
PRS210
PRS210
1443ED
1443ED
A
A
HP
4P
1P
HP
4P
1P
HM
F
4M
1M
7
X
HM
F
4M
1M
7
X
X
Y
H
F
4
10
C
V+
9R
P1
X
Y
H
F
4
10
1C
A1
P1
P2
EX321+
EX301
X
Y
H
F
4
10
C
V+
P1
9R
X
Y
H
F
4
10
1C
P1
A1
P2
3
1
C
P
P2
A1
EH9161+
9083
(WA9100)
(TA9160)
EH9161+
9083
(WA9100)
(TA9160)
X1
Y1
H
F
X1
Y1
H
F
KM8111+
WB8111
KM8111+
WB8111
EX3160+
WB3161
EX3160+
WB3161
X
Y
H
F
10
4
1C
A1
P1
X
Y
H
F
10
4
1C
A1
P1
X
Y
H
F
10
4
PC
A1
P
X
Y
H
F
10
4
PC
A1
P
1P
1M
230V
127V
0
PRS210
1443ED
F
H
A
C
4
230V
127V
0
H
F
X
Y
A4P
HP
F
X
4M
HM7
1181E
X
Y
H
F
10
4
C
9R
P1
V+
X
Y
H
F
10
4
C
9R
P1
V+
X3
X4
(A)
(C)
(B)
Mody
Matrix
Agorà
Profilo
AG 00V
AG40
1
ED
MAS4.PED
PL4 P.ED
MD1.ED
MD41D
AG100T
MAS2..
241DMA
PL2..
241DMA
MD2..
241D
EX3100+
WB3161
EX3100+
WB3161
J1= 2-3
J1= 1-2
J1= 2-3
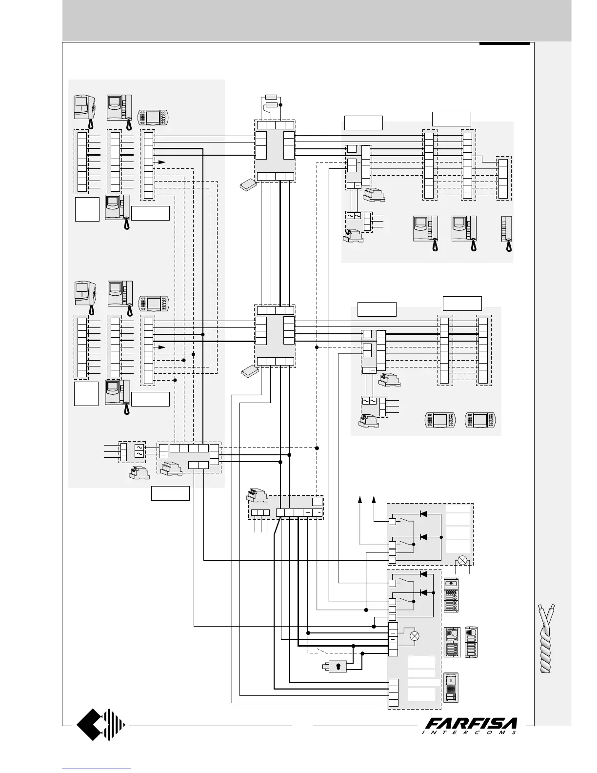
MULTI-WAY VIDEOINTERCOM SYSTEM WITH A DOOR STATION AND SOME APARTMENTS WITH INTERCOM-
MUNICATING SERVICE
J12=1-2
J12=1-2
J1 =
1-2
J1 = 1-2
J12=1-2
Si 414R/8
1+1
INTERCOMS *
4+1
VIDEOINTERCOMS
J1 =
1-2

Table of Contents

Related product manuals