EasyManua.ls Logo

FBD FBD562 - Flow Diagram;Schematic - Fbd563

FBD FBD562
56 pages
Print Icon
To Next Page IconTo Next Page
To Next Page IconTo Next Page
To Previous Page IconTo Previous Page
To Previous Page IconTo Previous Page
Loading...
46
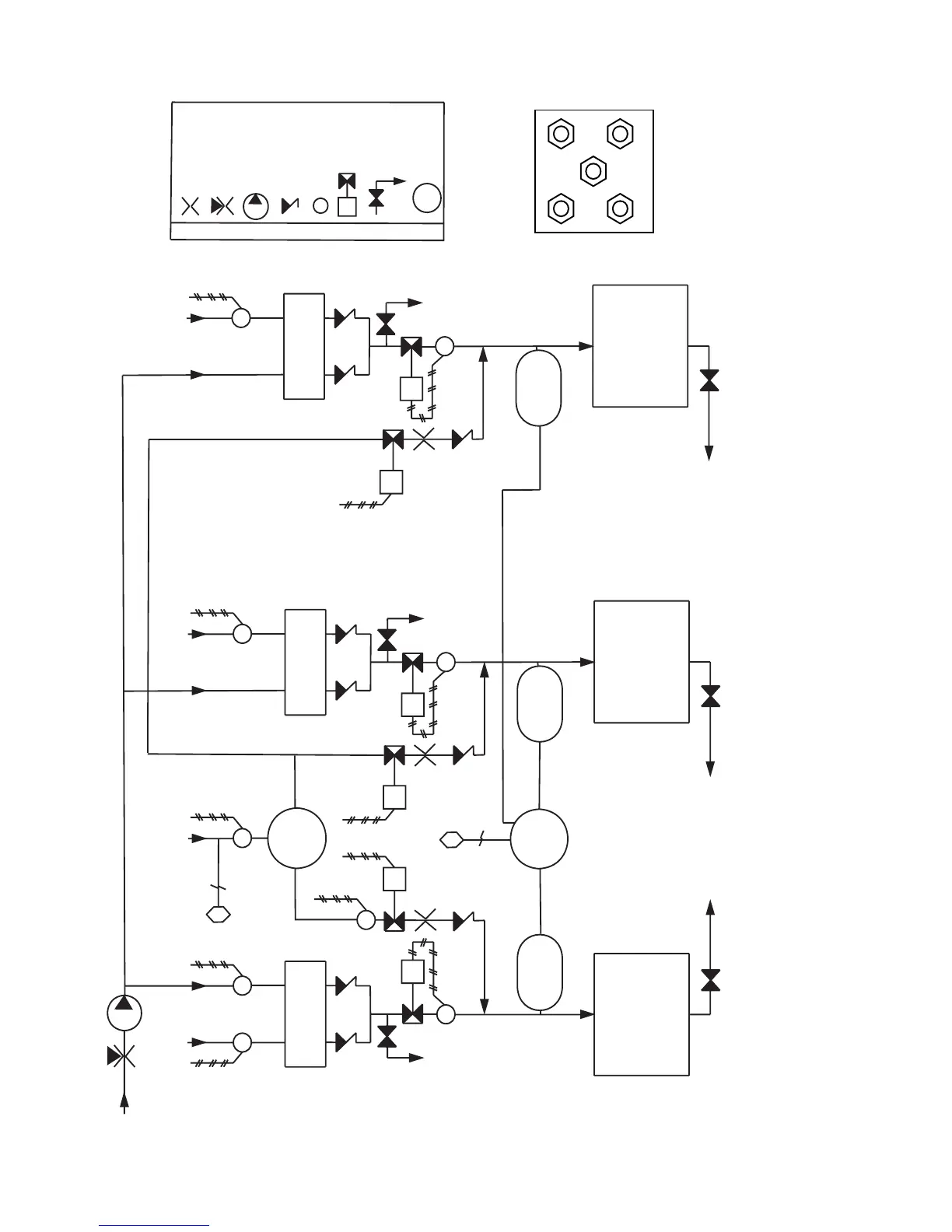
14.5 FLOW DIAGRAM/SCHEMATIC - FBD 563
DISPENSING
VALVE
CO2
REGULATOR
PRESSURE
TRANSDUCER
SOLENOID
VALVE
CHECK
VALVE
CO
CO
2
REG
REG
P
S
PRODUCT
PRODUCT
DISPENSING
DISPENSING
VALVE
VALVE
L
E
G
E
N
D
H2O
IN
SYRUP
IN
H2O
IN
SYRUP
IN
P
A
CO2
IN
P
P
P
BRIX VALVE
CO2
REG
P
S
P P
S
SS
CO2 INJECT
CHAMBER
EXPANSION
CHAMBER
EXPANSION
CHAMBER
L SIDE
FREEZE
CO2 INJECT
CHAMBER
CENTER
FREEZE
PRODUCT
PRODUCT
DISPENSING
DISPENSING
VALVE
VALVE
BRIX VALVE
H2O
IN
FIXED
RESTRICTION
VARIABLE
RESTRICTION
PUMP
PRODUCT
PRODUCT
DISPENSING
DISPENSING
VALVE
VALVE
H2O
IN
SYRUP
IN
P
P
S
CO2 INJECT
CHAMBER
EXPANSION
CHAMBER
R SIDE
FREEZE
BRIX VALVE
S
A
CO2
REG
(PRESET,
RELIEVING)
SYRUP
RIGHT
SYRUP
LEFT
SYRUP
CENTER
WATERCO2
NOTE:
PORT LOCATIONS AT
REAR OF EQUIPMENT

Table of Contents

Related product manuals