EasyManua.ls Logo

FCI FLT93B - Page 60

FCI FLT93B
106 pages
Print Icon
To Next Page IconTo Next Page
To Next Page IconTo Next Page
To Previous Page IconTo Previous Page
To Previous Page IconTo Previous Page
Loading...
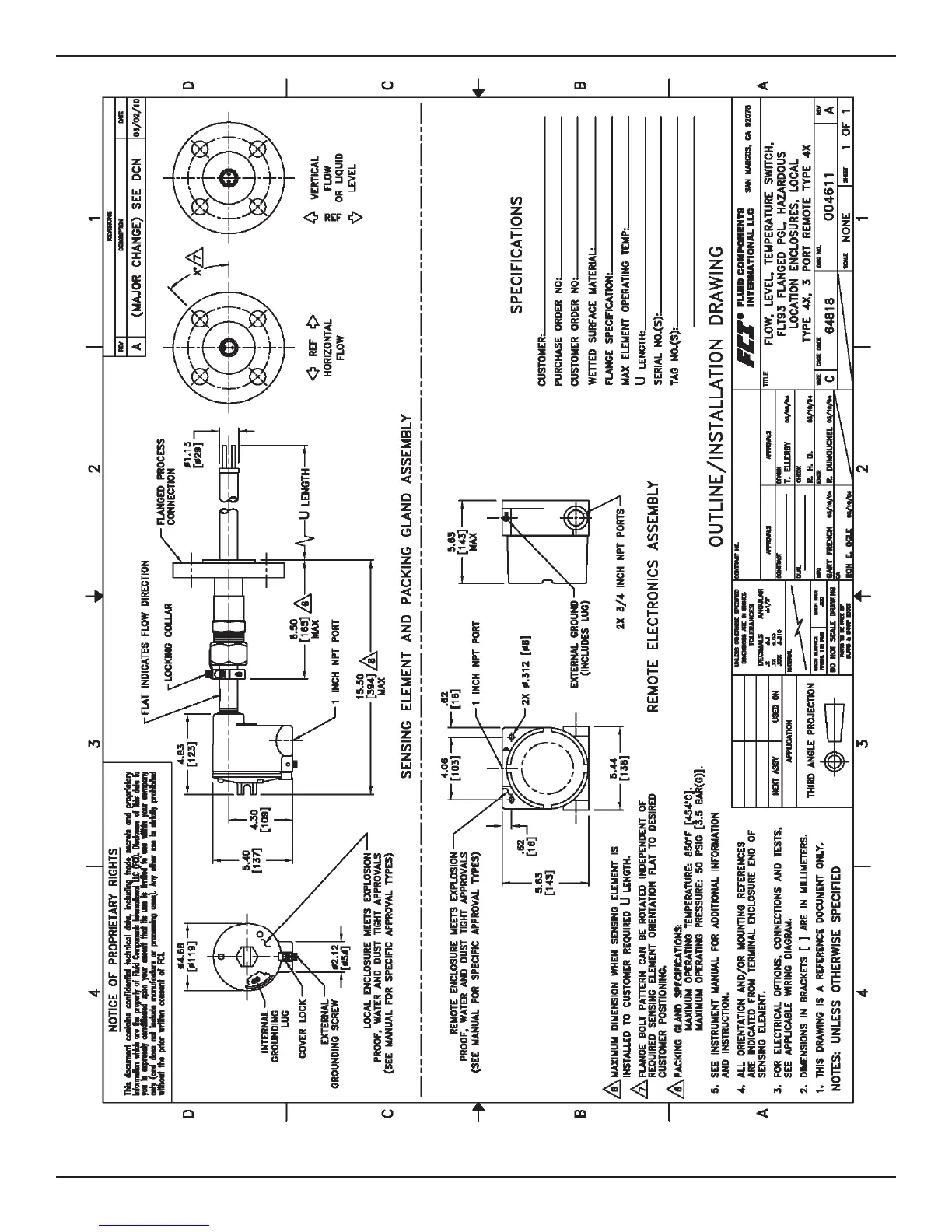
APPENDIX A - DRAWINGS FLT
®
Series FlexSwitch
TM
54 Fluid Components International LLC
Flanged Low Pressure Packing Gland with Local Hazardous Location Type 4X Enclosure: 3-Port Remote Type 4X

Related product manuals