EasyManua.ls Logo

Fibocom L830-EB-11 - USIM Interface Circuit; SIM Card Slot

Fibocom L830-EB-11
42 pages
Print Icon
To Next Page IconTo Next Page
To Next Page IconTo Next Page
To Previous Page IconTo Previous Page
To Previous Page IconTo Previous Page
Loading...
Reproduction forbidden without Fibocom Wireless Inc. written authorization - All Rights Reserved.
L830-EB-11 Hardware User Manual Page 23 of 39
Pin
Pin Name
I/O
Reset Value
Description
Type
66
SIM_DETECT
I
USIM card detect, internal 390K
pull-up.
Active high, and high level indicates
SIM card is inserted; and low level
indicates SIM card is detached.
1.8V
3.5.2 USIM Interface Circuit
3.5.2.1 N.C. SIM Card Slot
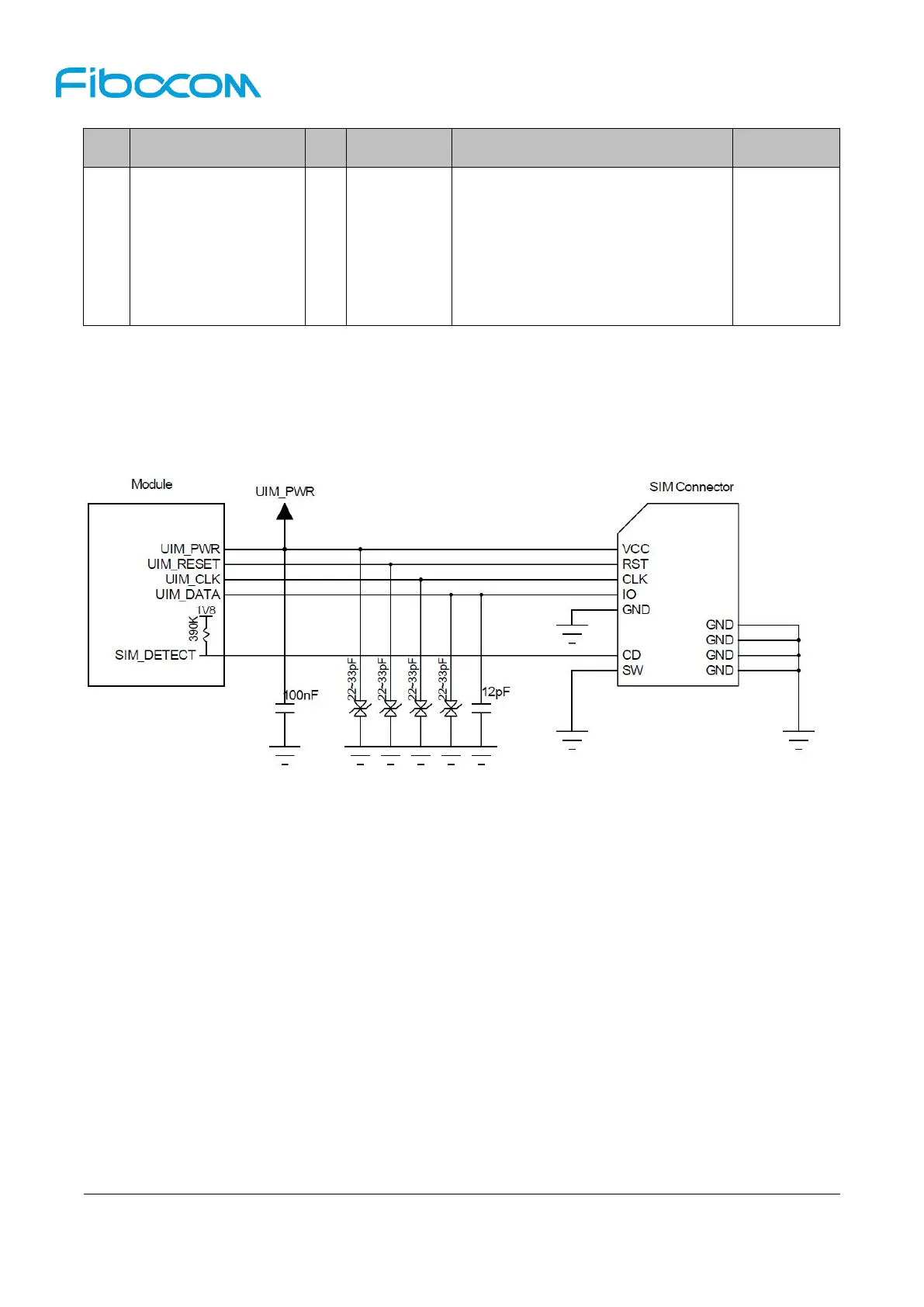
The reference circuit design for N.C. (Normally Closed) SIM card slot is shown in Figure 3-11:
Figure 3-11 Reference Circuit for N.C. SIM Card Slot
The principles of the N.C. SIM card slot are described as follows:
When the SIM card is detached, it connects the short circuit between CD and SW pins, and drives the
SIM_DETECT pin low.
When the SIM card is inserted, it connects an open circuit between CD and SW pins, and drives the
SIM_DETECT pin high.
3.5.2.2 N.O. SIM Card Slot
The reference circuit design for N.O. (Normally Open) SIM card slot is shown in Figure 3-12:

Related product manuals