EasyManua.ls Logo

Fibocom L830-EB-11 - USIM Hot-Plugging

Fibocom L830-EB-11
42 pages
Print Icon
To Next Page IconTo Next Page
To Next Page IconTo Next Page
To Previous Page IconTo Previous Page
To Previous Page IconTo Previous Page
Loading...
Reproduction forbidden without Fibocom Wireless Inc. written authorization - All Rights Reserved.
L830-EB-11 Hardware User Manual Page 24 of 39
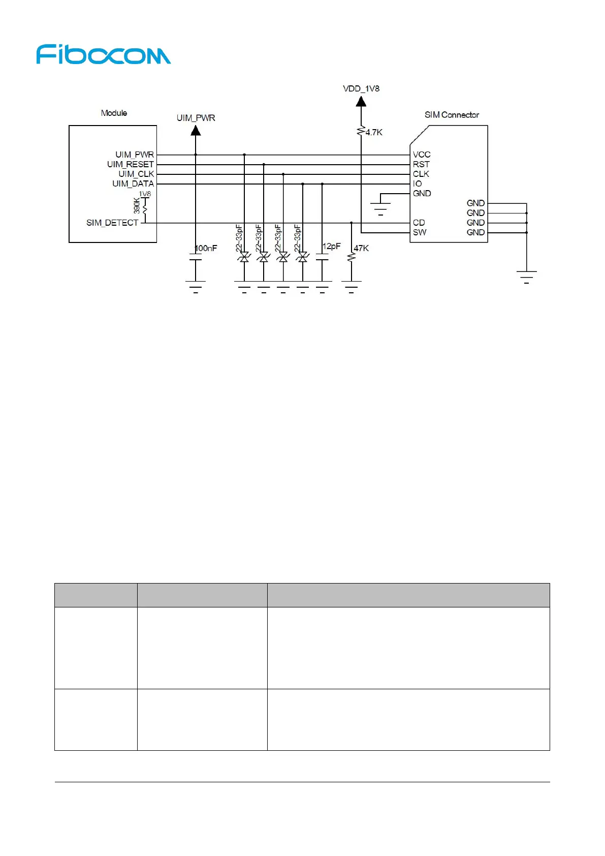
Figure 3-12 Reference Circuit for N.O. SIM Card Slot
The principles of the N.O. SIM card slot are described as follows:
When the SIM card is detached, it connects an open circuit between CD and SW pins, and
drives the SIM_DETECT pin low.
When the SIM card is inserted, it connects the short circuit between CD and SW pins, and drives
the SIM_DETECT pin high.
3.5.3 USIM Hot-Plugging
The L830 module supports the SIM card hot-plugging function, which determines whether the SIM card is
inserted or detached by detecting the SIM_DETECT pin state of the SIM card slot.
The SIM card hot-plugging function can be configured by “AT+MSMPD” command, and the description for
AT command as shown in the following table:
AT Command
Hot-plugging Detection
Function Description
AT+MSMPD=1
Enable
Default value, the SIM card hot-plugging detection function
is enabled.
The module can detect whether the SIM card is inserted or
not through the SIM_DETECT pin state.
AT+MSMPD=0
Disable
The SIM card hot-plugging detect function is disabled.
The module reads the SIM card when starting up, and the
SIM_DETECT status will not be detected.

Related product manuals