EasyManua.ls Logo

FireClass Prescient III - 12.2 Sounders & Actuators Connection Diagram

Default Icon
43 pages
Print Icon
To Next Page IconTo Next Page
To Next Page IconTo Next Page
To Previous Page IconTo Previous Page
To Previous Page IconTo Previous Page
Loading...
EQUIPMENT: FIRECLASS Prescient III WRITTEN BY: RKP
PUBLICATION: OMFCPRES3IN CHECKED BY: AP
ISSUE No. & DATE: 0 02/02/12
PAGE 38 of 43
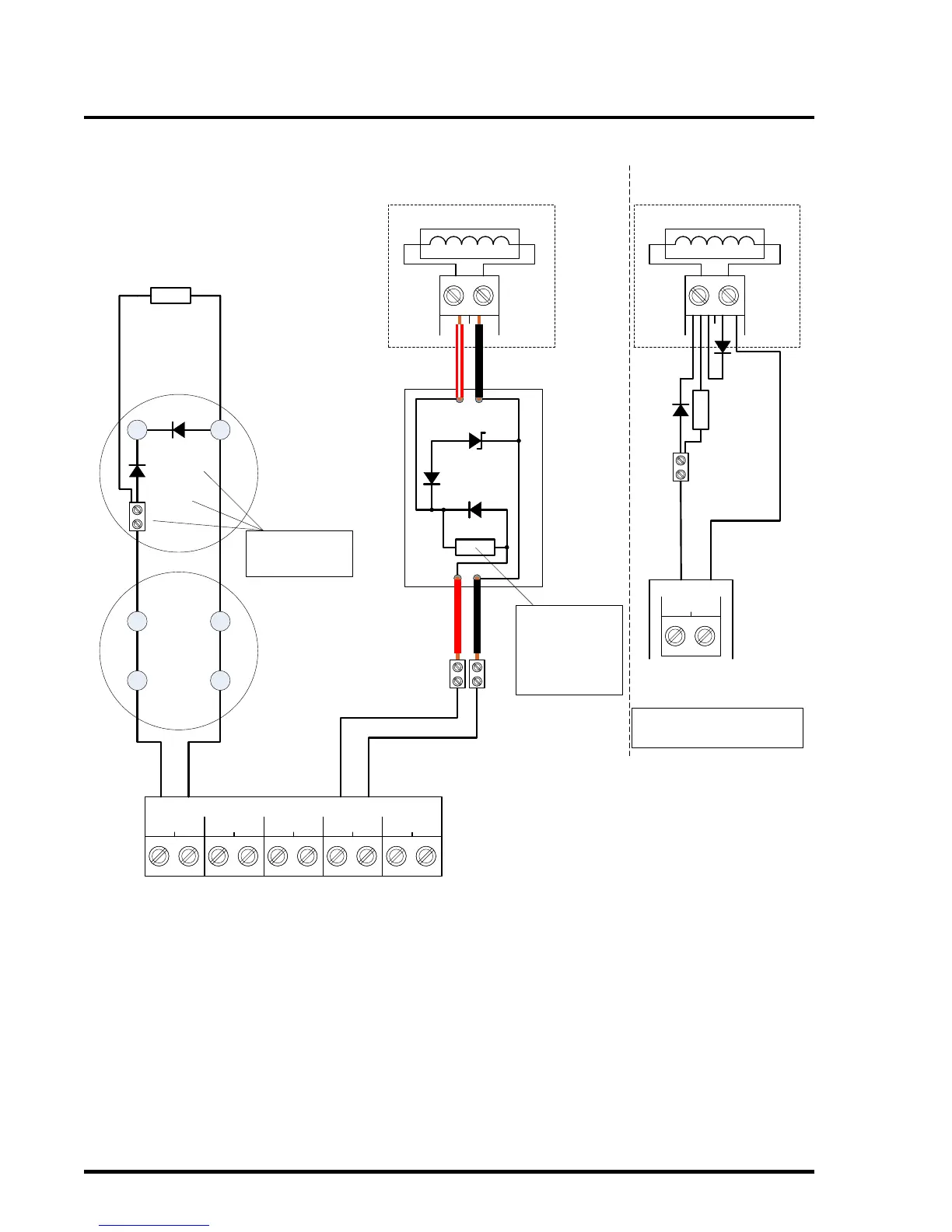
12.2 Sounders & Actuators Connection Diagram
End-Of-Line
Resistor
10K ¼ W
-
+
Polarised
Electronic
Sounder
SNDR2 & EXT SNDR
wired identically to
SNDR1
Panel Terminals
-
+
1N4002
Suppression
Diode
1N4002
Polarising
Diode
Unpolarised
Solenoid Bell
NOTE:
Diodes & Terminal
Blocks are not supplied
with the Panel
+ - + - + - + - + -
SNDR1 SNDR2
EXT.
SNDR
ACT1 ACT2
1N4002
3K9
1N4002
TRANSORB
6 VOLT
C1565
Polarity &
Suppression
Board
One per circuit
+
-
Actuator
Solenoid
Coil Resistance
30R to 6K
ACT2 wired
identically to
ACT1
NOTE:
3K9 End-Of-Line
resistor is already fitted
to the C1565 board.
This resistor is in series
with the solenoid coil
during normal
operation.
+
-
1N4002
Suppression
Diode
1N4002
Polarising
Diode
3K9
EOL
+ -
ACT1
Actuator
Solenoid
Coil Resistance
30R to 6K
Alternative Connection of Solenoid
if C1565 Board is not used.

Table of Contents

Other manuals for FireClass Prescient III

Related product manuals