EasyManua.ls Logo

Flowserve 10M234 - 6.10 Assembly

Flowserve 10M234
60 pages
Print Icon
To Next Page IconTo Next Page
To Next Page IconTo Next Page
To Previous Page IconTo Previous Page
To Previous Page IconTo Previous Page
Loading...
M SLURRY USER INSTRUCTION ENGLISH 71569241 - 02/08
Page 39 of 60
®
6.10 Assembly
To assemble the pump consult the sectional drawings,
see section 8, Parts list and drawings.
Ensure threads, gasket and O-ring mating faces are
clean. Apply thread sealant to non-face sealing pipe
thread fittings.
6.10.1 Bearing housing
a) Lubricate the internal bores of the bearing cartridge
[3122] with the same oil or grease used to lubricate
the bearings.
b) Install the thrust bearing housing [3240] in the
bearing frame [3122] to ensure a good sliding fit.
Remove the thrust bearing housing from the frame.
c) Install the oil sight gauge [3856] and the drain lug in
the bearing frame [3122] using Teflon pipe thread
sealant. Install the vent plug [6521].
6.10.2 Line bearing
a) Lightly lubricate the shaft [2100] at the line bearing
position. Install the line bearing [3011] on the shaft.
Use an induction heated or hot oil bath to first heat
the bearing [250° F recommended], press the
bearing on shaft with the aid of a sleeve designed to
push the inner race only. Note that the bearing must
remain square to the shaft during assembly and that
the inner race must seat on the shaft shoulder.
b) Pack the line bearing with grease if the bearings are
being grease lubricated.
c) Protect the bearing by wrapping with a clean, lint free
cloth.
6.10.3 Thrust bearing
6.10.3.1 Frames 1, 2 & 3
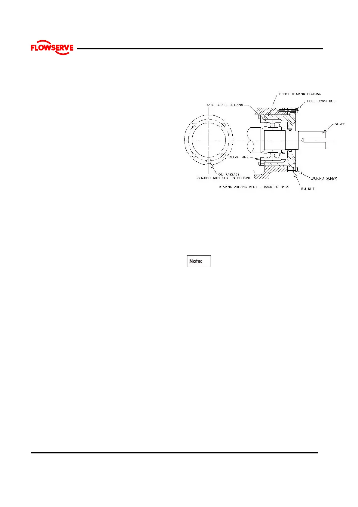
a) Place the thrust bearing clamp ring [2542] loosely
over the shaft on the largest diameter.
b) Install the angular contact bearings [3031] on the
shaft [2100] using the same procedure as described
in step 6.10.2 . The bearings are mounted back to
back as shown.
c) Pack thrust bearing with grease if the bearings are
being grease lubricated.
d) Slide the bearing lockwashers [6541] on the shaft
and fit the bearing locknut [3712]. Tighten the
locknut snugly and allow to cool. Check the
tightness and bend one tab on the lockwasher into a
slot in the locknut. Protect the bearings from
contamination.
e) Carefully install the lip seal [4300] in the thrust
bearing housing [3240] by pressing it squarely into
the bore. The primary sealing lip [spring loaded] on
seal
should be installed facing the bearing. A small amount of
sealant may be applied on the O.D. of the seal prior to
its' installation.
f) Install the square head plug or grease fitting on the
tapped hole in the thrust bearing housing flange.
Lubricate the o-ring [4610.2] with the bearing
lubricant and assemble it into the groove of the outer
circumference of the thrust bearing housing [3240].
g) Lubricate the inside bore of the thrust bearing
housing [3240] and assemble it over the thrust
bearings. Care must be taken to prevent damage of
the seal on the shaft.
h) Using capscrews and lockwashers, attach the thrust
bearing clamp ring [2542] to the thrust bearing
housing [3240]. Lock the threads using Loctite 242
or equivalent.
The thrust bearing clamp ring [2542] is
provided with one extra hole midway between two
adjacent bolt holes to permit free oil flow. On oil
lubricated units, this hole must align with the cast oil
return at the bottom of the thrust bearing housing bore.
For grease lubricated units, this hole should be oriented
away from the cast oil return slot at the bottom the thrust
bearing housing bore.
Tighten the capscrews evenly ensuring that the clamp
ring is not distorted and gap to the bearing housing is
even all around. Tighten in accordance with Table 6.6.
6.10.3.2 Frame 4 pumps
a)
Place the thrust bearing clamp ring [2542] loosely
over the shaft on the largest diameter.
b)
Install the 4-point angular contact bearing [3031] on
the shaft [2100] using the same procedure as
described in step 6.10.2 and ensure it is seated
against the shoulder.
c)
Install the NU-roller bearing.
d)
Slide the bearing lockwashers [6541] on the shaft
and fit the bearing locknut [3712]. Tighten the
locknut snugly and allow to cool. Check the
tightness and bend one tab on the lockwasher into a
slot in the locknut. Protect the bearings from
contamination.
e)
Pack bearing with grease if the bearings are being

Table of Contents

Related product manuals