EasyManua.ls Logo

Flowserve 10M234 - 8.6 Severe Duty-Frames 3&4 with Expeller

Flowserve 10M234
60 pages
Print Icon
To Next Page IconTo Next Page
To Next Page IconTo Next Page
To Previous Page IconTo Previous Page
To Previous Page IconTo Previous Page
Loading...
M SLURRY USER INSTRUCTION ENGLISH 71569241 - 02/08
Page 55 of 60
®
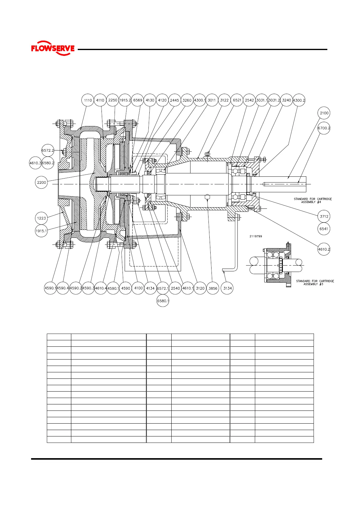
8.6 Severe Duty-Frames 3&4 with Expeller
Ref. Description Ref. Description Ref. Description
1110 Casing 3134 Support Foot 4590.4 Gasket, Sleeve
1223 Suction Cover 3240 Thrust brg.Hsg. 4610.1 O-ring, Line brg.
1915.1 Wear plate, Suction 3260 Line brg. Cover 4610.2 O-ring, thrust brg
1915.2 Wear plate, Expeller 3712 Lock Nut, bearing 4610.3 O-ring, Expeller WrPlt
3856 Oil Level Site Gauge
2100 Shaft 6521 Vent Plug
2200 Impeller 4100 Stuffing Box 6541 Lockwasher
2250 Radial flow impeller, expeller 4110 Housing, expeller 6569 Plug, grease fitting
2445 Shaft Sleeve 4120 Gland Half 6572.1 Stud, Gland
2540 Deflector 4130 Packing 6572.2 Stud, wear plate
2542 Clamp Ring 4134 Lantern Ring 6580.1 Nut, Gland
4300.1 Seal, Line bearing 6580.2 Nut, wear plate
3011 Line bearing 4300.2 Seal, Thrust Brg 6700.1 Key, coupling
3031 Thrust bearing 4590.1 Gasket, Casing 6700.2 Key, Shaft
3120 Adaptor Support 4590.2 Gasket, Expeller Hsg
3122 Bearing Cartridge 4590.3 Gasket, Impeller

Table of Contents

Related product manuals