EasyManua.ls Logo

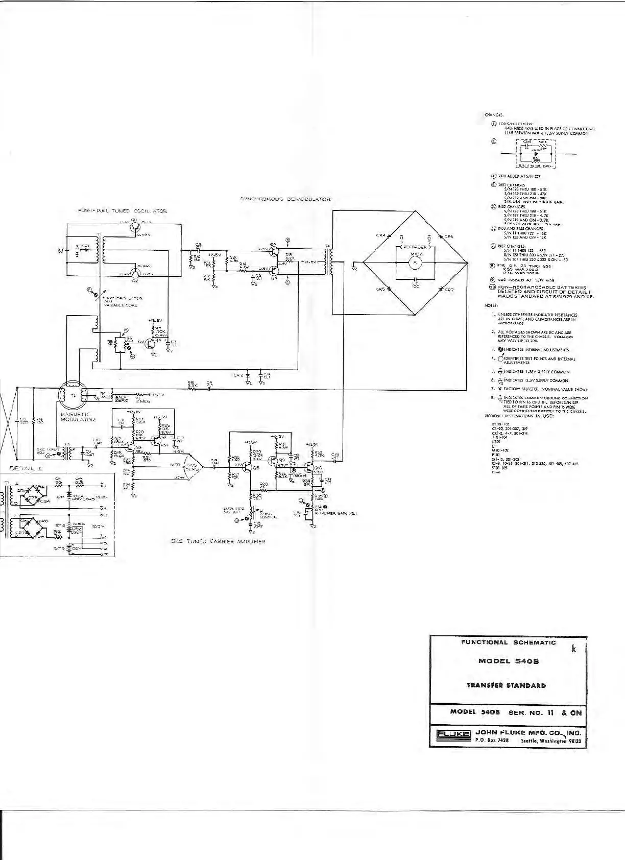
Fluke 540B - SCHEMATIC DIAGRAMS; Functional Schematic

Fluke 540B
76 pages
Print Icon
To Next Page IconTo Next Page
To Next Page IconTo Next Page
To Previous Page IconTo Previous Page
To Previous Page IconTo Previous Page
Loading...
PUSH
PULL
TU
NED
OSCILLATOR
SYNCRONOUS
DEMODULATOR
SK
C.
TUNED
CARRIER
AMPLIFIER
CHANGES:
WAS
USED
IN
PLACE
OF
CONNECTING
LINE
BETWEEN
R431
& 1.35V
SUPPLY
COMMON
r320 ADDED AT
S/N 259
k'01
CHANGES
S/
N 1l3 l'H
tU
l
e&
-
51K
$/
N
1
0~
THill
2 1! - 4
7K
S
/N
2
1
~
AND
O N -
l9
K
:;
JN.
'-S4>
AN()
o N ..
~C>;o:.
"'"-
a .
·
~
t.cCl
OV.NGES:
S/
N 1
23
nuu 181l- sue
S
/Nti9T11
RU
~I3-.C.
7r;
S/N2
1
9AN
()
ON
-3.9K
~
IH
C,S
~
ANQ
Of'(
"
S"'
V
AA
.
@MS3AN
OMSS
~
E$
,
$./
N
II
t
HIO
I}
I
??
-
l~K
S/N
1
2'3
ANO
ON
-
l2K
~
W7C
HA
NG
U:
S/N
111
H~U
1
22
- 680
S/N
1
23
l HW
300
a.
SfN
m
-2
10
S/N
30
1 J
HW
32o
a.
32l
&
ON
- 1
8Q
®
J'
('~a-;
~~
~~~~~~
v
"~~
'
R3"-
¥t;<>o
:.
~O
J>.
® c.
:tO
A.O.b
Eb
A,
T
s./N
~
~
@
~~
~
E
T
R
eEti
~~~~~~~
~
r
T
a~:6i~~
l
l
MA
D E
STA
N DA
RD
AT
S/ N
929
AN D U P.
NO
I
(S:
1.
UN
~
ESS
O
TH
E
I:o'I'JS.
E I
NOICAifO
.f:fS
i
iT
ANC£5
An
lN OHMS, AN D CAPAC
il
ANO:S
AU
IN
MO
OfAlAO$
7 ,
AllVOL
TA
OESSH
CW"NME
DC
AN'DAU
RE
f
tifNc
'O
lOltl
e
CW>.SS
IS. V
OLtA
G
ES
MAY VAI.'f UP
10
:1
0'1:.
3,
(II
ND
tcA
TES.
INJ
UNA
L
At)
JIJ'S
J
M[NfS
..
d
~
=
·
::~:l
POI
NfS
AN
I)
I
Nrttw>.
l
5,
¢'
.1
NOI
CA
l
f:S
1,3$V StiP
PL
YCOMMON
6.
9:
'iNDI
CA
U S
13,
5"
S
Uffl
Y
COMMO
N
7,
*
fAct
OKY
Sil(
Gl~
(),
NOM
I
NAl
VA l
liE
SHOWN
&. q
~~
~
r~
N
c~':,7n~.R~~~~~~~
I
ON
A
ll
Of
in
f.S
(
PO.NTS
AN
I)
PIN 16 W
E
IC
~
' wne
(ONNfCT
(O
DWcrt
Y
TO
l
H[
CHASS
IS,
llCI~NC
E
DE
SIGNATIONS
IN
V$S:
&1
10
1
•1
0$
c
t
-1~
~
OI•Y.l7
,
3
~
01.)
·2,
4-
1.
30
1
•3
1
~
UC
l- 1
04
"'
"
"
Ml
OI
-I
Q:?
FIOl
Q
l
l\1
,)0
1
-
~
;o.a,
lo-:u..
30
l
lll
,
~ll-310
,
'1)
1
~.
01-.Uf
SlOI- I
QS
,
..
FUNCTIONAL
SCHEMATIC
·
MODEL
540B
TRANSFER
STANDARD
MODEL
5408
SE
.
R.
NO.
11
&
ON
FLUKE
.JOHN
FLUKE
MFG.
CO
INC.
P.O.
Box
7428
Seattle
Washington
98133