EasyManua.ls Logo

Fluke 540B - Page 72

Fluke 540B
76 pages
Print Icon
To Next Page IconTo Next Page
To Next Page IconTo Next Page
To Previous Page IconTo Previous Page
To Previous Page IconTo Previous Page
Loading...
-
~ROM
1<:'E.LA..Y
C.ca.J1'ROL
C.\'KCU!T
P80
t
: OC
T
R
A.
I-.l.
S~ER
,_../
\oc
SEAR
C
I-(
f
/~
S
O
l
E.
l
o
~ F
"-...
~O
E
/
6.r_
SE
ARCI-t
''-._
w_
r
RAN~
;
~
R
C70
\ .
R"'iC~_.
I$
00Pf
l K.
J80!>
O N
01S
A8LE.
...
0.
7S V S
UPPLY
J
RSO
Z
I. IK
R
S~
S
•CO
>o""_R
.:::
t-
f--
--
------------
------
----
--_.~~A~~
'
eo'at-
OS.C l
~
·
..
s
1
3
T~
S O !
X
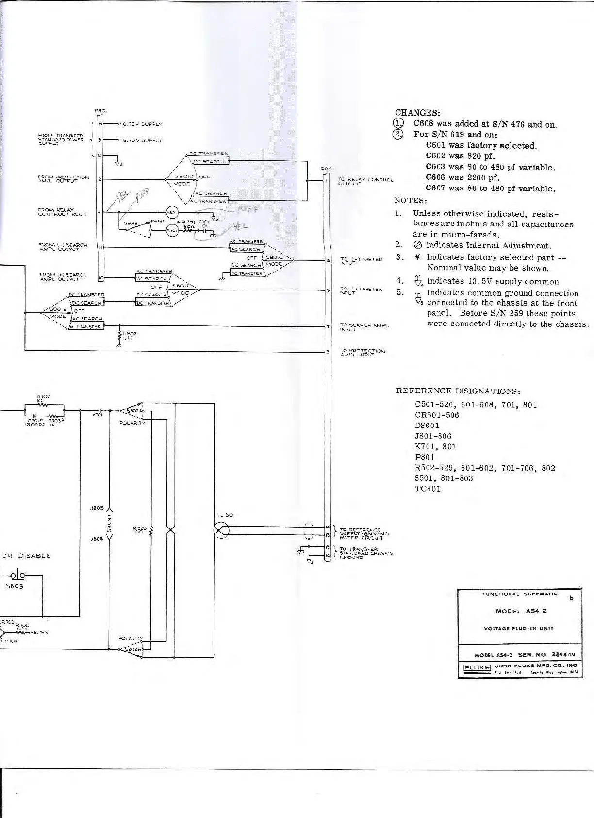
CHANGES:
<!)
C608
was
added
at
S/ N 476
and
on
.
®
For
S/N
619
and
on:
f O R
E:
L
A.'<
CON'tRO\..
G IRC.\.J\T
TO
( - }
METE.R
).,JPUT
1'
0 < ) ME.T
ER
\
'-tPt,;T
~
0
~E~
QC4
.l..M~
l
t>.I
P
U'i
1'0
PQCT£.;CT
IC+-l
A.MPL
!
~
PUT
C601
was
factory
selected.
C602
was
820
pf
.
C603
was
80
to
480
pf
variable.
C606
was
2200
pf
.
C607
was
80
to
480
pf
variable.
N
OTES:
1.
2.
3.
4.
5.
U
nless
otherwise
indicated,
resis-
ta
nc
es
are
in
ohms
and
all
capacitances
are
in
micro-farads.
Indicates
Internal
Adjustment.
Ind
icates
factory
selected
part
--
Nominal
value
may
be
shown.
In
dicates
13 . 5V
supply
co
m mon
I
Indicates
common
ground
connection
con
ne
cted
to
the
chassis
at
the
front
panel.
Before
S/ N 259
these
points
were
connected
directly
to
the
chassis.
REFERENCE
DISIGNATIONS:
C501-
520,
601-
608, 701,
801
CR501-506
DS6
01
J8
01- 806
K7
01,
801
P80 1
R502-5
2
9,
601-602,
701- 706, 802
8501,
801-803
TC
801
F U
NCT
I
ONAl,.
SCHEMATIC
MOOEL
A54-2
VO
LTAGE
PLUG·I
N
UNIT
MODEL
A54-2
SER.
NO.
339&ON
!FLU
KE
f
JOHN
FLUKE
MFG.
CO.
..
INC.