EasyManua.ls Logo

FOG QUADRA 493 9021 - Page 46

Default Icon
60 pages
Print Icon
To Next Page IconTo Next Page
To Next Page IconTo Next Page
To Previous Page IconTo Previous Page
To Previous Page IconTo Previous Page
Loading...
E 167 - GB - 6
46
Rue du Pré Neuf - 58440 MYENNES FRANCE
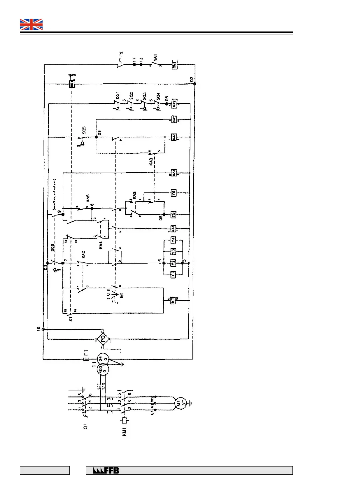
QUADRA
493 9021
493 9031
Power supply 400V
as required by laws in force
Q1 : 3-ways main switch
KM1 : 3-ways motor switch 24V a.c.
M1 : Motor 1,8 Kw 2850 rpm
T1 : Transformer 400V / 24V - 160 VA
F1 : Fuse 10A Am (slow)
PD : Diode bridge 10A
BT : Ascent/ Descent Button (automatic return to "O")
Ascent : 1NO - Descent : 2NO / 1NF
F2 : Motor overheating switch (Qty : 2)
KT : Timing relay 3 sec. (switch-on delayed)
KA1 : Auxiliary relay ascent 24V d.c. - reverser
KA2 : Auxiliary relay (cable break) 24V d.c. - reverser
KA3 : Auxiliary relay (upholding) 24V d.c. - 2 reversers
KA4 : Auxiliary relay (selection) 24V d.c. - 1 reverser
KA5 : Auxiliary relay (bottom limit switch) 24V d.c. - 2 reversers
Y1...Y4 : Solenoid magnet 40W - 16V d.c.
Y5 : Solenoid valve oil for lowering wheel free lift 24V d.c.
Y6 : Sounder 24V d.c.
SQ1...SQ4 : Cable break / loosening detector switch 1NF (normaly closed)
SQ5 : Bottom limit detector (auxiliary lift) 1NO (normaly open)
SQ6 : Selection main (auxiliary lift) detector 1NF - 1NO
BE1 : Photocell 1 reverser (adjustment L-ON)
Wiring diagram lift 493 9031
ADD-ON Aux. Type 493 9031

Related product manuals