EasyManua.ls Logo

Follett 50CI400A - Normal Operation Stages

Follett 50CI400A
48 pages
Print Icon
To Next Page IconTo Next Page
To Next Page IconTo Next Page
To Previous Page IconTo Previous Page
To Previous Page IconTo Previous Page
Loading...
24 25CI400A/W • 25HI400A • 50CI400A/W • 50HI400A
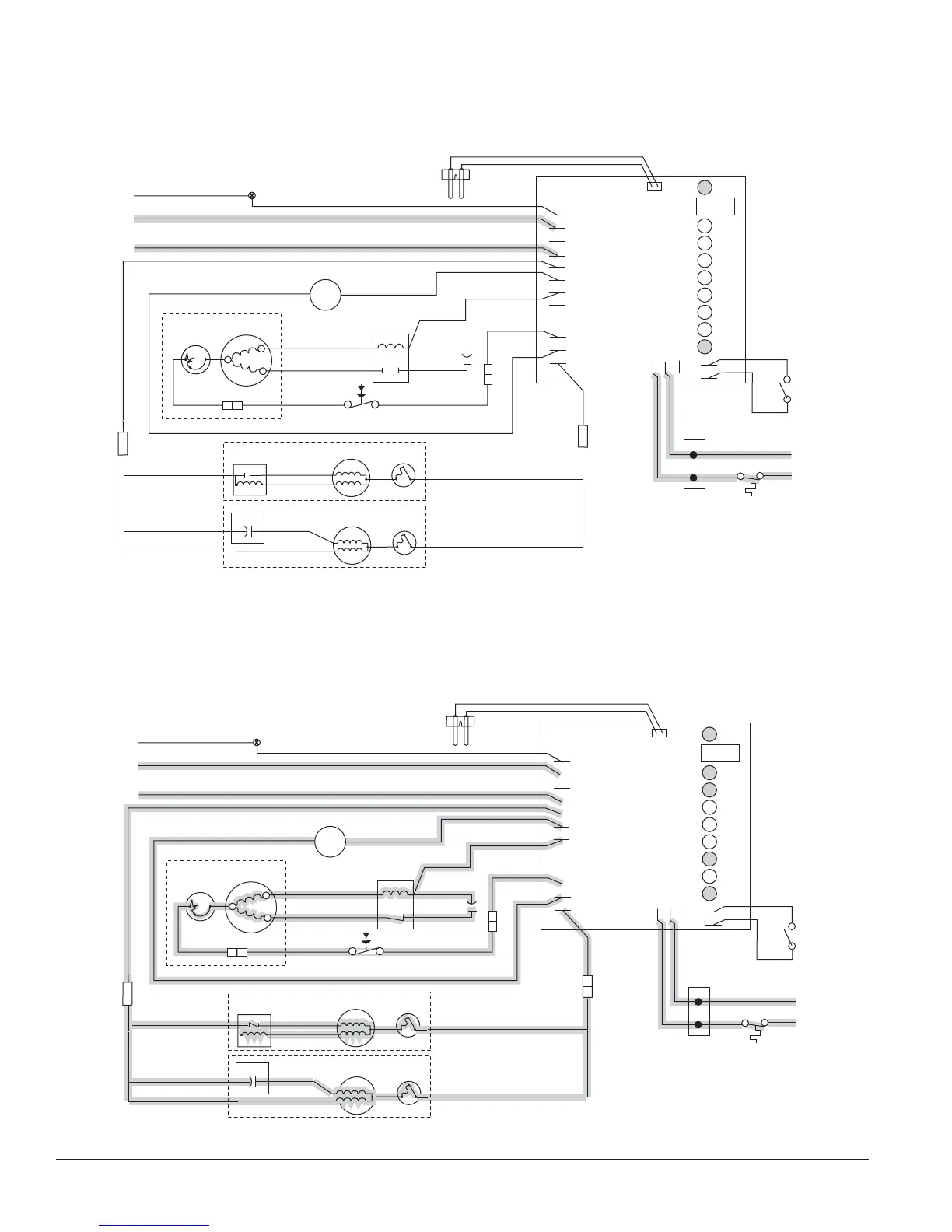
Normal operation – Stage 1
Power is supplied to L1 of the control board. The ice level control in the dispenser is closed and calling for ice,
supplying signal voltage to the control board. The control board will now go through the start-up sequence. Less than
30 seconds will elapse as the water sensor located in the  oat reservoir checks for water in the reservoir. The bin
empty LED (B-E) and power LED (PWR) will be on.
GRD
L1
L1
L2
L2
L2
L2
L2
COMPRESSOR
FAN
DRIVE
DR
C
20M
60M
2ND
WTR
B-T
B-E
RESET
GRD
G
B
W
FAN
BLACK
WHITE
BLACK
BLACK
R
ORANGE
S
S
L
COMPRESSOR
C
RED
BLACK
BLACK
WHITE
INPUT
POWER
WATER
SENSOR
CONTROL
BOARD
BLACK
24V
COMMON
LINE VAC
RED
RED
WHITE
BLACK
BIN T-STAT
BIN SIGNAL
FROM DISPENSER
JUNCTION BOX
(MCD400A/WVS series –
blk wire is on 24V)
WHITE
RED
WHITE
M
1
COMPRESSOR
SWITCH
PWR
BLACK
T.O.L.
BLACK
RED
HIGH PRESSURE
SAFETY SWITCH
M
BLUE
RELAY
START
T.O.L.
BLACK
4
2
3
YELLOW
GEAR MOTOR
T.O.L.
GEAR MOTOR
RED
START
RUN
RUN
START
START CAP.
WHITE
BISON GEARMOTOR
LINIX GEARMOTOR
OR
Normal operation – Stage 2
The water sensor veri es water in the  oat. The Water OK LED (WTR) comes on. At the same time, the gearmotor,
compressor, and condenser fan motor come on, lighting the Drive LED (DR) and compressor LED (C). The
compressor is started through a current style relay that is pulled in by the initial high current draw of the compressor.
The gearmotor start windings are also energized through a current relay (or start capacitor). The B-E and WTR LED
remain on.
GRD
L1
L1
L2
L2
L2
L2
L2
COMPRESSOR
FAN
DRIVE
DR
C
20M
60M
2ND
WTR
B-T
B-E
RESET
GRD
G
B
W
FAN
BLACK
WHITE
BLACK
BLACK
R
ORANGE
S
S
L
COMPRESSOR
C
RED
BLACK
BLACK
WHITE
INPUT
POWER
WATER
SENSOR
CONTROL
BOARD
BLACK
24V
COMMON
LINE VAC
RED
RED
WHITE
BLACK
BIN T-STAT
BIN SIGNAL
FROM DISPENSER
JUNCTION BOX
(MCD400A/WVS series –
blk wire is on 24V)
WHITE
RED
WHITE
M
1
COMPRESSOR
SWITCH
PWR
BLACK
T.O.L.
BLACK
RED
HIGH PRESSURE
SAFETY SWITCH
M
WHITE
BLUE
RELAY
START
T.O.L.
BLACK
4
2
3
YELLOW
GEAR MOTOR
T.O.L.
GEAR MOTOR
BISON GEARMOTOR
RED
START
RUN
RUN
START
START CAP.
LINIX GEARMOTOR
OR

Table of Contents

Related product manuals