EasyManua.ls Logo

Follett 50CI400A - Diagnostic Sequence - Stage 9; Diagnostic Sequence - Stage 10

Follett 50CI400A
48 pages
Print Icon
To Next Page IconTo Next Page
To Next Page IconTo Next Page
To Previous Page IconTo Previous Page
To Previous Page IconTo Previous Page
Loading...
28 25CI400A/W • 25HI400A • 50CI400A/W • 50HI400A
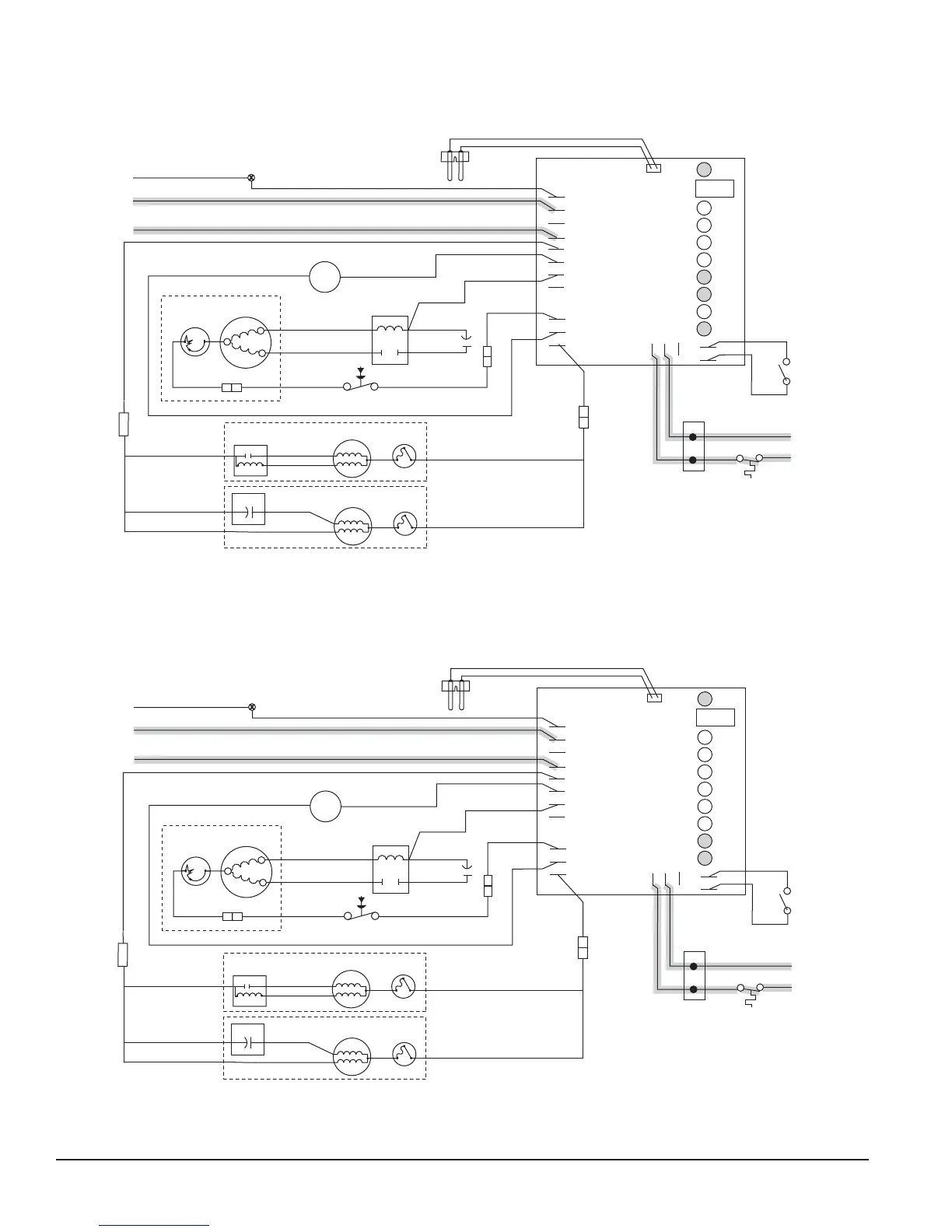
Diagnostic sequence – Stage 9
The second error (2ND) LED comes on if an over-torque condition occurs while the 60M LED is still lighted. The 2ND
LED indicates that two consecutive over-torque situations have occurred. The ice machine will be shut down at this
time and will not restart unless the manual reset button is depressed.
GRD
L1
L1
L2
L2
L2
L2
L2
COMPRESSOR
FAN
DRIVE
DR
C
20M
60M
2ND
WTR
B-T
B-E
RESET
GRD
G
B
W
FAN
BLACK
WHITE
BLACK
BLACK
R
ORANGE
S
S
L
COMPRESSOR
C
RED
BLACK
BLACK
INPUT
POWER
WATER
SENSOR
CONTROL
BOARD
24V
COMMON
LINE VAC
RED
RED
WHITE
BLACK
BIN T-STAT
BIN SIGNAL
FROM DISPENSER
JUNCTION BOX
(MCD400A/WVS series –
blk wire is on 24V)
WHITE
RED
WHITE
M
1
COMPRESSOR
SWITCH
PWR
BLACK
T.O.L.
BLACK
RED
HIGH PRESSURE
SAFETY SWITCH
M
WHITE
BLACK
BLUE
RELAY
START
T.O.L.
BLACK
4
2
3
YELLOW
GEAR MOTOR
T.O.L.
GEAR MOTOR
RED
START
RUN
RUN
START
START CAP.
WHITE
BISON GEARMOTOR
LINIX GEARMOTOR
OR
Diagnostic sequence – Stage 10
If the water level in the  oat reservoir drops to an unacceptable level, the WTR LED goes out, shutting the ice machine
off. Also, the BT LED comes on, preventing the ice machine from restarting for twenty minutes. If water is restored, the
WTR LED comes back on and  ashes to alert the technician that water to ice machine has been lost. The ice machine
restarts at the end of the 20 minute time delay. The  ashing WTR LED can be cleared by pressing the reset button.
GRD
L1
L1
L2
L2
L2
L2
L2
COMPRESSOR
FAN
DRIVE
DR
C
20M
60M
2ND
WTR
B-T
B-E
RESET
GRD
G
B
W
FAN
BLACK
WHITE
BLACK
BLACK
R
ORANGE
S
S
L
COMPRESSOR
C
RED
BLACK
BLACK
INPUT
POWER
WATER
SENSOR
CONTROL
BOARD
24V
COMMON
LINE VAC
RED
RED
WHITE
BLACK
BIN T-STAT
BIN SIGNAL
FROM DISPENSER
JUNCTION BOX
(MCD400A/WVS series –
blk wire is on 24V)
WHITE
RED
WHITE
M
1
COMPRESSOR
SWITCH
PWR
BLACK
T.O.L.
BLACK
RED
HIGH PRESSURE
SAFETY SWITCH
M
WHITE
BLACK
BLUE
RELAY
START
T.O.L.
BLACK
4
2
3
YELLOW
GEAR MOTOR
T.O.L.
GEAR MOTOR
RED
START
RUN
RUN
START
START CAP.
WHITE
BISON GEARMOTOR
LINIX GEARMOTOR
OR

Table of Contents

Related product manuals