EasyManua.ls Logo

Follett Performance Plus REF5P - Wiring Diagram

Follett Performance Plus REF5P
48 pages
Print Icon
To Next Page IconTo Next Page
To Next Page IconTo Next Page
To Previous Page IconTo Previous Page
To Previous Page IconTo Previous Page
Loading...
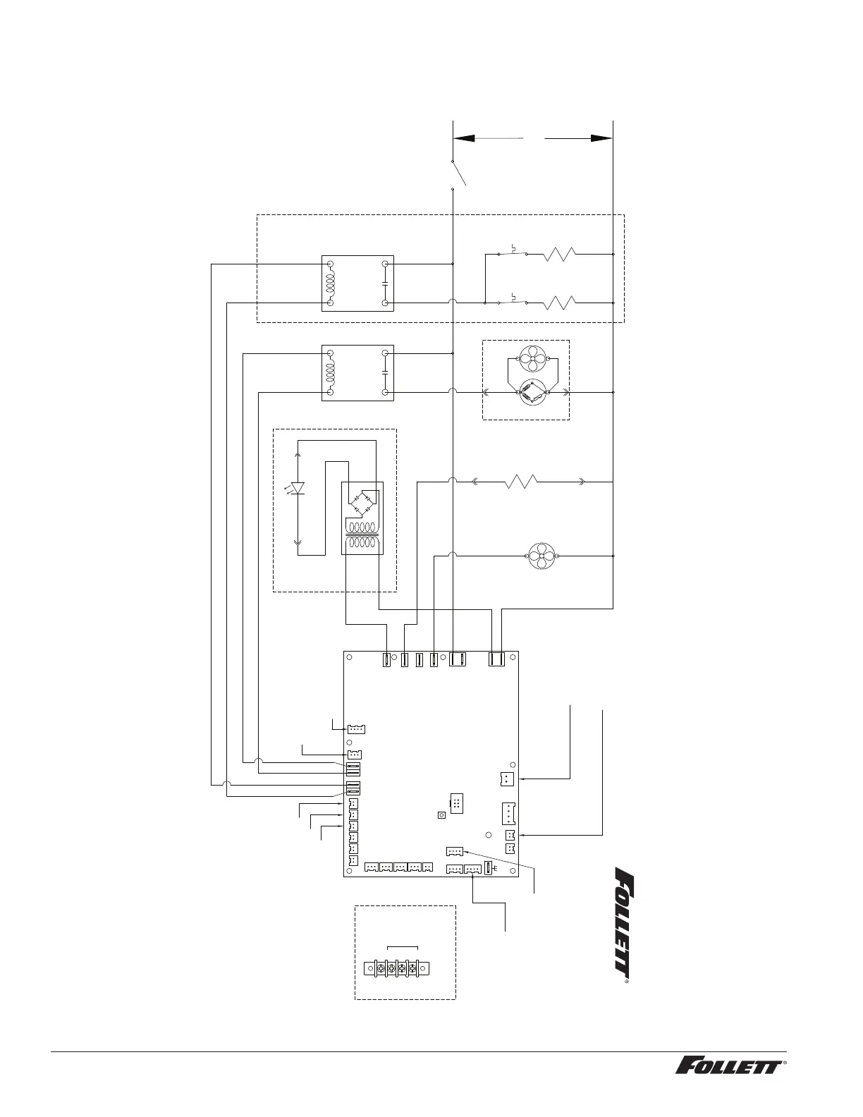
34 REF4P, REF5P and REF5BBP-T Undercounter Refrigerators
Wiring Diagram
Touchscreen Units (Serial numbers E98967 and above)
801 Church Lane
Easton, PA 18040 USA
For service call:
Toll free (877) 612-5086 or
+1 (610) 252-7301
On the web: www.follettice.com
01039775R05
N
C
EVAP
FAN
PWR SW
DEF
EVAP FAN
N/C
DOOR HTR
21
43
INPUT
12VDC
240VAC/20A
OUTPUT
WHT
BLK
MACHINE CONTROL
BLK
P3-ALARM BOTTLE
P1-CONTROL
HOT (L1)
NEUTRAL (L2)
RELAY
COMP
RELAY
BATTERY
WHT
(KEYPAD OR
ELOCK
DISPLAY
A B A B
HOT
NEUTRAL
(KEYPAD ONLY)
RED
BLK
120VAC
RED
ORG
BLK
BATTERY
BLK
WHT
BLUE
COND
UNIT
DOOR
HTR
BLK
DEF
HTR
PAN
HTR
SFTY
SW
SFTY
COIL
RED
WHT
WHT
PAN
SW
21
43
INPUT
12VDC
240VAC/20A
OUTPUT
BLK
RED
ORG
BLK
P2-DEFROST
TOUCHSCREEN ONLY)
RED
BLK
ALARM RELAY
(TOUCHSCREEN ONLY)
FZR SERIES ONLY
120VAC
12VDC
LED LIGHT
TRANSFORMER
BRN
BLU
RED
BLK
BLK RED
TOUCHSCREEN ONLY
COM
N.O.
N.C.
ALARM 1
REAR PANEL CONNECTIONS
1A/30VDC
(TOUCHSCREEN ONLY )
BLU
BRN
LED LIGHT
DOOR SW
(TOUCHSCREEN ONLY)
WHTBLK
DEFROST RELAY
COMPRESSOR RELAY
BRN
BLUE
NETWORK
INTERFACE CARD

Related product manuals