EasyManua.ls Logo

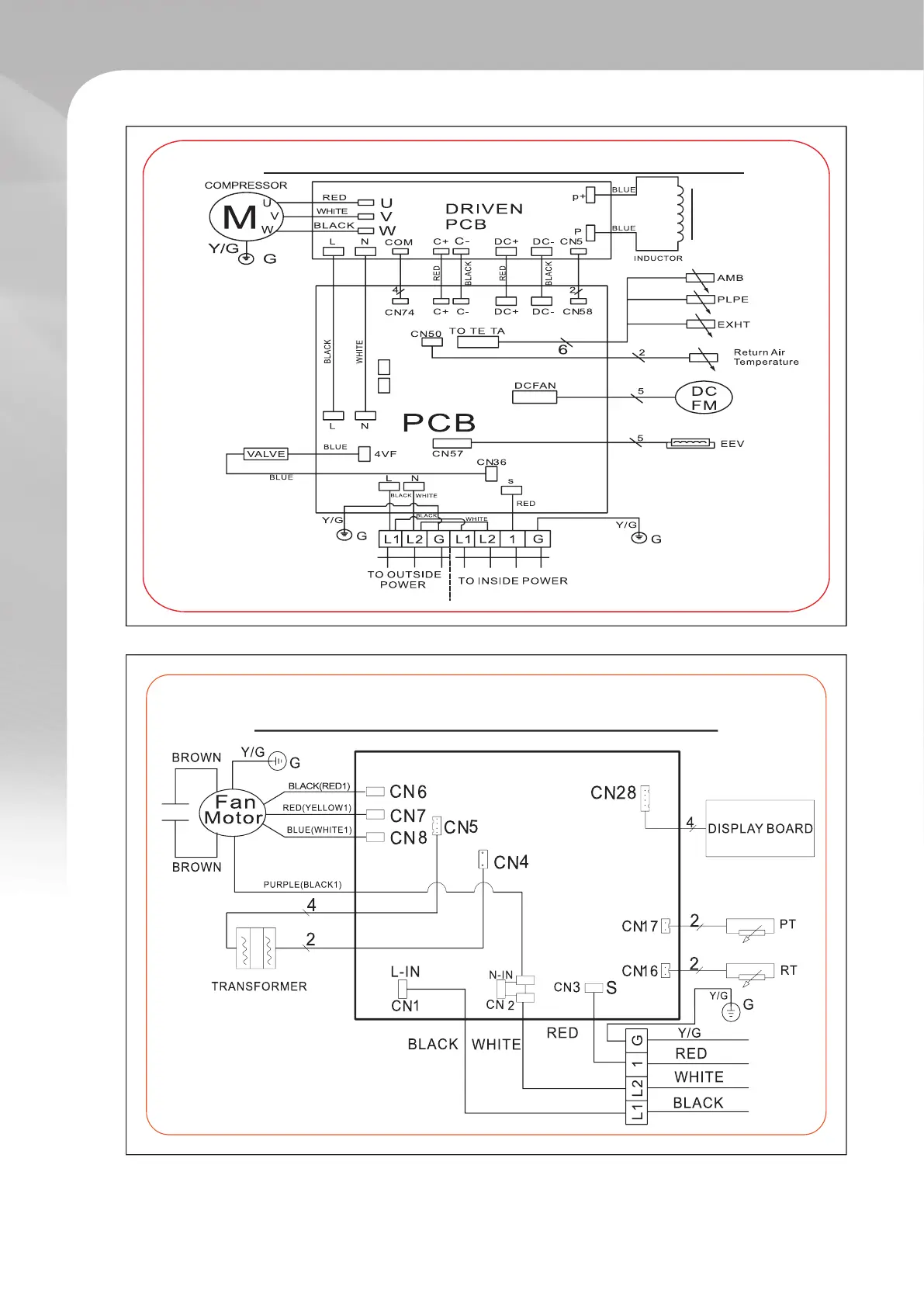
ForestAir E-Tech Series - 24000; 36000 BTU;h Electrical Wiring Diagram; Outdoor Unit Wiring Diagram; Indoor Unit Wiring Diagram

ForestAir E-Tech Series
28 pages
Print Icon
To Next Page IconTo Next Page
To Next Page IconTo Next Page
To Previous Page IconTo Previous Page
To Previous Page IconTo Previous Page
Loading...
26
© Copyright, Sunrise Tradex Corp., 2018
OUTDOOR WIRING DIAGRAM
INDOOR WIRING DIAGRAM
24000 / 36000 BTU/h Electrical Wiring Diagram

Related product manuals