EasyManua.ls Logo

Friedrich FPHFR9A3A - 9 K-36 K Indoor Cassette Units; Wiring Diagrams

Friedrich FPHFR9A3A
193 pages
Print Icon
To Next Page IconTo Next Page
To Next Page IconTo Next Page
To Previous Page IconTo Previous Page
To Previous Page IconTo Previous Page
Loading...
137 PB
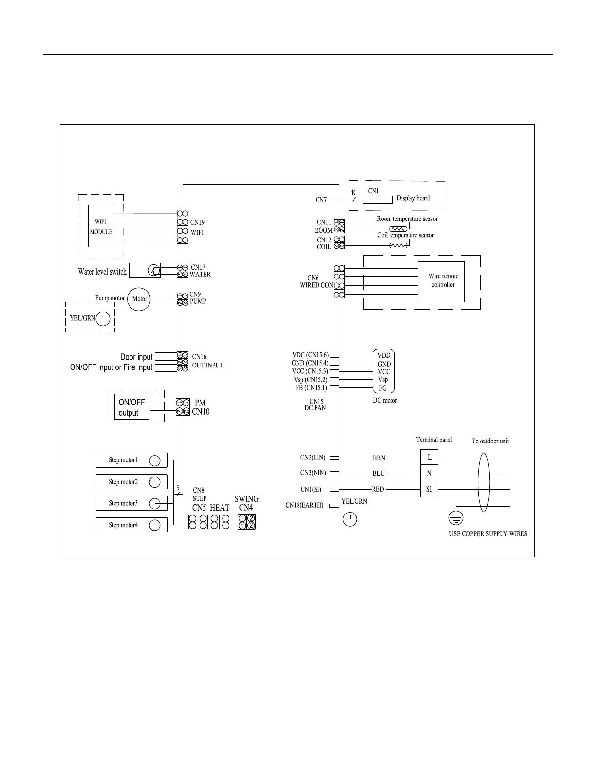
WIRING DIAGRAMS
9k-36k Indoor Cassette Units
Main control board
Electric Wiring Diagram 2104487 .A
3
4
3
4
1
2
1
2
3
4
3
4
1
2
1
2
2
1
2
1
4
3
4
3
Figure 803

Table of Contents

Related product manuals