EasyManua.ls Logo

Fujitsu ARGA18FMTA - Page 74

Fujitsu ARGA18FMTA
128 pages
Print Icon
To Next Page IconTo Next Page
To Next Page IconTo Next Page
To Previous Page IconTo Previous Page
To Previous Page IconTo Previous Page
Loading...
- 19 -
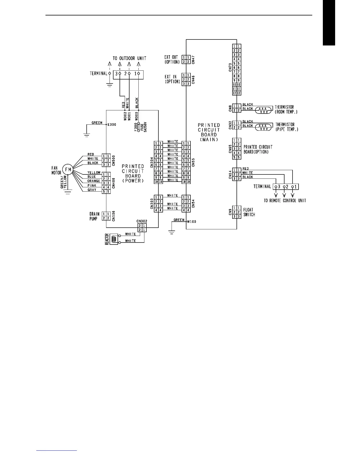
DUCT TYPE
ARGA30-60F
5-3. Model: ARGA60FHTA

Related product manuals