EasyManua.ls Logo

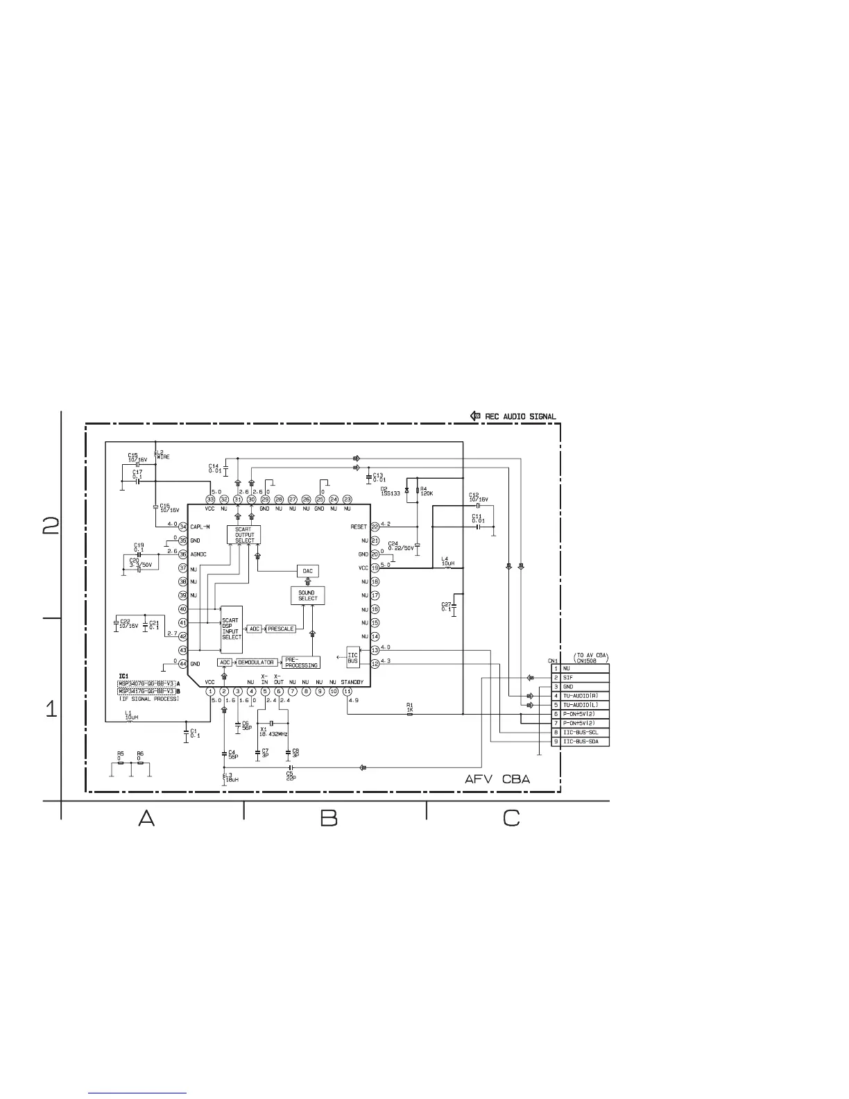
FUNAI HDR-A2835D - AFV Schematic Diagram

FUNAI HDR-A2835D
94 pages
Print Icon
To Next Page IconTo Next Page
To Next Page IconTo Next Page
To Previous Page IconTo Previous Page
To Previous Page IconTo Previous Page
Loading...
1-13-15
E434GSCAFV
AFV Schematic Diagram < VCR Section >

Table of Contents

Related product manuals