EasyManua.ls Logo

FUNAI LC5-D32BB - Page 25

FUNAI LC5-D32BB
74 pages
Print Icon
To Next Page IconTo Next Page
To Next Page IconTo Next Page
To Previous Page IconTo Previous Page
To Previous Page IconTo Previous Page
Loading...
7-4
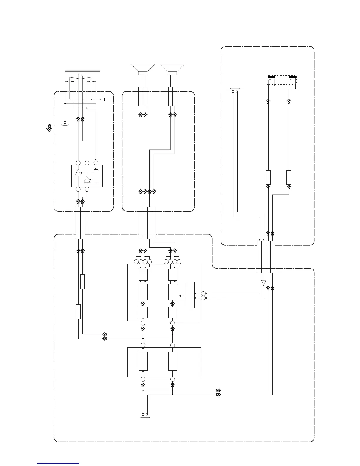
Audio-2 Block Diagram
A73F0BLA2
DIGITAL MAIN CBA UNIT
POWER SUPPLY CBA
IR SENSOR CBA
JACK CBA
AUDIO SIGNAL
SP802
SPEAKER
L-CH
TO AUDIO-1
BLOCK
DIAGRAM
TO AUDIO-1
BLOCK DIAGRAM
JK7501
HEADPHONE
JACK
AMP-CTRL
CN802
DRIVE
CLN802
SP(L)+ 2
SP(L)- 1
SP801
SPEAKER
R-CH
CN801
CLN801
SP(R)+ 2
SP(R)- 1
Q802
AUDIO(L)717
AUDIO(R)816
AMP-STBY420
AMP-MUTE519
CLN51BCLN51A
CN4502CN302
SP(L)+11 11
SP(L)-12 12
CN7001CN701
AUDIO(L)-OUT38 2
AUDIO(R)-OUT39 1
SP(R)+11
SP(R)-22
IC802
(TONE CONTROL)
AUDIO(L)
-OUT
AUDIO(R)
-OUT
JK4101
Q4016
BUFFER
Q4017
BUFFER
23
2
15
10
IC801
(AUDIO POWER AMP)
44
1
35
36
32
10
14
31
13
9
CONTROLLPF
TONE
CONTROL
TONE
CONTROL
CONTROL
SHUT DOWN
MUTE CONTROL
LPF DRIVE
21 22
IC7501
(AMP)
MUTE
5
3
7
1
2
Q853
BUFFER
Q852
BUFFER
AMP-MUTE
AMP-STBY
AUDIO(L)
AUDIO(R)
TO SYSTEM CONTROL
BLOCK DIAGRAM

Table of Contents

Other manuals for FUNAI LC5-D32BB

Related product manuals