EasyManua.ls Logo

FUNAI LC5-D32BB - Audio Block Diagram

FUNAI LC5-D32BB
74 pages
Print Icon
To Next Page IconTo Next Page
To Next Page IconTo Next Page
To Previous Page IconTo Previous Page
To Previous Page IconTo Previous Page
Loading...
7-3
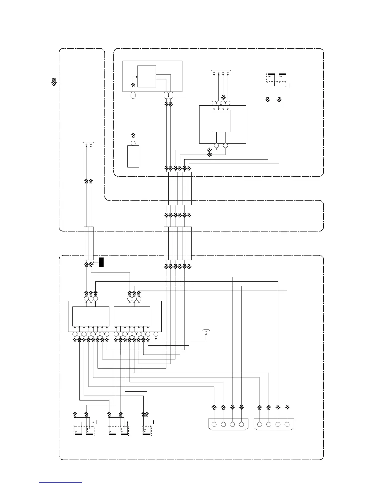
Audio-1 Block Diagram
A73F0BLA1
JACK CBA DIGITAL MAIN CBA UNIT
POWER SUPPLY CBA
AUDIO SIGNAL
CN701CN7001
AUDIO(L)832
AUDIO(R)733
CN701CN7001
TU-AUDIO(L)37 3
TU-AUDIO(R)38 2
HDMI-AUDIO(L)
34 6
HDMI-AUDIO(R)
35 5
HDMI-AUDIO(L)
29 11
HDMI-AUDIO(R)
30 10
CN4503CN303
TU-AUDIO(L)15 9
TU-AUDIO(R)14 10
HDMI-AUDIO(L)
18 6
HDMI-AUDIO(R)
17 7
HDMI-AUDIO(L)
22 2
HDMI-AUDIO(R)
23 1
SIF
TU4102
(TUNER UNIT)
TO DIGITAL
SIGNAL
PROCESS
BLOCK
DIAGRAM
TO AUDIO-2
BLOCK DIAGRAM
AUDIO(L)
AUDIO(R)
MTS/SAP
AUDIO
SIGNAL
PROCESS
7
PC-AUDIO-IN
JK7402
HDMI-
AUDIO(L)-IN
HDMI-
AUDIO(R)-IN
JK4101
COMPONENT
AUDIO(L)
-IN1
COMPONENT
AUDIO(R)
-IN1
JK7102
IC7701
(AUDIO SELECTOR)
IC3501
(DIGITAL SIGNAL PROCESS)
IC3104
(AUDIO D/A CONVERTER)
D/A
CONVERTER
HDMI-SCLK
HDMI-SDATA
HDMI-MCLK
(L-CH)
(R-CH)
(L-CH)
(R-CH)
AUDIO(L)
-IN1
AUDIO(R)
-IN1
JK7203
93
91
99
98
85
87
94
92
86
88
AUDIO
SELECTOR
(L-CH)
AUDIO
SELECTOR
(R-CH)
AMP-CTRL
89
90
79
81
80
82
77
78
97
96
1
100
JK7001
1
3
RGB-AUDIO(L)
-OUT1
RGB-AUDIO(R)
-OUT1
6
RGB-AUDIO(L)
-IN1
2
RGB-AUDIO(R)
-IN1
JK7002
1
3
RGB-AUDIO(L)
-OUT2
RGB-AUDIO(R)
-OUT2
6
RGB-AUDIO(L)
-IN2
2
RGB-AUDIO(R)
-IN2
A21
B23
D23
15
14
5
6
8
7
62
TO AUDIO-2
BLOCK DIAGRAM
HDMI-LRCLK
WF7

Table of Contents

Other manuals for FUNAI LC5-D32BB

Related product manuals