EasyManua.ls Logo

FUNAI LC5-D32BB - Page 36

FUNAI LC5-D32BB
74 pages
Print Icon
To Next Page IconTo Next Page
To Next Page IconTo Next Page
To Previous Page IconTo Previous Page
To Previous Page IconTo Previous Page
Loading...
8-8
A73F0SCJ2
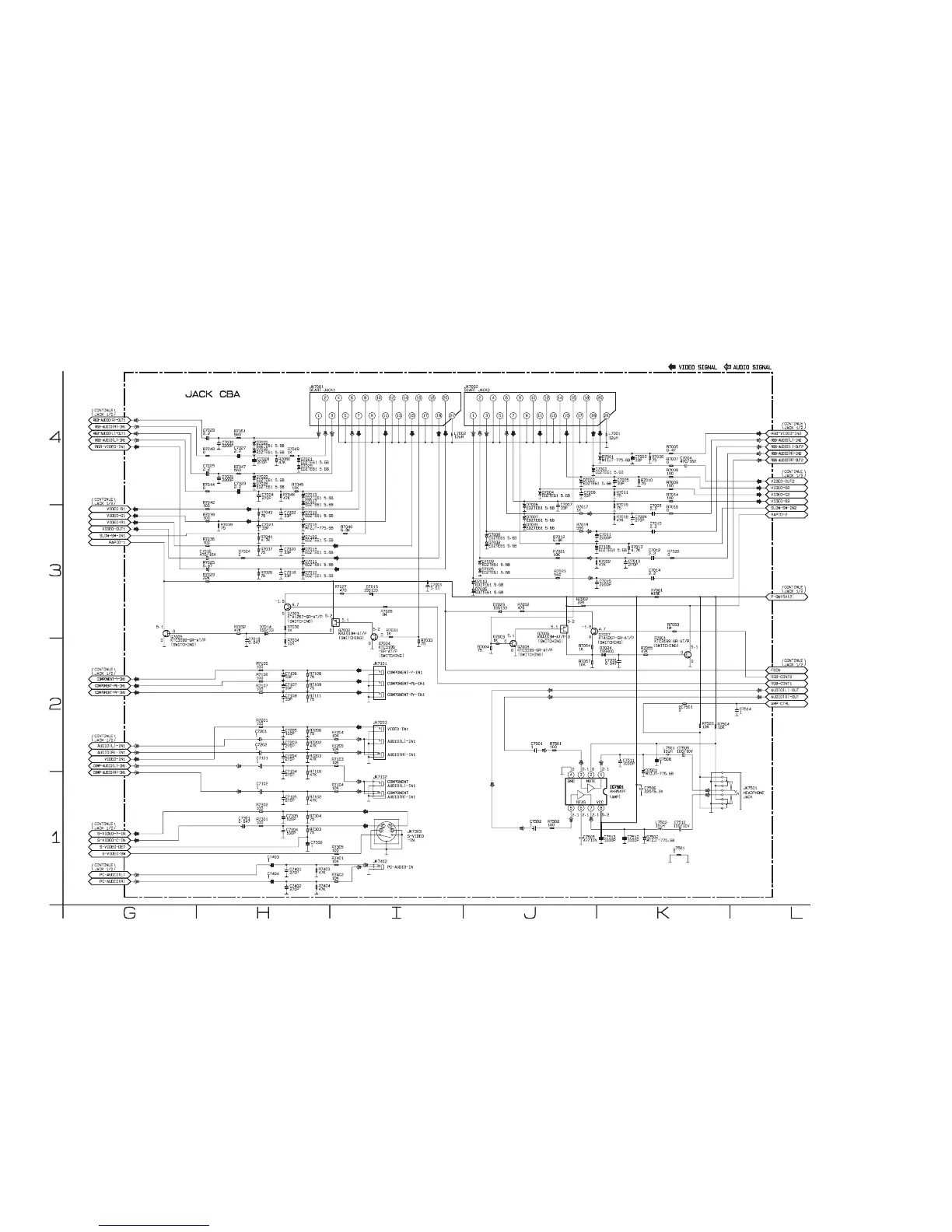
Jack 2/2 Schematic Diagram

Table of Contents

Other manuals for FUNAI LC5-D32BB

Related product manuals