EasyManua.ls Logo

FUNAI LC5-D32BB - Page 44

FUNAI LC5-D32BB
74 pages
Print Icon
To Next Page IconTo Next Page
To Next Page IconTo Next Page
To Previous Page IconTo Previous Page
To Previous Page IconTo Previous Page
Loading...
8-16
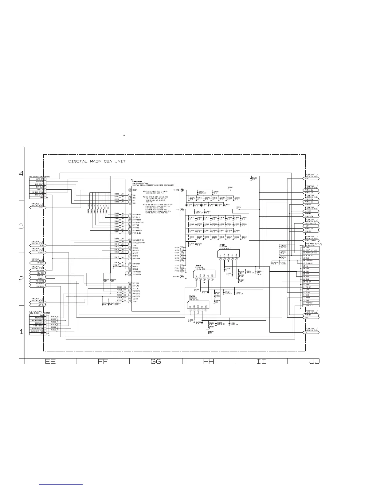
Digital Main 6/6 Schematic Diagram
A73F0SCD6
1 NOTE:
The order of pins shown in this diagram is different from that of actual IC3501.
IC3501 is divided into four and shown as IC3501 (1/4) ~ IC3501 (4/4) in this Digital Main Schematic Diagram Section.

Table of Contents

Other manuals for FUNAI LC5-D32BB

Related product manuals