EasyManua.ls Logo

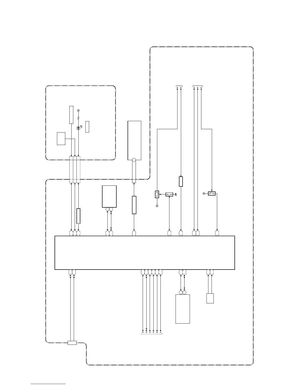
FUNAI LF320EM4 A - BLOCK DIAGRAMS; System Control Block Diagram

FUNAI LF320EM4 A
143 pages
Print Icon
To Next Page IconTo Next Page
To Next Page IconTo Next Page
To Previous Page IconTo Previous Page
To Previous Page IconTo Previous Page
Loading...
9-1
IC3101
(MAIN MICRO CONTROLLER)
DIGITAL MAIN CBA UNIT
XOUT
XIN
X3101
24MHz
OSC
TO VIDEO/AUDIO
BLOCK DIAGRAM
AMP-MUTE
AMP-MUTE
COMP-DET
HP-MUTE
HP-DET
HP-DET
HP-MUTE
COMP-DET
VGA-SCL
VGA-SCL
VGA-SDA
VGA-SDA
123
124
53
117
63
64
98
99
116
54
CN3009
USB(+)
USB(-)
USB(+)
USB(-)
USB JACK
TO
LED BACKLIGHT DRIVE
BLOCK DIAGRAM
TO
POWER SUPPLY
BLOCK DIAGRAM
RESET
P-ON-H2
PROTECT3
BACKLIGHT-SW
BACKLIGHT-ADJ
PROTECT3
P-ON+3.3V
AL+3.3V
Q3105
Q3150 CN3102
Q3106
Q3103
P-ON-H2
CPU-RESET
BACKLIGHT-SW
BACKLIGHT-ADJ
SPI-SCL
SPI-SDA
VCOM-PWM
SCL
SDA
6
5
(MEMORY)
133
104
101
110
122
59
58
TU-SCL
TU-SDA
SCL
SDA
4
3
TU3901 (TUNER UNIT)
RESET
IC3009,
Q3104
IC3006
114
112
109
REMOTE
120
KEY-IN1
128
LED1
Q3501, Q3502
LED DRIVE
100
FUNCTION CBA UNIT
LCD PANEL ASSEMBLY
REMOTE
SENSOR
RS4051
AL+3.3V
D4051
POWER
KEY-IN1
REMOTE
LED1
4
4
5 5
6
6
CN3101 CN4052
KEY SWITCH
VC-ADJ23
VCOM DRIVE
BLOCK DIAGRAMS
FL14.10BLS
1. System Control Block Diagram
[TYPE A, TYPE B]

Table of Contents

Related product manuals