EasyManua.ls Logo

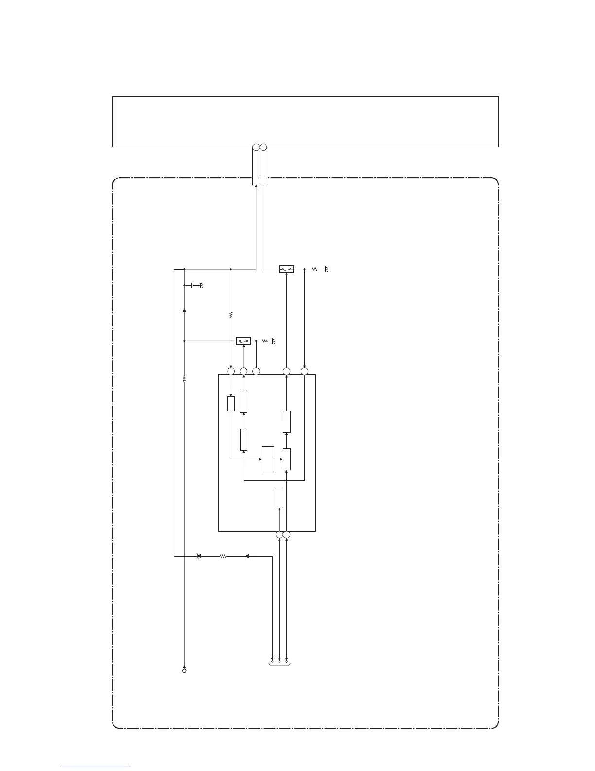
FUNAI LF320EM4 A - LED Backlight Drive Block Diagram (Type D)

FUNAI LF320EM4 A
143 pages
Print Icon
To Next Page IconTo Next Page
To Next Page IconTo Next Page
To Previous Page IconTo Previous Page
To Previous Page IconTo Previous Page
Loading...
9-14
4. LED Backlight Drive Block Diagram
IC1001
(LED BACKLIGHT DRIVER)
OVP
DRIVE
LOGIC
ISW
Q1001
3
2
6 LOGIC
14
DRIVE
LDO
FAIL
DETECT
13
15
11
VLED1
ILED2
Q1003
LCD PANEL
ASSEMBLY
PROTECT3
BACKLIGHT-ADJ
BACKLIGHT-SW
TO
SYSTEM CONTROL
BLOCK DIAGRAM
P-ON+21V
CN1001
DIGITAL MAIN CBA UNIT
FL14.10DBLBD

Table of Contents

Related product manuals