EasyManua.ls Logo

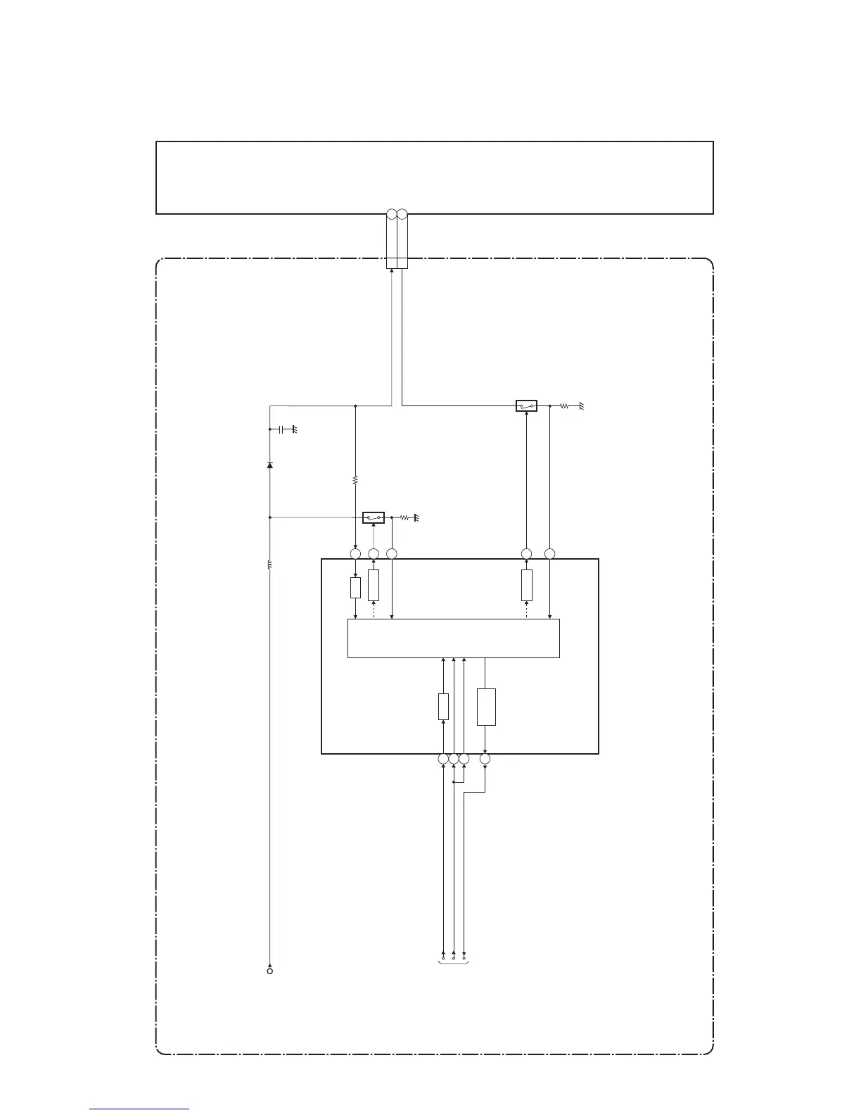
FUNAI LF320EM4 A - LED Backlight Drive Block Diagram (Type E)

FUNAI LF320EM4 A
143 pages
Print Icon
To Next Page IconTo Next Page
To Next Page IconTo Next Page
To Previous Page IconTo Previous Page
To Previous Page IconTo Previous Page
Loading...
9-19
4. LED Backlight Drive Block Diagram
IC1001
(LED BACKLIGHT DRIVER)
OVP
DRIVE Q1001
CONTROL
LOGIC
1
13
5
6
7
12
DRIVE
VREG
FAIL
DETECT
11
17
15
VLED1
ILED2
Q1003
DIGITAL MAIN CBA UNIT
LCD PANEL
ASSEMBLY
PROTECT3
BACKLIGHT-ADJ
BACKLIGHT-SW
TO
SYSTEM CONTROL
BLOCK DIAGRAM
P-ON+21V
CN1001
FL14.10BLBD

Table of Contents

Related product manuals