EasyManua.ls Logo

FUNAI LF320EM4 A - Digital Main 1 Schematic Diagram [TYPE C]

FUNAI LF320EM4 A
143 pages
Print Icon
To Next Page IconTo Next Page
To Next Page IconTo Next Page
To Previous Page IconTo Previous Page
To Previous Page IconTo Previous Page
Loading...
10-8
4
32
1
IC602
TLP785F
1000P/250V
C603
1ZB20BB
D654
C654
470/16V
OPEN
R663
C653
470/25V
D650
SB3150BH
3.3K
R661
3.9K
R657
15K
R667
3.9K
R660
27K
R659
180
R654
47K
R668
10K
R669
OPEN
C650
OPEN
D405
1
R651 D656
RS1BJTD
C656
1/50V
MM5Z11B
D657
56K
R652
C652
470/25V
180
R655
1000P
C1013
1/100V
C1009
1/100V
C1010
1K
R1003
100K
R1007
OPEN
R1034
470P/500V
C1018
200
R1019
SK210TD
D1002
10K
R1006
240K
R1020
10K
R1021
100K
R1005
10K
R1004
10K
R1022
1
C1003
KTC3875S-Y-RTK/P
Q653
KTC3875S
-Y-RTK/P
Q650
CN1001
1 VLED
2 ILED
Q1001
AP18T10AGH-HF
G
D
S
BC603
OPEN
BC602
OPEN
1N5399BE
D602
1N5399BE
D604
1N5399BE
D601
1N5399BE
D603
1.5K
R608
220
R607
220
R606
1ZB36BB
D608
470K
R603
1500P
C610
MM5Z4V3B
D605
2200P
C607
470K
R604
680P
/2KV
C606
220
R613
470K
R614
1SS400ST
D610
2SC5344SY
Q602
0.015
C608
TFZVTR27B
D607
G
D
S
TK7P60W
Q601
CES520
D609
C655
470/16V
OPEN
D406
10K
R677
D663
OPEN
D660
SL431A-AT
2.7K
R658
0.22
C660
1
C1004
OPEN
C1005
470/25V
C1001
100uH
L1001
120
R1002
10
R1031
1SS400ST
D1004
OPEN
R615
OPEN
R616
OPEN
R617
OPEN
R618
5.6K
R612
0.068
C609
100
R609
OPEN
R619
KTC3875S
-Y-RTK/P
Q621
0
R622
560
R621
MM5Z30B
D623
1SS400ST
D621
OPEN
C624
4.7
C623
10
C622
1000P/250V
C602
1000P/250V
C616
0.36
/2W
R605
10K
R623
OPEN
C621
OPEN
SA602
OPEN
GT601
D653
SB3A0BH
D655
SB3A0BH
OPEN
R693
0.22
C666
D661
1SS400ST
D651
SB3150BH
0
R674
68K
R675
1/100V
C1011
OPEN
R1033
OPEN
R1032
1
C1012
0.18/1W
R1015
2.5A250V
470/25V
C1002
OPEN
D1001
TFZVTR30B
D1006
13K
R1023
2K
R1024
22K
R1027
9.1K
R1028
0.047
C1015
100K
R1012
240K
R1013
1K
R1030
0.022
C1017
2200P
C1016
Q1003
AP18T10AGH-HFG
D
S
1K
R1025
51
R1026
2200P
C1020
0.68
R1010
0.68
R1009
D1005
1SS400ST
BC601
BEAD
GP001
OPEN
GP002
OPEN
1
2
4
5
6
12
11
10
9
8
7
T601
POWER TRANS
330
/200V
C605
W
L601
LINE
FILTER
0.22
/275V
C604
CN601
B
0.22
/275V
C614
VARISTOR
SA601
AC601
AC CORD
1.2M
/1/2W
R601
2.7/5W
R602
2.5A/250V
F602
P-ON-H2
RESET
C657
470/16V
AMP+13V
PROTECT1
P-ON+21V
47/100V
C1006
47/100V
C1007
1
C1022
L1002
BEAD
BACKLIGHT-ADJ
BACKLIGHT-SW
120
R1001
0
R1036
0.62
R1035
24K
R1011
6.2K
R1014
1
C1019
9.1K
R1029
OPEN
C1014
33K
R653
OPEN
C1021
PROTECT3
AL+3.3V
8
3
2
10
1
712
VCC
UVLO
9
6
11
13
4
ADIM
GND
514
15
16
17
18OVP
CONTROL
LOGIC
SS
RT
FAIL
DETECT
VREG
DRIVE
DRIVE
ADIM-P
IC1001
BD9488F-GE2
OPEN
D608A
10/16V
C672
10/16V
C671
OPEN
D654A
4
3
1
2
0.3
15.2
ERROR
VOLTAGE DET
19.6
20.7
HOT CIRCUIT. BE CAREFUL.
0.6
0
(SWITCHING)
A FBCDE G
0
HOT COLD
(RESET)
0
-3.0
3.4
17.0
64.0
(SWITCHING)
LED BACKLIGHT
DRIVER
0.1
47.0
0.9
417.0
16.8
(SWITCHING)
0
1.6
SWITCHING
CONTROL
0.4
TO LCD PANEL
ASSEMBLY
OVER
VOLTAGE
PROTECT
0
0
0.4
16.8
(SWITCHING)
0.9
0.8
12.1
1.9
3.5
5.4
1.4
2.7
2.7
3.3
0.8
5.4 0
12.0
6.9
3.0
0.1
12.0
3.4
0.8
5.4
0
2.4
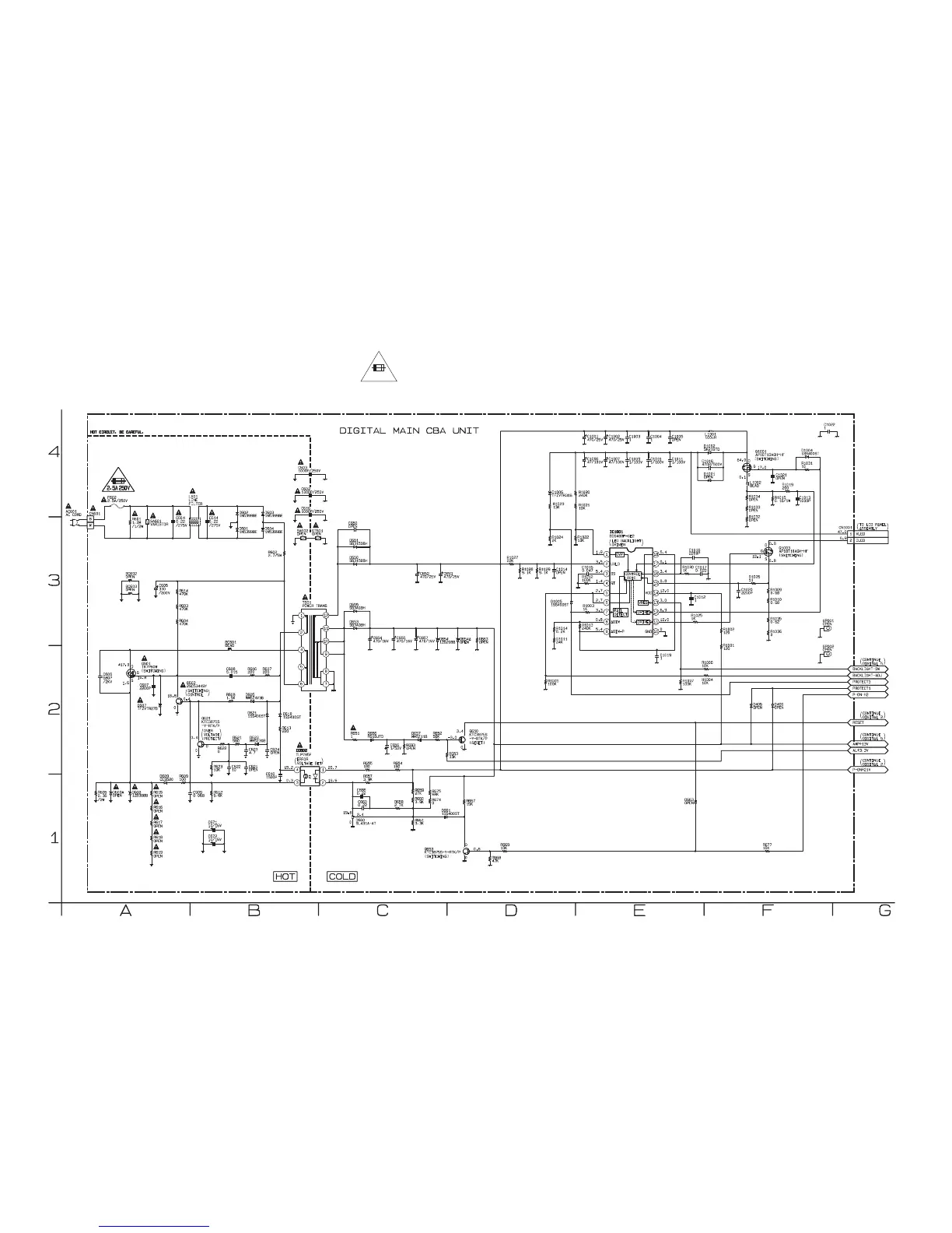
DIGITAL MAIN CBA UNIT
19.6
CONTINUE
DIGITAL 5
CONTINUE
DIGITAL 2
CONTINUE
DIGITAL 5
CONTINUE
DIGITAL 2
Digital Main 1 Schematic Diagram [TYPE C]
FL14.10CSCD1
NOTE:
The voltage for parts in hot circuit is measured using
hot GND as a common terminal.
CAUTION !
Fixed voltage (or Auto voltage selectable) power supply circuit is used in this unit.
If Main Fuse (F602) is blown , check to see that all components in the power supply
circuit are not defective before you connect the AC plug to the AC power supply.
Otherwise it may cause some components in the power supply circuit to fail.
For continued protection against risk of fire,
replace only with same type 2.5A, 250V fuse.
CAUTION ! :
ATTENTION : Utiliser un fusible de rechange de même type de 2.5A, 250V.
2.5A 250V

Table of Contents

Related product manuals