EasyManua.ls Logo

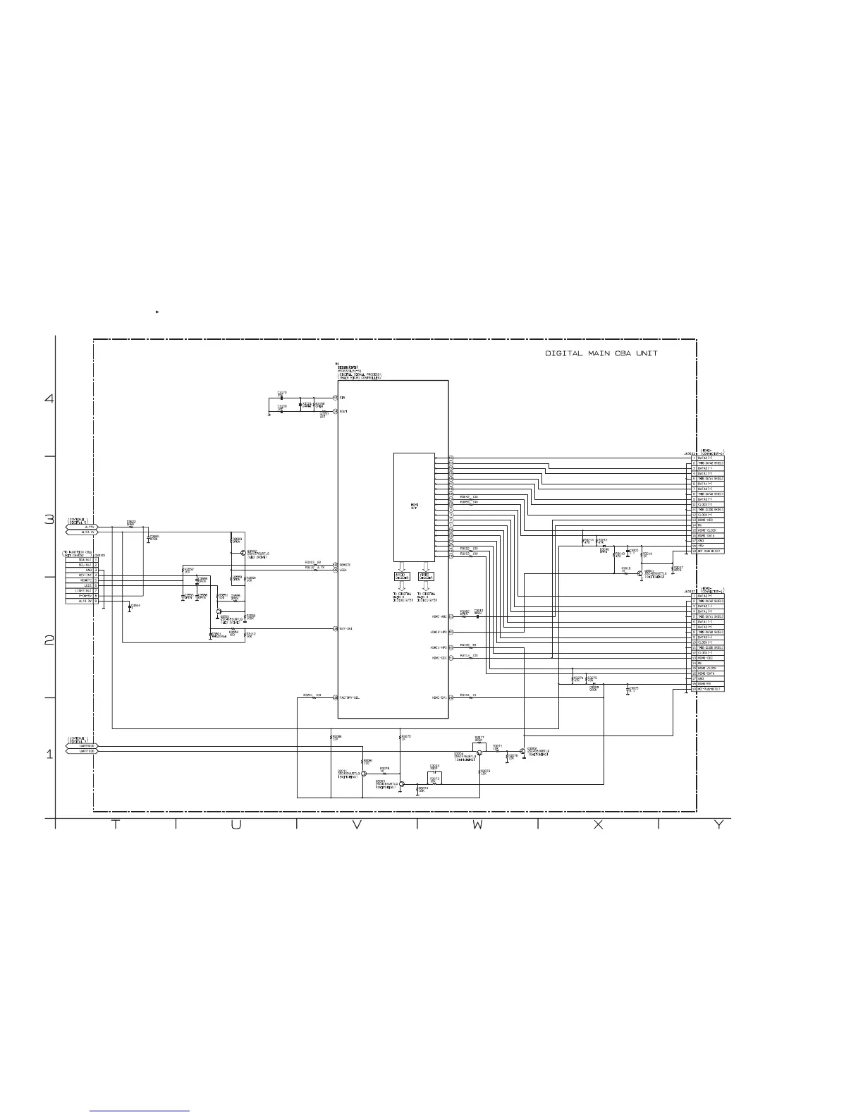
FUNAI LF320EM4 A - Digital Main 4 Schematic Diagram [TYPE F]

FUNAI LF320EM4 A
143 pages
Print Icon
To Next Page IconTo Next Page
To Next Page IconTo Next Page
To Previous Page IconTo Previous Page
To Previous Page IconTo Previous Page
Loading...
10-27
119HDMI-CEC
10K
R3079
108 FACTORY-SEL
UARTRXD0
2SA1576UBTLQ
Q3004
8 TMDS DATA0 SHIELD
115HDMI-ARC
2SC4081UBTLQ
Q3002
14 NU
107HDMI2-HPD
2SC4081UBTLQ
Q3003
33K
R3076
5 TMDS DATA1 SHIELD
100R3042
OPEN
R3017
10K
R3080
47K
R3019
18 HDMI+5V
UARTTXD0
0.1
C3005
9 DATA0(-)
10K
R3071
D3008
OPEN
D3006
OPEN
141HDMI1-HPD
7 DATA0(+)
12 CLOCK(-)
10K
R3073
2SC4081UBTLQ
Q3001
2SC4081UBTLQ
Q3011
1K
R3018
47K
R3275
OPEN
R3082
JK3007
1 DATA2(+)
100R3050
47K
R3278
100R3113
15 HDMI-CLOCK
6 DATA1(-)
1K
R3075
47K
R3212
16 HDMI-DATA
10 CLOCK(+)
47K
R3214
16 HDMI-DATA
330P
C3003
12 CLOCK(-)
1K
R3010
JK3003
1 DATA2(+)
17 GND
6 DATA1(-)
3 DATA2(-)
33K
R3074
14 NU
9 DATA0(-)
10 CLOCK(+)
4 DATA1(+)
7 DATA0(+)
3 DATA2(-)
5 TMDS DATA1 SHIELD
17 GND
100R3022
18 +5V
13 HDMI-CEC
13 HDMI-CEC
15 HDMI-CLOCK
19 HOT-PLUG-DETECT
19 HOT PLUG DETECT
0.1
C3023
2 TMDS DATA2 SHIELD
4 DATA1(+)
100R3023
OPEN
C3012
11 TMDS CLOCK SHIELD
OPEN
R3077
8 TMDS DATA0 SHIELD
2 TMDS DATA2 SHIELD
1K
R3078
100R3201
11 TMDS CLOCK SHIELD
100
R3081
152
151
150
149
148
147
146
145
134
135
4
3
2
1
156
155
154
153
140
139
33R3109
142HDMI-5V1
10R3104
5REMOTE
96 LED1
7LIGHT(NU)
OPEN
R3822
AL+5V
22R3103
10K
R3559
100
R3551
AL+3.3V
8P-ON+5V
120 REMOTE
CN3101
1SDA(NU)
Q3502
2SA1576UBTLQ
100
R3553
OPEN
C3559
100K
R3560
MM5Z5V6B
D3501
4.7KR3116
2SCL(NU)
6LED1
4KEY-IN1
OPEN
C3553
1
C3554
9AL+3.3V
2SC4081UBTLQ
Q3501
OPEN
R3503
OPEN
C3556
OPEN
C3555
128 KEY-IN1
3GND
OPEN
R3555
10K
R3112
OPEN
R3558
100
R3552
53
IC3101(3/5)
MSD8220LB1-S1
*1
XIN
54 XOUT
OPEN
R3158
X3101
24MHz
18P
C3169
15P
C3172
160
R3157
T
DIGITAL MAIN CBA UNIT
2
4
1
3
UVWXY
HDMI-
CONNECTOR-1
AUDIO
DECODER
(SWITCHING)
VIDEO
DECODER
(SWITCHING)
HDMI
I/F
(SWITCHING)
CONTINUE
DIGITAL 3
(SWITCHING)
(SWITCHING)
DIGITAL SIGNAL PROCESS
/MAIN MICRO CONTROLLER
HDMI-
CONNECTOR-2
(LED DRIVE)
TO FUNCTION CBA
UNIT CN4052
CONTINUE
DIGITAL 5
(LED DRIVE)
TO DIGITAL
MAIN 3
IC3101(2/5)
TO DIGITAL
MAIN 3
IC3101(2/5)
Digital Main 4 Schematic Diagram [TYPE F]
FL14.10FSCD4
The order of pins shown in this diagram is different from that of actual IC3101.
IC3101 is divided into five and shown as IC3101 (1/5) ~ IC3101 (5/5) in this Digital Main Schematic Diagram Section.
1 NOTE:

Table of Contents

Related product manuals