EasyManua.ls Logo

FUNAI LF320EM4 A - Video;Audio Block Diagram (Type D)

FUNAI LF320EM4 A
143 pages
Print Icon
To Next Page IconTo Next Page
To Next Page IconTo Next Page
To Previous Page IconTo Previous Page
To Previous Page IconTo Previous Page
Loading...
9-12
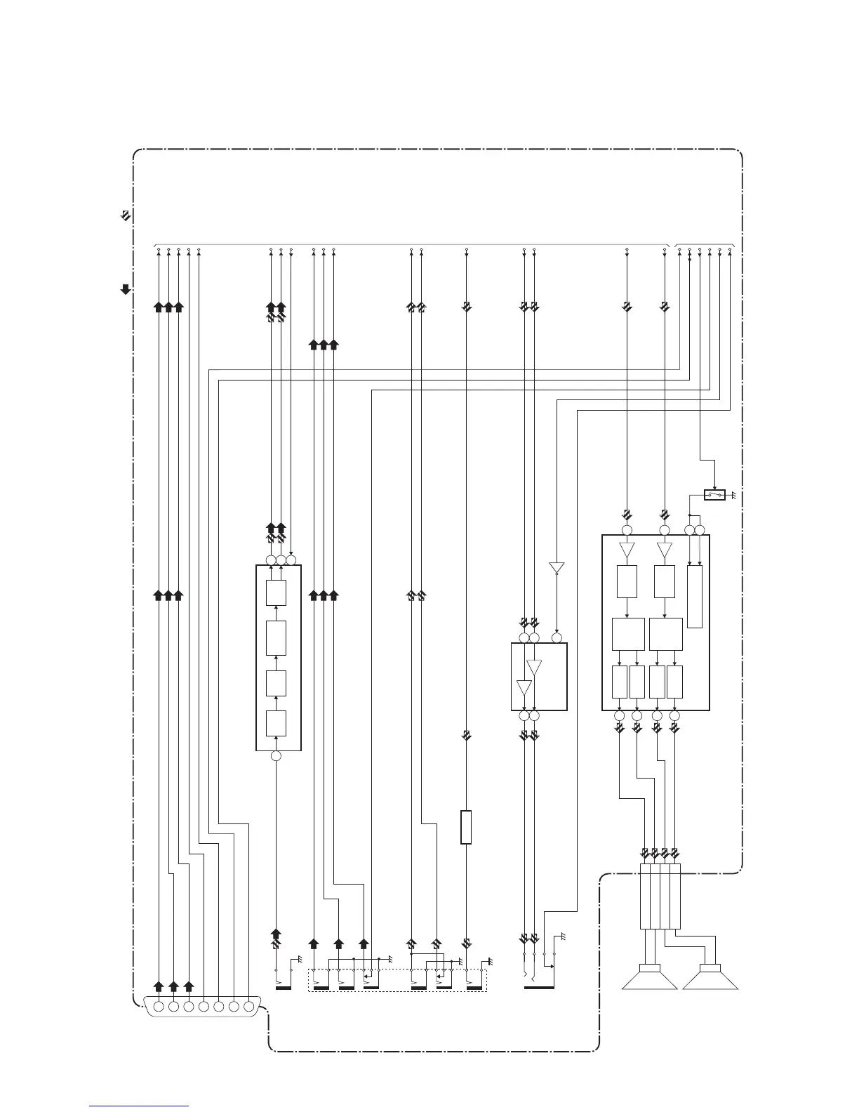
2. Video/Audio Block Diagram
FL14.10DBLVA
DIGITAL MAIN CBA UNIT
IC3801 (AUDIO AMP)
Q3801
AMP-MUTE
HP-MUTE
COMP-DET
HP-DET
TO SYSTEM CONTROL
BLOCK DIAGRAM
SP3802
SPEAKER
R-CH
CN3801
SP3801
SPEAKER
L-CH
AMP(L)-OUT
AMP(R)-OUT
3SP(R)-
4SP(R)+
2SP(L)-
1SP(L)+
DIF-OUT1
DIF-OUT2
IF-AGC
TO DIGITAL
SIGNAL PROCESS
BLOCK DIAGRAM
JK3005
PC-RGB
-IN
1
2
3
13
14
15
12
VGA-R-IN
VGA-G-IN
VGA-B-IN
VGA-HSYNC
VGA-VSYNC
VGA-SCL
VGA-SDA
IC9301
23
2
24
(Si TUNER)
IF-AGC
25
VIDEO SIGNAL
AUDIO SIGNAL
1
2
3
25
23
CONTROL LOGIC
DRIVE
DRIVE
PWM
LOGIC
18
20
DRIVE
DRIVE
PWM
LOGIC
12
POWER
LIMIT
POWER
LIMIT
IF
AMP
IF
FILTER
AGC
LNA
AUDIO(L)-IN
AUDIO(R)-IN
DIGITAL
AUDIO-OUT
(COAXIAL)
Q3701
BUFFER
AUDIO(L)-IN
AUDIO(R)-IN
HP(R)
HP(L)
SPDIF
COMPONENT
-Y/VIDEO-IN
COMPONENT
-Pb-IN
COMPONENT
-Pr-IN
JK3701
COM-VIDEO-Y/VIDEO-IN
COM-VIDEO-Pr-IN
COM-VIDEO-Pb-IN
ANT-IN
JK9301
JK3703
HEADPHONE
JACK
Q3861
(HEADPHONE AMP)
IC3851
1
7
3
5
2MUTE
6dB
6dB

Table of Contents

Related product manuals