EasyManua.ls Logo

Furuno FCV-288 - Wiring

Furuno FCV-288
56 pages
Print Icon
To Next Page IconTo Next Page
To Next Page IconTo Next Page
To Previous Page IconTo Previous Page
To Previous Page IconTo Previous Page
Loading...
4. INSTALLATION
29
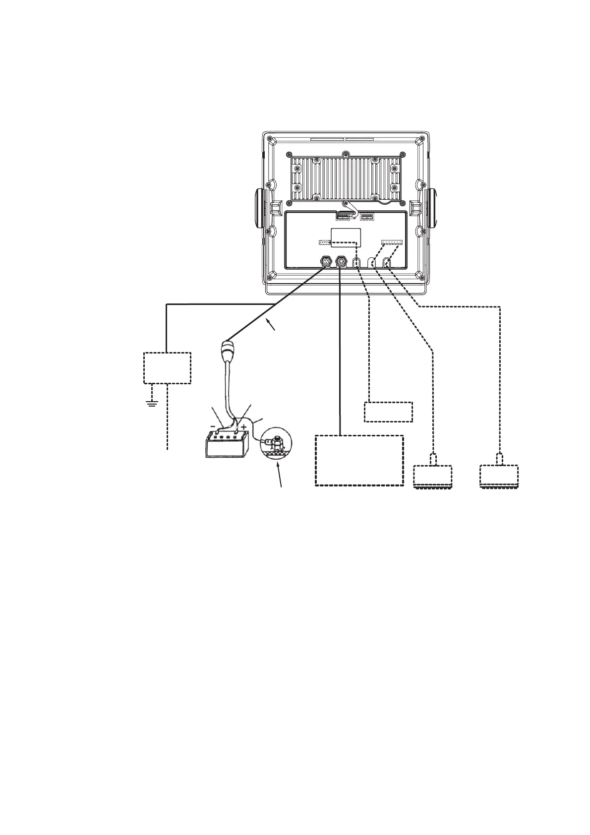
4.5 Wiring
Refer to the interconnection diagram at the back of this manual for detailed information.
Wiring diagram for FCV-288
Low
Navigator
12-24 VDC
Rectifier
PR-62
100/110/115/
220/230 VAC
1
ø
, 50/60 Hz
IV-2.0sq
High
MJ-A6SPF0003-050C
Display unit rear panel
Grounding wire:
As short as possible
(Connect to a
dedicated
breaker in the
mains
switchboard.)
Transducer
50 kHz only.
Black
White
Shield
Transducer
200 kHz only.
Speed/Water
temp. sensor
Water temp.
sensor
MJ-A3SPF0028-035C
Grounding wire:
A
s short as possible