EasyManua.ls Logo

FUTABA CGY755 - BASIC MENU

FUTABA CGY755
112 pages
Print Icon
To Next Page IconTo Next Page
To Next Page IconTo Next Page
To Previous Page IconTo Previous Page
To Previous Page IconTo Previous Page
Loading...
39
B
ASIC
M
ENU
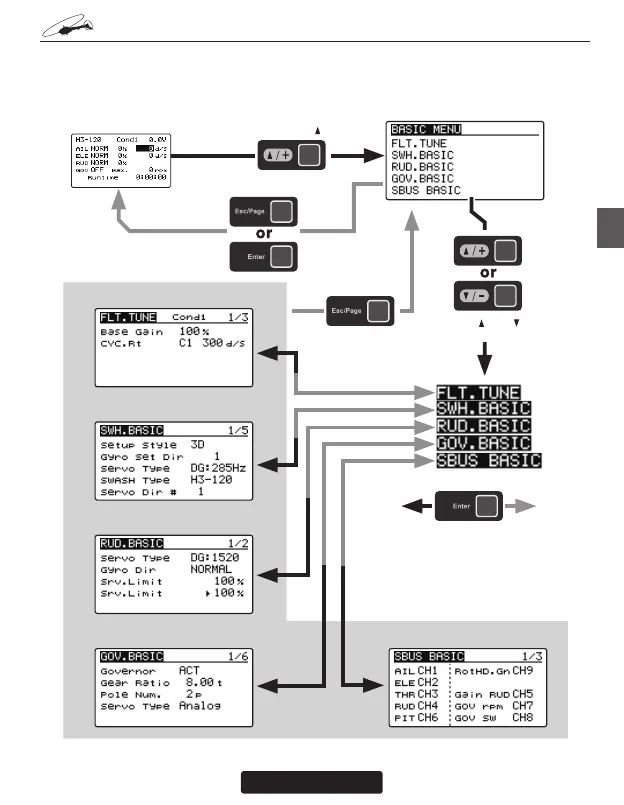
As the name suggests, this menu allows changes to the basic settings of CGY.
Make sure to set each
"
BASIC MENU
"
.
Home screen
BASIC MENU screen
FLT.TUNE screen
SWH.BASIC screen
RUD.BASIC screen
GOV.BASIC screen SBUS BASIC screen
Press the [ /+] or [ /-] key
Press the [Enter] key
Press the [Enter] key to display each
menu screen, and when the cursor is
on the title of each menu screen, press
the [Enter] key to return to the "BASIC
MENU" screen.
Press and hold
the [Esc/Page] key
Press and hold
the [Esc/Page] key
Press and hold the [
/+] key

Related product manuals