EasyManua.ls Logo

FUTABA CGY755 - TRANSMITTER ROTOR HEAD GYRO GAIN SET-UP; Remote Gain Functions; Manual Gain Adjustment

FUTABA CGY755
112 pages
Print Icon
To Next Page IconTo Next Page
To Next Page IconTo Next Page
To Previous Page IconTo Previous Page
To Previous Page IconTo Previous Page
Loading...
73
E
XPERT
M
ENU
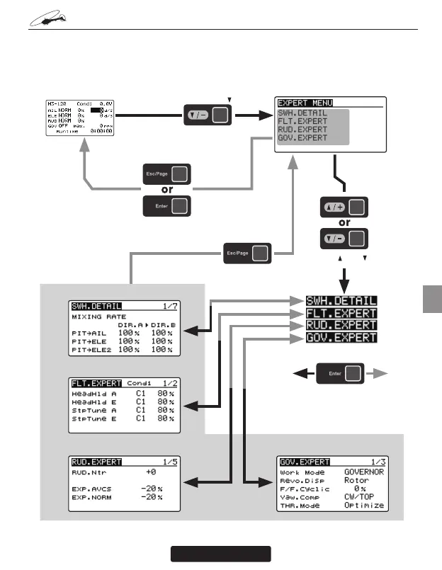
This menu enables the user to further rene the gyro and governor settings.
Home screen
EXPERT MENU screen
SWH.DETAIL screen
FLT.EXPERT screen
RUD.EXPERT screen GOV.EXPERT screen
Press the [ /+] or [ /-] key
Press the [Enter] key
Press the [Enter] key to display each
menu screen, and when the cursor is
on the title of each menu screen, press
the [Enter] key to return to the "EXPERT
MENU" screen.
Press and hold
the [Esc/Page] key
Press and hold
the [Esc/Page] key
Press and hold the [
/-] key

Related product manuals