EasyManua.ls Logo

FUTABA CGY755 - Page 48

FUTABA CGY755
112 pages
To Next Page IconTo Next Page
To Next Page IconTo Next Page
To Previous Page IconTo Previous Page
To Previous Page IconTo Previous Page
Loading...
49
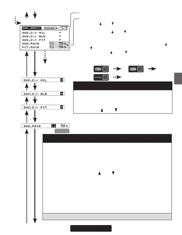
SWH. BASIC screen 3/5
Cond
From 2/5
Go to 4/5 from any
cursor position
*The current condition number of CGY is displayed.
*The setting with "C#" display can be set for each condition.
1. Use the [
/+] or [ /-] key to move the cursor to "C#" and
press the [Enter] key to enter the condition selection
mode. Use the [
/+] or [ /-] key to select the condition
number "C#" and press the [Enter] key to decide the
condition number.
2. Next, adjust value of the condition selected by the [
/+]
or [
/-] key, and press the [Enter] key to enter the setting
mode. Use the [
/+] and [ /-] keys to change the setting
value. When you are done, press the [Enter] key to exit
the setting mode.
: :
:
(7) SWS. Dir: Swash direction setting
This selects the aileron, elevator and collective pitch
direction. Reverse the direction when the stick move-
ment and swash movement are opposite. Each time
you press the [
/+] or [ /-] key, the polarity switches.
(8) SWS. Rate: Rate adjustment
The Swash Rate settings are used to set a known base cyclic throw for
the gyro to calculate the compensations and gain scale. This value does
not represent the total cyclic throw, but rather shows the gyro a known
point for the gyro to understand the helicopters geometry. It is important
to note that one setting applies to both roll and pitch axes; they are not
individually adjusted. Use the [
/+] or [ /-] key to make an adjustment.
(DUAL RATES MUST BE 100)
-Suggested amount of base cyclic pitch
*800 size – 10 degrees
*700 size – 9 degrees
*600 - 550 size – 8 degrees
*500 size – 7 degrees
*450 and below- 6 degrees
Setting ranges: 0 ~ 100% Initial value: 50%

Related product manuals