EasyManua.ls Logo

Galcon AMC-6DC - Page 14

Galcon AMC-6DC
48 pages
Print Icon
To Next Page IconTo Next Page
To Next Page IconTo Next Page
To Previous Page IconTo Previous Page
To Previous Page IconTo Previous Page
Loading...
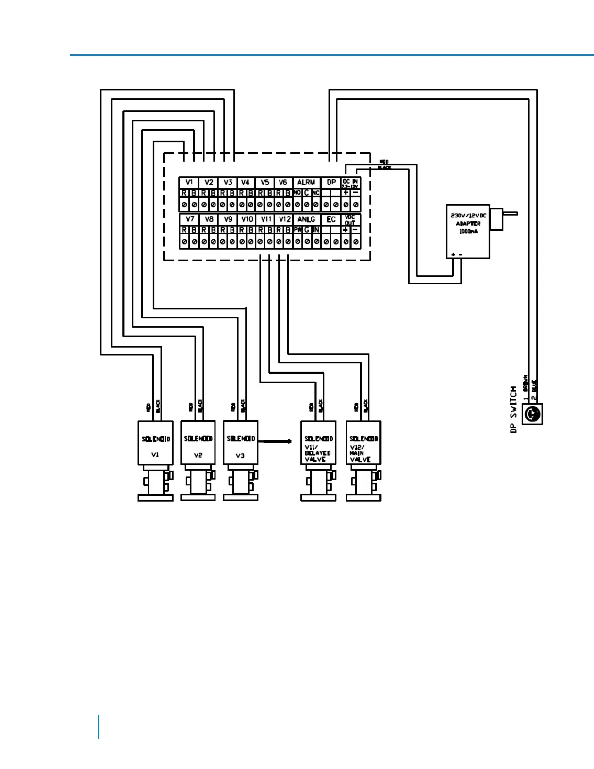
Flushing Controller Model AMC-12DC
16 AMCFlushing Controller User Guide
Installation

Related product manuals