EasyManua.ls Logo

Gamry Instruments Interface 1010 - Appendix F: Heat in Interface 1010 Multichannel Systems; Introduction to Device Power-Dissipation; Potentiostat;Galvanostat Power Model

Gamry Instruments Interface 1010
94 pages
Print Icon
To Next Page IconTo Next Page
To Next Page IconTo Next Page
To Previous Page IconTo Previous Page
To Previous Page IconTo Previous Page
Loading...
Heat in Interface 1010 Multichannel Systems
85
Appendix F: Heat in Interface 1010 Multichannel Systems
Introduction to Device Power-Dissipation
All electronic devices require power to operate. In most cases, this power generates heat within the device. The
simplest model for device power assumes the device can be modeled as a simple resistor across the power
supply inputs. This simplebut often usefulmodel ignores the details of internal power supplies within the
device, active circuitry, and power in I/O circuitry.
The power dissipated in a resistor is given by:
R
V
RIIVP
2
2
==×=
where P is power in watts, V is voltage in volts, I is current in amperes, and R is the resistance in ohms.
In this simple model, a device powered from +48 V with a power supply current of 0.1 A dissipates the same
power as a 480 Ω resistor, that is, 4.8 W.
Normally the power-supply voltage is assumed to be constant, so a device’s power depends on the current
requirements which vary with the devices operating conditions.
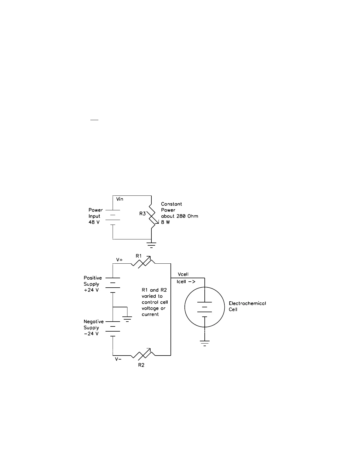
Figure F-1
Interface 1010 Simplified Power Model
Potentiostat/Galvanostat Power Model
A potentiostat requires a somewhat more sophisticated power-dissipation model. A simple potentiostat power
model can be found in Figure F-1. The electrochemical cell has a voltage Vcell that plays a role in the
instrument’s power dissipation.

Table of Contents