EasyManua.ls Logo

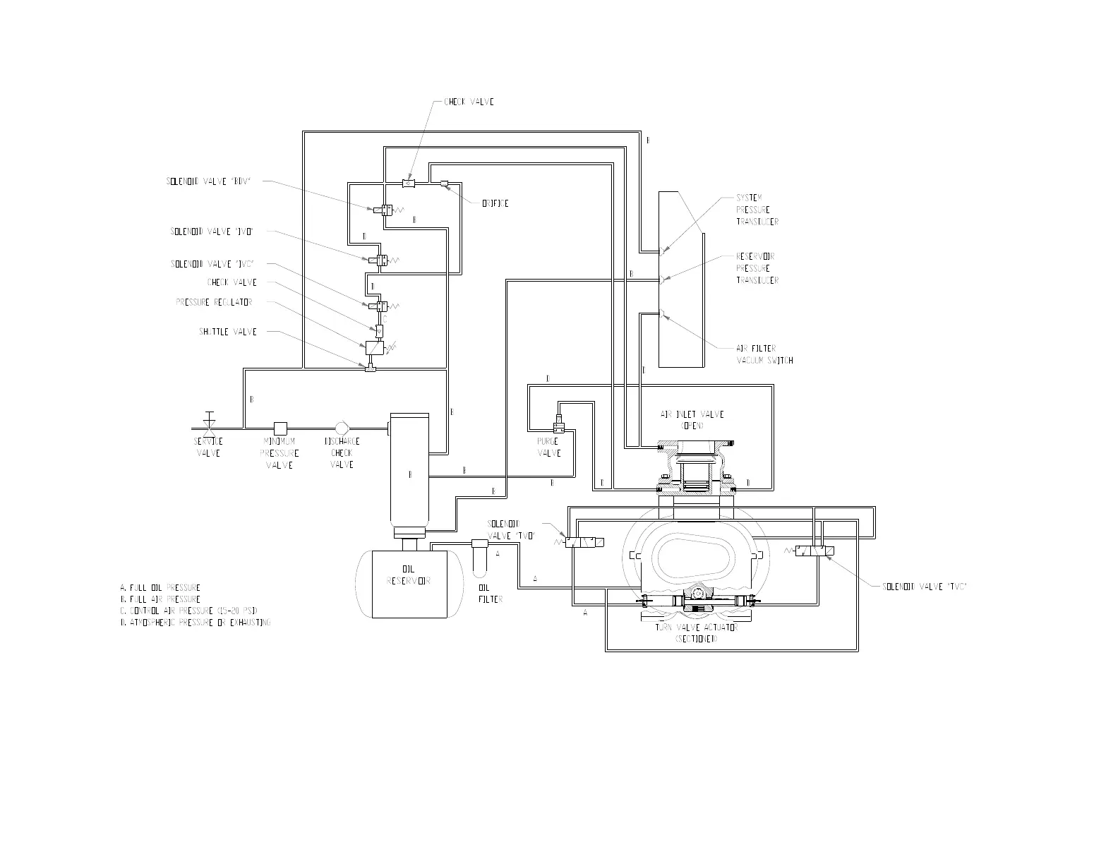
Gardner Denver EAH99C - Figure 4-10 - Control Schematic - Compressor at Full Load

Gardner Denver EAH99C
76 pages
Print Icon
To Next Page IconTo Next Page
To Next Page IconTo Next Page
To Previous Page IconTo Previous Page
To Previous Page IconTo Previous Page
Loading...
13-9-663 Page 37
Figure 4-10 – CONTROL SCHEMATIC – COMPRESSOR AT FULL LOAD
EAH, EAM & EAP UNITS ONLY
214ECM797-B
(Ref. Drawing)

Table of Contents

Related product manuals