EasyManua.ls Logo

GE DigitalFlow DF868 - Page 42

GE DigitalFlow DF868
82 pages
To Next Page IconTo Next Page
To Next Page IconTo Next Page
To Previous Page IconTo Previous Page
To Previous Page IconTo Previous Page
Loading...
Chapter 2: Initial Setup
DigitalFlow™ Multipurpose Ultrasonic Liquid Flowmeter Startup Guide (1- and 2-Channel) 32
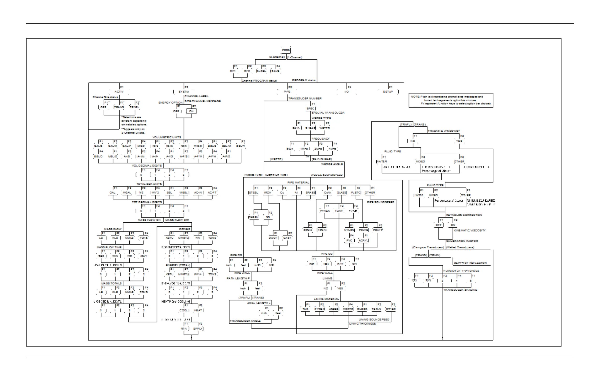
Figure 12: Model DF868 Initial Setup Menu Map with Energy Option Turned ON

Table of Contents

Other manuals for GE DigitalFlow DF868

Related product manuals