EasyManua.ls Logo

GE Multilin 369 - Additional Features

GE Multilin 369
76 pages
Print Icon
To Next Page IconTo Next Page
To Next Page IconTo Next Page
To Previous Page IconTo Previous Page
To Previous Page IconTo Previous Page
Loading...
CHAPTER 5: PRODUCT DESCRIPTION OVERVIEW
369 MOTOR MANAGEMENT RELAY – QUICKSTART GUIDE 5–59
5.1.3 Additional Features
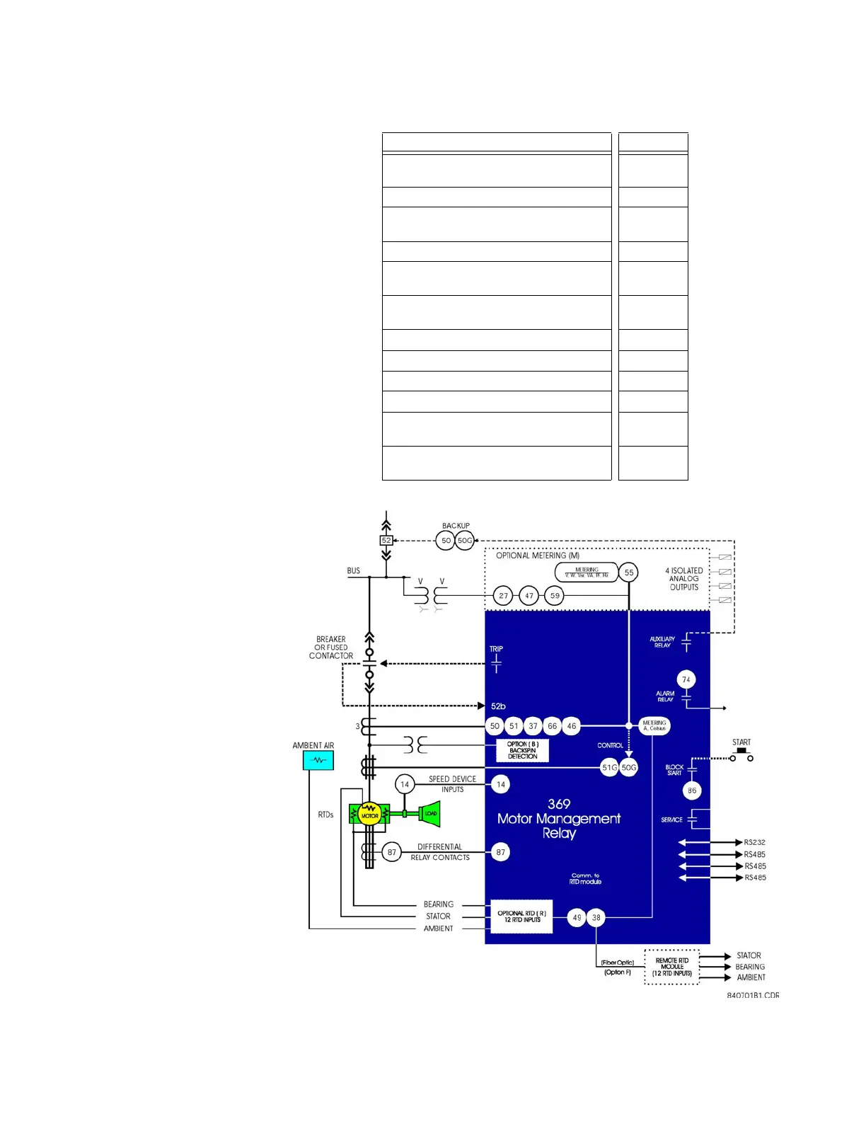
FIGURE 5–1: Single Line Diagram
FEATURE OPTION
Modbus/TCP protocol Ethernet
interface
E
Profibus-DP rear communication port P
Profibus-DPV1 rear communication
port
P1
DeviceNet protocol interface D
User Definable Baud Rate (1200-
19200)
Flash Memory for easy firmware
updates
Front RS232 communication port
Rear RS485 communication port
Rear fiber optic port F
RTD type is user definable R or RRTD
4 User Definable Analog Outputs
(0 to 1 mA, 0 to 20 mA, 4 to 20 mA)
M
Windows based PC program for
setting up and monitoring

Table of Contents

Related product manuals