EasyManua.ls Logo

GE P643 - Page 520

GE P643
592 pages
Print Icon
To Next Page IconTo Next Page
To Next Page IconTo Next Page
To Previous Page IconTo Previous Page
To Previous Page IconTo Previous Page
Loading...
E13
E17
E18
E15
E16
E14
E4
E11
E12
E9
E10
E8
E7
E5
E6
F14
E2
E3
E1
F12
F13
F11
RELAY 8
RELAY 7
RELAY 5
RELAY 6
RELAY 4
RELAY 3
CONTACT
RELAY 1
RELAY 2
CONTACT
WATCHDOG
WATCHDOG
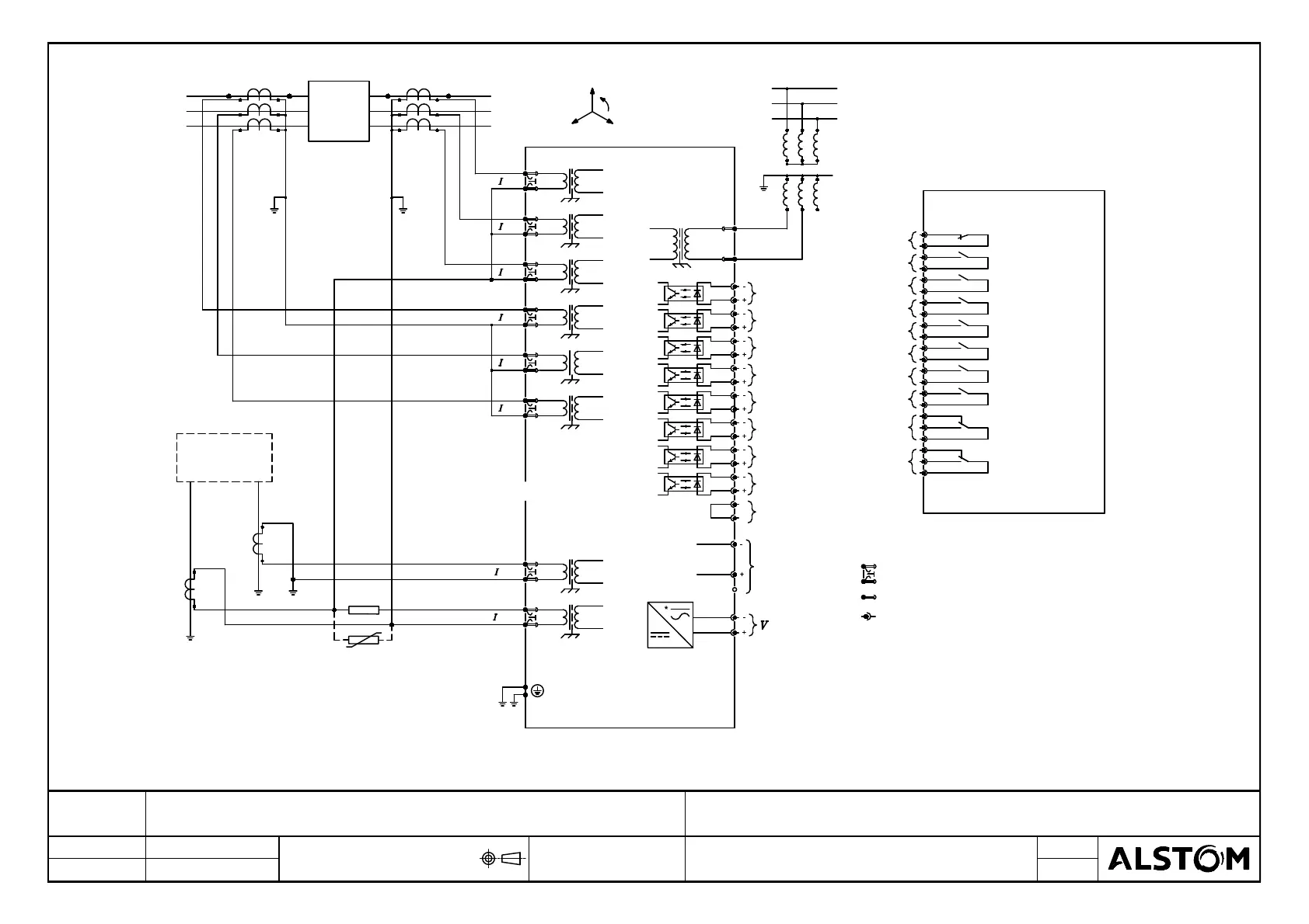
MiCOM P642 (PART)
C.T. SHORTING LINKS MAKE BEFORE (b) DISCONNECT.
2. WYE GROUND INPUTS APPLICABLE FOR GROUNDED (EARTHED) WINDINGS.
1. (a)
4. FOR COMMS OPTIONS SEE DRAWING 10Px4001.
(b)
(c)
PIN TERMINAL (P.C.B. TYPE)
TERMINAL.
NOTES:
(USED BY V/Hz W2 PROTECTION ONLY).
3. THE VT MAY BE CONNECTED ACROSS ANY PHASE-PHASE PAIR.
C19
C22
C21
C (2)
C17
C20
B (2)
A (2)
C25
C28
C27
C18
C (1)
S2
A
T2 B
C
S1
P1
A
C
B
A
PROTECTED
TRANSFORMER
C
B
P2
S2 S1
P2 P1
PHASE ROTATION
C24
C26
C23
B (1)
A (1)
T1
C B
A
POWER SUPPLY VERSION 24-48V (NOMINAL) D.C. ONLY
*
Y (HV)
C15
Y (LV)
C16
C13
C14
LV
FLUX
C3
V
C4
NOTE 2
HV
TN1
N
n
C
ca
b
NOTE 3
B
A
C
B
A
GROUNDED WYE
NEUTRAL TAILS
P2 S2
P1 S1
P2 S2
P1 S1
D18
D16
D17
D15
CONNECTION
COMMON
OPTO 8
D11
D14
D13
D12
D9
D10
D8
OPTO 7
OPTO 6
OPTO 4
OPTO 5
D4
D6
D7
D5
D2
D3
D1
OPTO 2
OPTO 3
OPTO 1
A
B
C
SEE DRAWING
10Px4001
SCN
AUX SUPPLY
F2
F1
x
AC OR DC
PORT
EIA485/
KBUS
F16
F18
F17
EARTH
CASE
COMMS
NOTE 4
C
TN2
T1
T2
R
METROSIL
ST
Drg
No:
Issue: Revision:
Date:
Date:
Name:
Chkd:
DO NOT SCALE
CAD DATA 1:1 DIMENSIONS: mm
Title:
Substation Automation Solutions
ALSTOM GRID UK LTD
(STAFFORD)
Sht:
Next
Sht:
26/05/2016 S.WOOTTON
CID SWOO-AA2EBH. VT CONNECTIONS WERE C1, C2
10P64201
2
-
EXT CONN DIAG:HIGH Z REF FOR 2 BIAS I/P TRANSFORMER DIFF
SAME PRINCIPAL APPLIES TO WIRE HIGH Z REF FOR T2
G

Table of Contents

Related product manuals