EasyManua.ls Logo

GE P643 - Page 527

GE P643
592 pages
Print Icon
To Next Page IconTo Next Page
To Next Page IconTo Next Page
To Previous Page IconTo Previous Page
To Previous Page IconTo Previous Page
Loading...
C19
C22
C21
C (2)
C17
C20
B (2)
A (2)
C25
C28
C27
C18
C (1)
S2
A
T2
B
C
S1
P1
A
C
B
A
PROTECTED
TRANSFORMER
C
B
P2
S2 S1
P2 P1
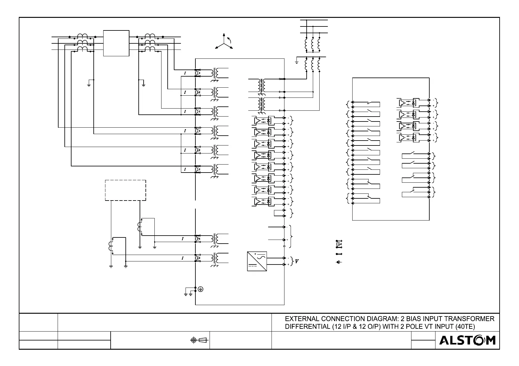
PHASE ROTATION
C24
C26
C23
B (1)
A (1)
T1
C B
A
POWER SUPPLY VERSION 24-48V (NOMINAL) D.C. ONLY
*
MiCOM P642 (PART)
Y (HV)
C15
Y (LV)
C16
C13
C14
LV
NOTE 2
HV
MiCOM P642 (PART)
GROUNDED WYE
NEUTRAL TAILS
P2 S2
P1 S1
P2 S2
P1 S1
D18
D16
D17
D15
CONNECTION
COMMON
OPTO 8
D11
D14
D13
D12
D9
D10
D8
OPTO 7
OPTO 6
OPTO 4
OPTO 5
D4
D6
D7
D5
D2
D3
D1
OPTO 2
OPTO 3
OPTO 1
A
B
C
SEE DRAWING
10Px4001
SCN
AUX SUPPLY
F2
F1
x
AC OR DC
PORT
EIA485/
KBUS
F16
F18
F17
EARTH
CASE
E1
E16
RELAY 8
E18
E17
E9
RELAY 7
RELAY 6
RELAY 5
E12
E14
E15
E13
E11
E10
RELAY 3
RELAY 4
RELAY 2
RELAY 1
E5
E7
E8
E6
E3
E4
E2
WATCHDOG
WATCHDOG
CONTACT
CONTACT
F14
F12
F13
F11
B11
B15
B16
B18
B17
B12
B14
B13
RELAY 12
RELAY 10
RELAY 11
B10
B9
B6
B8
B7
B2
B3
B5
B4
B1
RELAY 9
OPTO 12
OPTO 11
OPTO 9
OPTO 10
PIN TERMINAL (P.C.B. TYPE)
TERMINAL.(b)
(c)
C.T. SHORTING LINKS MAKE BEFORE (b) DISCONNECT.(a)
NOTES:
1.
4. FOR COMMS OPTIONS SEE DRAWING 10Px4001.
2. WYE GROUND INPUTS APPLICABLE FOR GROUNDED (EARTHED) WINDINGS.
COMMS
NOTE 4
C4
C3
N
n
C
ca
b
NOTE 3
B
A
C
B
A
C1
C2
C3-C4 AND C1-C2 ARE USED BY THE NPS OVERVOLTAGE AND VCO PROTECTIONS.
3. C3-C4 ARE USED BY V/Hz W2 PROTECTION. C1-C2 IS OPTIONAL.
THEY ALSO MAY DIRECTIONALIZE THE OVERCURRENT, EARTH FAULT AND
NPS OVERCURRENT ELEMENTS.
T2
T1
TN1
TN2
OPTIONAL
flux
V
ab
V
Drg
No:
Issue: Revision:
Date:
Date:
Name:
Chkd:
DO NOT SCALE
CAD DATA 1:1 DIMENSIONS: mm
Title:
Substation Automation Solutions
ALSTOM GRID UK LTD
(STAFFORD)
Sht:
Next
Sht:
22/08/2016 S.WOOTTON
CID SWOO-ACUGQ4. C1, C2 'VFLUX' is to be 'Vab OPTIONAL'. C4, C3 'Vbc OPTIONAL' to be Vflux'
10P64209
1
-
G
G.KAPOOR

Table of Contents

Related product manuals