EasyManua.ls Logo

GE P643 - Page 541

GE P643
592 pages
Print Icon
To Next Page IconTo Next Page
To Next Page IconTo Next Page
To Previous Page IconTo Previous Page
To Previous Page IconTo Previous Page
Loading...
PHASE ROTATION
SEE SHEET 2 FOR NOTES
S1
P2
S2
E28
E27
C (3)
E23
E25
E26
B (3)
A (3)
NOTE 2
B (2)
E24
C19
C21
C22
C (2)
C18
C20
C17
C27
A (2)
P2
B
TRANSFORMER
AC B
T2
C
A
T1
B
C23
C28
C26
C25
C (1)
B (1)
C24
A (1)
C
C
S1S2
P1
A
OPTO 16
COMMON
CONNECTION
MiCOM P643 (PART)
F17
F18
F16
D9
OPTO 5
OPTO 6
COMMON
CONNECTION
OPTO 7
OPTO 8
OPTO 10
OPTO 11
OPTO 9
OPTO 14
OPTO 13
OPTO 15
OPTO 12
F3
F14
F15
F13
F11
F12
F10
F8
F9
F7
F5
F6
F4
D15
D16
D17
D18
F2
F1
D11
D13
D12
D14
D10
OPTO 2
OPTO 3
OPTO 1
OPTO 4
B
D3
D6
D8
D7
D5
D4
D2
D1
A
P1 P2
S2S1
PROTECTED
T3
C
A
B
CASE
EARTH
B
C
A
G17
RELAY 16
G18
H6
RELAY 3
G2
RELAY 10
RELAY 11
RELAY 12
RELAY 14
RELAY 15
RELAY 13
G10
G11
G12
G14
G16
G15
G13
G6
G8
G9
G7
G4
G5
G3
RELAY 4
RELAY 5
RELAY 6
RELAY 8
RELAY 9
RELAY 7
H13
H14
H16
H15
H18
H17
G1
H11
H10
H12
H8
H9
H7
J17
NOTE 7
COMMS
J16
SCN
J2
J1
J18
SEE DRAWING
10Px4001
PORT
AC OR DC
AUX SUPPLY
x
KBUS
EIA485/
MiCOM P643 (PART)
WATCHDOG
CONTACT
RELAY 1
WATCHDOG
RELAY 2
CONTACT
H2
H4
H5
H3
H1
J13
J14
J11
J12
P1
POWER SUPPLY VERSION 24-48V (NOMINAL) D.C. ONLY
*
RELAY 17
RELAY 19
RELAY 18
RELAY 20
HIGH BREAK
CONTACTS
B16
B15
B12
B11
B8
B7
B4
B3
T1
T2
T3
Drg
No:
Issue: Revision:
Date:
Date:
Name:
Chkd:
DO NOT SCALE
CAD DATA 1:1 DIMENSIONS: mm
Title:
Substation Automation Solutions
ALSTOM GRID UK LTD
(STAFFORD)
Sht:
Next
Sht:
04/12/2013 H.ONG
CID HONG-9CRNL3
10P64306
1
2
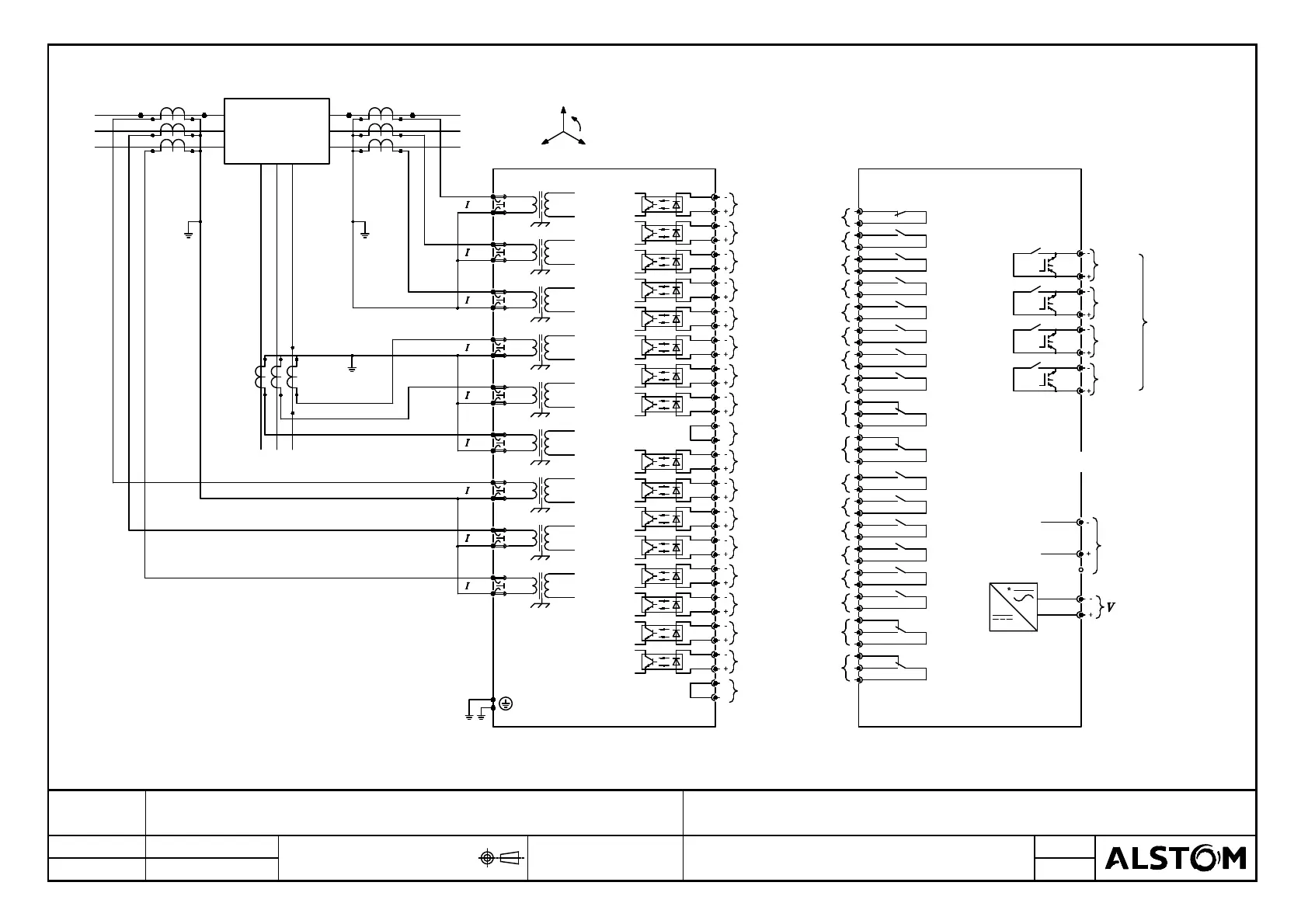
EXTERNAL CONNECTION DIAGRAM: 3 BIAS INPUT TRANSFORMER
DIFFERENTIAL (16 I/P 20 O/P) WITH 4 POLE VT INPUT (60TE)
F

Table of Contents

Related product manuals