EasyManua.ls Logo

GE P643 - Page 544

GE P643
592 pages
Print Icon
To Next Page IconTo Next Page
To Next Page IconTo Next Page
To Previous Page IconTo Previous Page
To Previous Page IconTo Previous Page
Loading...
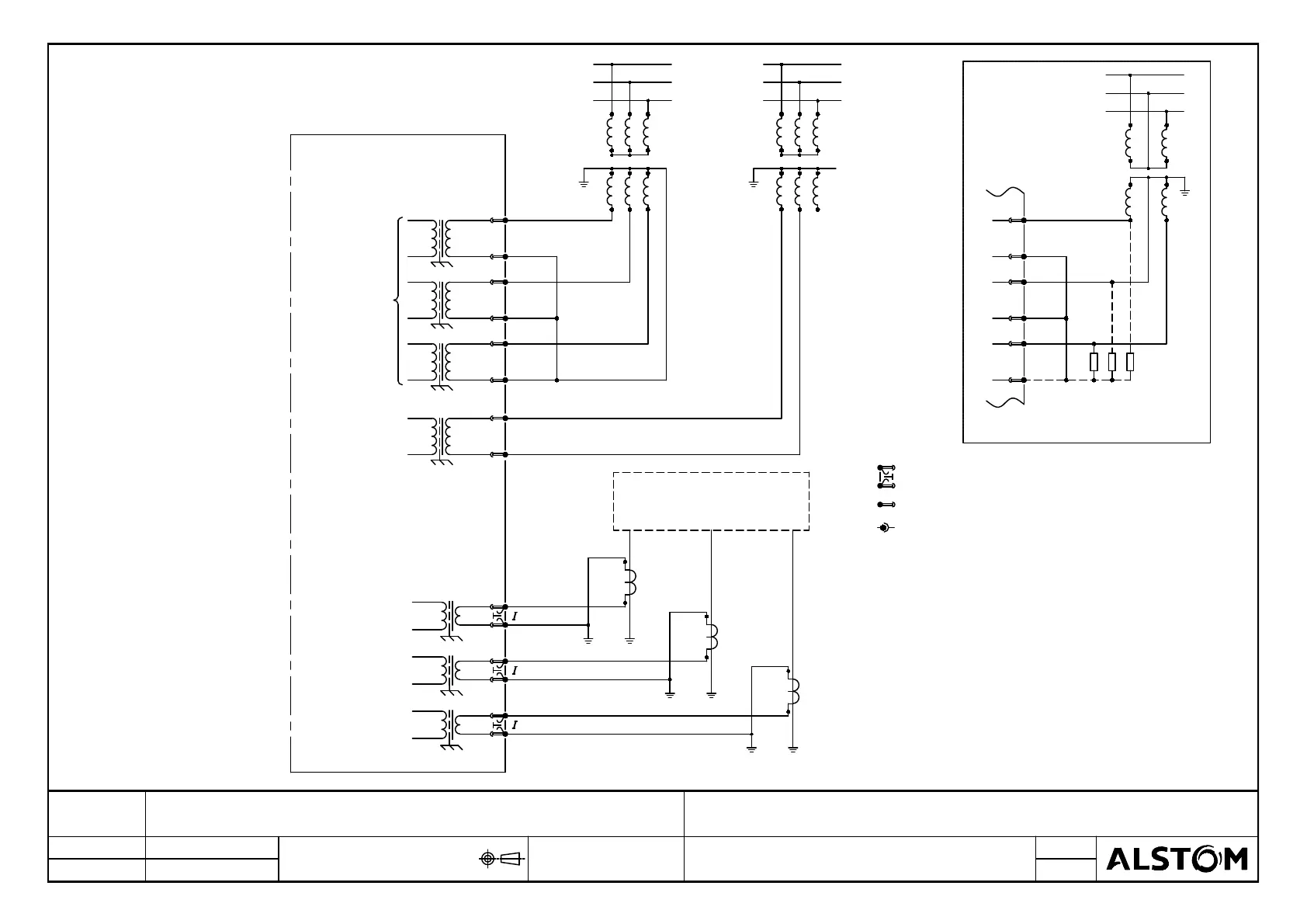
6. THE VT STAR POINT MUST BE MADE EXTERNALLY AS SHOWN.
(USED BY V/Hz W1 PROTECTION AND OTHER VOLTAGE PROTECTION).
8. DERIVED NEUTRAL POINT. SEE P64X/EN T/- - FOR DETAILS OF RESISTORS.
7. THE MONITORED THREE PHASE VOLTAGE MAY BE CONNECTED HV, TV OR LV SIDE.
(USED BY V/Hz W2 PROTECTION ONLY).
TERMINAL.
5. FOR COMMS OPTIONS SEE DRAWING 10Px4001.
IS ALWAYS AN HV WINDING CONNECTION.
C.T. SHORTING LINKS MAKE BEFORE (b) DISCONNECT.
PIN TERMINAL (P.C.B. TYPE)
4. THE VT MAY BE CONNECTED ACROSS ANY PHASE-PHASE PAIR.
3. WYE GROUND INPUTS APPLICABLE FOR GROUNDED (EARTHED) WINDINGS.
2. SEE TABLE 1 FOR BIAS ASSIGNMENT TO ACTUAL WINDINGS. T1
(b)
(c)
(a)
NOTES:
1.
GROUNDED WYE
D15
Y (HV)
TV
S1
D16
D13
Y (LV)
D11
D14
Y (TV)
D12
S2
P1
NEUTRAL TAILS
P2
LV
NOTE 3
HV
MiCOM P643 (PART)
F3
FLUX
V
F4
F1
V
N
F2
D3
V
C
D1
D4
V
B
NOTE 6
NOTE 7
D2
A
V
n
b
a c
N
BA
C
n
C
N
NOTE 4
b
a c
BA
C
C
B
A
B
A
P1S1
P2S2
S1 P1
S2 P2
OPTIONAL
N
F1
V
C
V
F2
D3
D1
B
D4
V
A
D2
V
C
A
B
A
a
b
c
C
B
NOTE 8
VEE CONNECTED VTs (ALTERNATIVE)
TN3
TN2
TN1
Drg
No:
Issue: Revision:
Date:
Date:
Name:
Chkd:
DO NOT SCALE
CAD DATA 1:1 DIMENSIONS: mm
Title:
Substation Automation Solutions
ALSTOM GRID UK LTD
(STAFFORD)
Sht:
Next
Sht:
14/07/2014 S.WOOTTON
CID SWOO-9LNAWE. TABLE 1 REMOVED. NOTES 5&6 REMOVED.
10P64307
2
-
EXTERNAL CONNECTION DIAGRAM: 3 BIAS INPUT TRANSFORMER
DIFFERENTIAL (40 I/O & 24 O/P) WITH 4 POLE VT INPUTS (80TE)
D

Table of Contents

Related product manuals