EasyManua.ls Logo

GE P643 - Page 549

GE P643
592 pages
Print Icon
To Next Page IconTo Next Page
To Next Page IconTo Next Page
To Previous Page IconTo Previous Page
To Previous Page IconTo Previous Page
Loading...
PHASE ROTATION
SEE SHEET 2 FOR NOTES
EARTH
CASE
B
T3
C
A
S1
P1
P2
S2
F28
F27
C (3)
F26
F25
F23
B (3)
A (3)
NOTE 2
B (2)
D22
D21
D19
F24
C (2)
D27
D17
D20
D18
A (2)
B
TRANSFORMER
B
C
C B
T2
A
C
S1
P1 P2
S2
A
PROTECTED
A
B
T1
D23
D25
D26
D28
C (1)
B (1)
D24
A (1)
C
C
S2
P2 P1
S1
A
OPTO 16
POWER SUPPLY VERSION 24-48V (NOMINAL) D.C. ONLY
CONNECTION
COMMON
MiCOM P643 (PART)
G16
G18
G17
*
E9
OPTO 12
OPTO 15
OPTO 13
OPTO 14
OPTO 9
OPTO 11
OPTO 10
OPTO 8
OPTO 7
CONNECTION
COMMON
OPTO 6
OPTO 5
G3
G10
G12
G11
G13
G15
G14
G4
G6
G5
G7
G9
G8
E15
G1
G2
E18
E17
E16
E10
E14
E12
E13
E11
RELAY 7
RELAY 8
RELAY 6
RELAY 5
RELAY 4
RELAY 3
L13
L17
L18
L15
L16
L14
L7
L9
L8
L12
L10
L11
L6
OPTO 4
OPTO 1
OPTO 3
OPTO 2
B
E3
E4
E5
E7
E8
E6
E1
E2
A
CONTACT
RELAY 2
WATCHDOG
RELAY 1
CONTACT
WATCHDOG
M12
M14
M13
L1
L3
L5
L4
L2
M11
RTD 3B8
RTD 10
EIA485/
KBUS
AUX SUPPLY
AC OR DC
PORT
10Px4001
SEE DRAWING
M16
SCN
M2
M1
x
M18
M17
COMMS
NOTE 7
B29
B30
B28
B9
RTD 1
RTD 2
MiCOM P643 (PART)
B4
B6
B7
B5
B2
B3
B1
OPTO 24
CONNECTION
COMMON
H16
H18
H17
OPTO 20
OPTO 23
OPTO 21
OPTO 22
OPTO 17
OPTO 19
OPTO 18
H3
H10
H12
H11
H13
H15
H14
H4
H6
H5
H7
H9
H8
H1
H2
CLIO
C16
INPUTS & OUTPUTS
CURRENT LOOP
NOTE 11
20mA
20mA
20mA
20mA
C24
C28
C29
C30
C25
C26
C20
C21
C22
C17
C18
INPUT 3
INPUT 41mA
1mA
INPUT 1
INPUT 21mA
1mA
20mA
20mA
20mA
20mA
C13
C14
C15
C9
C11
C10
C5
C7
C6
C2
C3
C1
OUTPUT 4
OUTPUT 3
1mA
1mA
OUTPUT 1
OUTPUT 21mA
1mA
OPTO 40
COMMON
CONNECTION
K17
K18
K16
K3
OPTO 37
OPTO 39
OPTO 38
K14
K15
K13
K11
K12
K10
OPTO 35
OPTO 34
OPTO 36
K8
K9
K7
K5
K6
K4
OPTO 33
K2
K1
OPTO 32
COMMON
CONNECTION
J17
J18
J16
J3
OPTO 29
OPTO 31
OPTO 30
J14
J15
J13
J11
J12
J10
OPTO 27
OPTO 26
OPTO 28
J8
J9
J7
J5
J6
J4
OPTO 25
J2
J1
T1
T2
T3
Drg
No:
Issue: Revision:
Date:
Date:
Name:
Chkd:
DO NOT SCALE
CAD DATA 1:1 DIMENSIONS: mm
Title:
Substation Automation Solutions
ALSTOM GRID UK LTD
(STAFFORD)
Sht:
Next
Sht:
05/12/2013 H.ONG
CID HONG-9CRNL3
10P64310
1
2
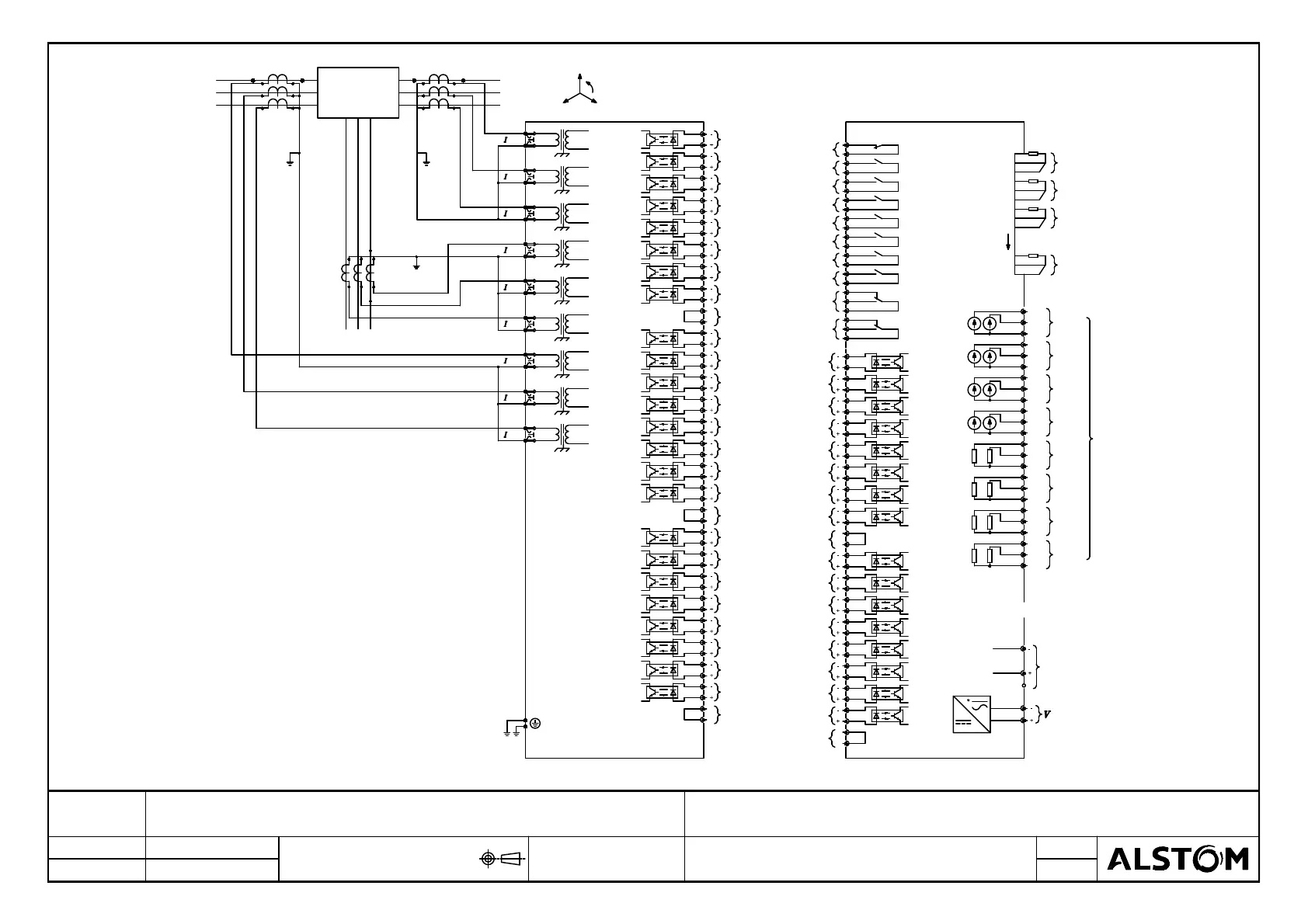
EXTERNAL CONNECTION DIAGRAM: 3 BIAS INPUT TRANSFORMER
DIFFERENTIAL (40 I/O & 8 O/P+RTD+CLIO) WITH 4 POLE VT I/P (80TE)
C

Table of Contents

Related product manuals