EasyManua.ls Logo

GE P643 - Page 551

GE P643
592 pages
Print Icon
To Next Page IconTo Next Page
To Next Page IconTo Next Page
To Previous Page IconTo Previous Page
To Previous Page IconTo Previous Page
Loading...
PHASE ROTATION
SEE SHEET 2 FOR NOTES
S1
P2
S2
F28
F27
C (3)
F23
F25
F26
B (3)
A (3)
NOTE 2
B (2)
F24
D19
D21
D22
C (2)
D18
D20
D17
D27
A (2)
P2
B
TRANSFORMER
AC B
T2
C
A
T1
B
D23
D28
D26
D25
C (1)
B (1)
D24
A (1)
C
C
S1S2
P1
A
OPTO 16
COMMON
CONNECTION
MiCOM P643 (PART)
G17
G18
G16
E9
OPTO 5
OPTO 6
COMMON
CONNECTION
OPTO 7
OPTO 8
OPTO 10
OPTO 11
OPTO 9
OPTO 14
OPTO 13
OPTO 15
OPTO 12
G3
G14
G15
G13
G11
G12
G10
G8
G9
G7
G5
G6
G4
E15
E16
E17
E18
G2
G1
E11
E13
E12
E14
E10
OPTO 2
OPTO 3
OPTO 1
OPTO 4
B
E3
E6
E8
E7
E5
E4
E2
E1
A
P1 P2
S2S1
PROTECTED
T3
C
A
B
CASE
EARTH
B
C
A
K17
RELAY 16
K18
L6
RELAY 3
K2
RELAY 10
RELAY 11
RELAY 12
RELAY 14
RELAY 15
RELAY 13
K10
K11
K12
K14
K16
K15
K13
K6
K8
K9
K7
K4
K5
K3
RELAY 4
RELAY 5
RELAY 6
RELAY 8
RELAY 9
RELAY 7
L13
L14
L16
L15
L18
L17
K1
L11
L10
L12
L8
L9
L7
M17
NOTE 7
COMMS
M16
SCN
M2
M1
M18
SEE DRAWING
10Px4001
PORT
AC OR DC
AUX SUPPLY
x
KBUS
EIA485/
MiCOM P643 (PART)
WATCHDOG
CONTACT
RELAY 1
WATCHDOG
RELAY 2
CONTACT
L2
L4
L5
L3
L1
M13
M14
M11
M12
P1
POWER SUPPLY VERSION 24-48V (NOMINAL) D.C. ONLY
*
OPTO 24
COMMON
CONNECTION
H17
H18
H16
OPTO 18
OPTO 19
OPTO 17
OPTO 22
OPTO 21
OPTO 23
OPTO 20
H3
H14
H15
H13
H11
H12
H10
H8
H9
H7
H5
H6
H4
H2
H1
RELAY 17
RELAY 19
RELAY 18
RELAY 20
J16
J15
J12
J11
J8
J7
J4
J3
C9
OPTO 29
OPTO 30
COMMON
CONNECTION
OPTO 31
OPTO 32
C15
C16
C17
C18
C11
C13
C12
C14
C10
OPTO 26
OPTO 27
OPTO 25
OPTO 28
C3
C6
C8
C7
C5
C4
C2
C1
OPTO 40
COMMON
CONNECTION
B17
B18
B16
OPTO 34
OPTO 35
OPTO 33
OPTO 38
OPTO 37
OPTO 39
OPTO 36
B3
B14
B15
B13
B11
B12
B10
B8
B9
B7
B5
B6
B4
B2
B1
T1
T2
T3
Drg
No:
Issue: Revision:
Date:
Date:
Name:
Chkd:
DO NOT SCALE
CAD DATA 1:1 DIMENSIONS: mm
Title:
Substation Automation Solutions
ALSTOM GRID UK LTD
(STAFFORD)
Sht:
Next
Sht:
10/12/2013 H.ONG
CID HONG-9CRNL3
10P64311
1
2
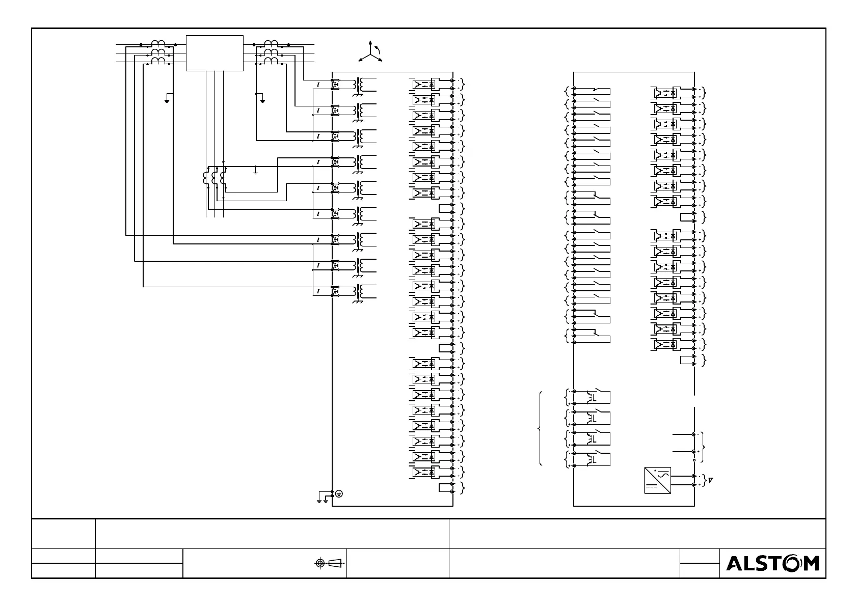
EXTERNAL CONNECTION DIAGRAM: 3 BIAS INPUT TRANSFORMER
DIFFERENTIAL (40 I/O & 20 O/P) WITH 4 POLE VT INPUTS (80TE)
C

Table of Contents

Related product manuals