EasyManua.ls Logo

GE P643 - Page 553

GE P643
592 pages
Print Icon
To Next Page IconTo Next Page
To Next Page IconTo Next Page
To Previous Page IconTo Previous Page
To Previous Page IconTo Previous Page
Loading...
PHASE ROTATION
SEE SHEET 2 FOR NOTES
EARTH
CASE
B
T3
C
A
S1
P1
P2
S2
F28
F27
C (3)
F26
F25
F23
B (3)
A (3)
NOTE 2
B (2)
D22
D21
D19
F24
C (2)
D27
D17
D20
D18
A (2)
B
TRANSFORMER
B
C
C B
T2
A
C
S1
P1 P2
S2
A
PROTECTED
A
B
T1
D23
D25
D26
D28
C (1)
B (1)
D24
A (1)
C
C
S2
P2 P1
S1
A
POWER SUPPLY VERSION 24-48V (NOMINAL) D.C. ONLY
*
RELAY 7
RELAY 8
RELAY 6
RELAY 5
RELAY 4
RELAY 3
L13
L17
L18
L15
L16
L14
L7
L9
L8
L12
L10
L11
L6
B
A
CONTACT
RELAY 2
WATCHDOG
RELAY 1
CONTACT
WATCHDOG
M12
M14
M13
L1
L3
L5
L4
L2
M11
RTD 3
B8
RTD 10
EIA485/
KBUS
AUX SUPPLY
AC OR DC
PORT
10Px4001
SEE DRAWING
M16
SCN
M2
M1
x
M18
M17
COMMS
NOTE 7
B29
B30
B28
B9
RTD 1
RTD 2
MiCOM P643 (PART)
B4
B6
B7
B5
B2
B3
B1
OPTO 16
COMMON
CONNECTION
MiCOM P643 (PART)
G17
G18
G16
E9
OPTO 5
OPTO 6
COMMON
CONNECTION
OPTO 7
OPTO 8
OPTO 10
OPTO 11
OPTO 9
OPTO 14
OPTO 13
OPTO 15
OPTO 12
G3
G14
G15
G13
G11
G12
G10
G8
G9
G7
G5
G6
G4
E15
E16
E17
E18
G2
G1
E11
E13
E12
E14
E10
OPTO 2
OPTO 3
OPTO 1
OPTO 4
E3
E6
E8
E7
E5
E4
E2
E1
OPTO 24
COMMON
CONNECTION
H17
H18
H16
OPTO 18
OPTO 19
OPTO 17
OPTO 22
OPTO 21
OPTO 23
OPTO 20
H3
H14
H15
H13
H11
H12
H10
H8
H9
H7
H5
H6
H4
H2
H1
RELAY 9
RELAY 11
RELAY 10
RELAY 12
K16
K15
K12
K11
K8
K7
K4
K3
OPTO 40
COMMON
CONNECTION
C17
C18
C16
OPTO 34
OPTO 35
OPTO 33
OPTO 38
OPTO 37
OPTO 39
OPTO 36
C3
C14
C15
C13
C11
C12
C10
C8
C9
C7
C5
C6
C4
C2
C1
OPTO 32
CONNECTION
COMMON
J16
J18
J17
OPTO 28
OPTO 31
OPTO 29
OPTO 30
OPTO 25
OPTO 27
OPTO 26
J3
J10
J12
J11
J13
J15
J14
J4
J6
J5
J7
J9
J8
J1
J2
T1
T2
T3
Drg
No:
Issue: Revision:
Date:
Date:
Name:
Chkd:
DO NOT SCALE
CAD DATA 1:1 DIMENSIONS: mm
Title:
Substation Automation Solutions
ALSTOM GRID UK LTD
(STAFFORD)
Sht:
Next
Sht:
10/12/2013 H.ONG
CID HONG-9CRNL3
10P64312
1
2
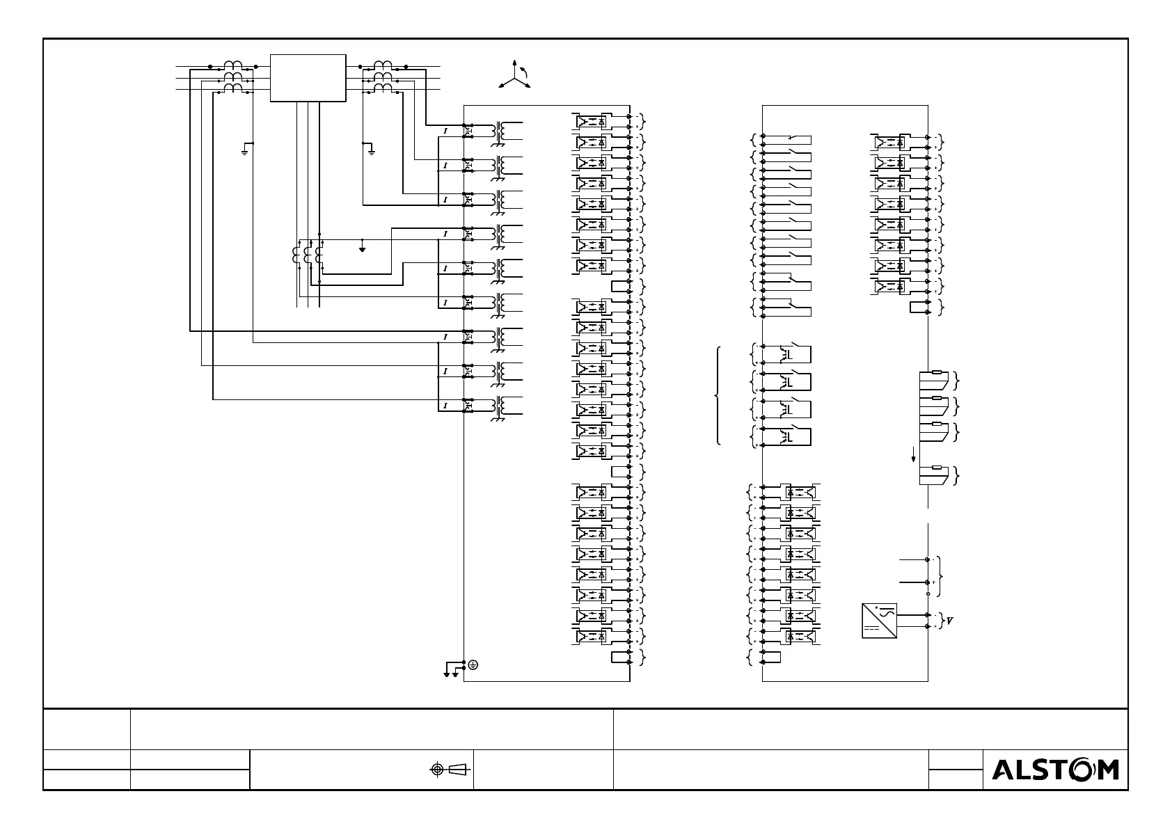
EXTERNAL CONNECTION DIAGRAM: 3 BIAS INPUT TRANSFORMER
DIFFERENTIAL (40 I/O & 12 O/P+RTD) WITH 4 POLE VT INPUTS (80TE)
C

Table of Contents

Related product manuals