EasyManua.ls Logo

GE P643 - Page 555

GE P643
592 pages
Print Icon
To Next Page IconTo Next Page
To Next Page IconTo Next Page
To Previous Page IconTo Previous Page
To Previous Page IconTo Previous Page
Loading...
PHASE ROTATION
SEE SHEET 2 FOR NOTES
P1
B
T3
C
A
P2
P1
NOTE 2
S1
S2
A (3)
C (3)
B (3)
F28
F27
F26
F25
F23
A (2)
B (2)
C (2)
D21
F24
D22
D19
D20
D17
D18
D27
S2
BB
TRANSFORMER
C
T2
BC A
C
PROTECTED
S2S1
P2
A A
P2
B
T1
A (1)
B (1)
C (1)
C
D23
D28
D25
D26
D24
C
P1
S1
A
A
POWER SUPPLY VERSION 24-48V (NOMINAL) D.C. ONLY
*
L6
RELAY 3
L10
L12
L14
L13
L11
L16
L18
L17
L15
RELAY 7
RELAY 8
RELAY 4
RELAY 5
RELAY 6
L8
L9
L7
B
MiCOM P643 (PART)
M12
M11
M14
M13
CONTACT
RELAY 1
RELAY 2
CONTACT
WATCHDOG
L2
L4
L5
L3
L1
WATCHDOG
CLIO
B16
INPUTS & OUTPUTS
CURRENT LOOP
NOTE 11
NOTE 7
COMMS
M18
M1
M2
SCN
M16
SEE DRAWING
10Px4001
M17
PORT
AC OR DC
AUX SUPPLY
x
EIA485/
KBUS
20mA
20mA
20mA
20mA
B24
B28
B29
B30
B25
B26
B20
B21
B22
B17
B18
INPUT 3
INPUT 41mA
1mA
INPUT 1
INPUT 2
1mA
1mA
20mA
20mA
20mA
20mA
B13
B14
B15
B9
B11
B10
B5
B7
B6
B2
B3
B1
OUTPUT 4
OUTPUT 3
1mA
1mA
OUTPUT 1
OUTPUT 2
1mA
1mA
EARTH
CASE
OPTO 16
COMMON
CONNECTION
MiCOM P643 (PART)
G17
G18
G16
E9
OPTO 5
OPTO 6
COMMON
CONNECTION
OPTO 7
OPTO 8
OPTO 10
OPTO 11
OPTO 9
OPTO 14
OPTO 13
OPTO 15
OPTO 12
G3
G14
G15
G13
G11
G12
G10
G8
G9
G7
G5
G6
G4
E15
E16
E17
E18
G2
G1
E11
E13
E12
E14
E10
OPTO 2
OPTO 3
OPTO 1
OPTO 4
E3
E6
E8
E7
E5
E4
E2
E1
OPTO 24
COMMON
CONNECTION
H17
H18
H16
OPTO 18
OPTO 19
OPTO 17
OPTO 22
OPTO 21
OPTO 23
OPTO 20
H3
H14
H15
H13
H11
H12
H10
H8
H9
H7
H5
H6
H4
H2
H1
RELAY 9
RELAY 11
RELAY 10
RELAY 12
K16
K15
K12
K11
K8
K7
K4
K3
OPTO 32
CONNECTION
COMMON
J16
J18
J17
OPTO 28
OPTO 31
OPTO 29
OPTO 30
OPTO 25
OPTO 27
OPTO 26
J3
J10
J12
J11
J13
J15
J14
J4
J6
J5
J7
J9
J8
J1
J2
OPTO 40
COMMON
CONNECTION
C17
C18
C16
OPTO 34
OPTO 35
OPTO 33
OPTO 38
OPTO 37
OPTO 39
OPTO 36
C3
C14
C15
C13
C11
C12
C10
C8
C9
C7
C5
C6
C4
C2
C1
T1
T2
T3
Drg
No:
Issue: Revision:
Date:
Date:
Name:
Chkd:
DO NOT SCALE
CAD DATA 1:1 DIMENSIONS: mm
Title:
Substation Automation Solutions
ALSTOM GRID UK LTD
(STAFFORD)
Sht:
Next
Sht:
10/12/2013 H.ONG
CID HONG-9CRNL3
10P64313
1
2
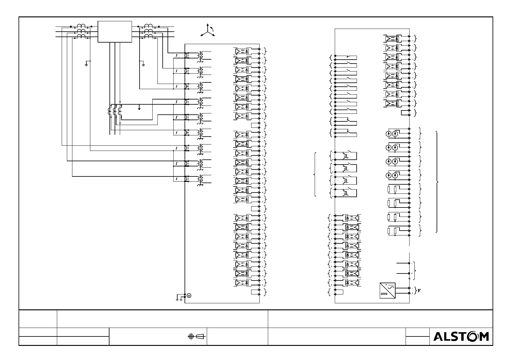
EXTERNAL CONNECTION DIAGRAM: 3 BIAS INPUT TRANSFORMER
DIFFERENTIAL (40 I/O & 12 O/P+CLIO) WITH 4 POLE VT INPUTS (80TE)
C

Table of Contents

Related product manuals