EasyManua.ls Logo

GE P643 - Page 557

GE P643
592 pages
Print Icon
To Next Page IconTo Next Page
To Next Page IconTo Next Page
To Previous Page IconTo Previous Page
To Previous Page IconTo Previous Page
Loading...
MiCOM P645 (PART)
H12
H14
H13
H16
H18
H17
H15
G1
G3
G2
G5
G7
G6
G4
G9
G11
G10
G12
G14
G13
G16
G18
G17
G15
G8
RELAY 12
RELAY 16
RELAY 13
RELAY 14
RELAY 15
RELAY 9
RELAY 11
RELAY 10
RELAY 6
RELAY 7
RELAY 8
J12
J13
H1
H3
H2
J14
H5
H7
H6
H9
H11
H10
H8
H4
J11
RELAY 2
RELAY 3
RELAY 5
RELAY 4
CONTACT
CONTACT
WATCHDOG
WATCHDOG
RELAY 1
10Px4001.
J1
J2
J18
J16
SCN
SEE DRAWING
COMMS
J17
NOTE 7
EIA485/
AC OR DC
AUX SUPPLY
x
KBUS
PORT
MiCOM P645 (PART)
P1
P2
SEE SHEET 2 FOR NOTES
S1
E13
E16
E15
C (5)
E12
E14
E11
E21
E20
E19
E22
B (5)
A (5)
C (4)
B (4)
T5
B
C
S1
P1 P2
S2
A
S2
P1
P2
S1
S2
P1
P2
S1
S2
NOTE 2
E23
E25
E26
E27
E18
E17
E28
A (4)
C (3)
B (3)
A (3)
C27
C18
C17
C20
C19
C22
E24
C21
B (2)
C (2)
A (2)
B
PROTECTED TRANSFORMER
T4
C B A
T3
C B A
T2
BC A
C
A
P2
S2
T1
B
C24
C26
C25
C28
C23
C (1)
B (1)
A (1)
C
PHASE ROTATION
C B
P1
S1
A
A
EARTH
CASE
F11
F13
F12
F16
F15
F14
F18
F17
COMMON
CONNECTION
OPTO 14
OPTO 15
OPTO 16
D4
D17
F1
D18
F2
F4
F3
F5
F7
F6
F8
F10
F9
OPTO 11
OPTO 13
OPTO 12
COMMON
OPTO 10
OPTO 9
CONNECTION
D5
D6
D8
D9
D7
D11
D13
D12
D14
D16
D15
D10
OPTO 6
OPTO 7
OPTO 8
OPTO 3
OPTO 5
OPTO 4
D2
D3
D1
OPTO 2
OPTO 1
POWER SUPPLY VERSION 24-48V (NOMINAL) D.C. ONLY
*
T1
T2
T3
T4
T5
Drg
No:
Issue: Revision:
Date:
Date:
Name:
Chkd:
DO NOT SCALE
CAD DATA 1:1 DIMENSIONS: mm
Title:
Substation Automation Solutions
ALSTOM GRID UK LTD
(STAFFORD)
Sht:
Next
Sht:
10/12/2013 H.ONG
CID HONG-9CRNL3
10P64501
1
2
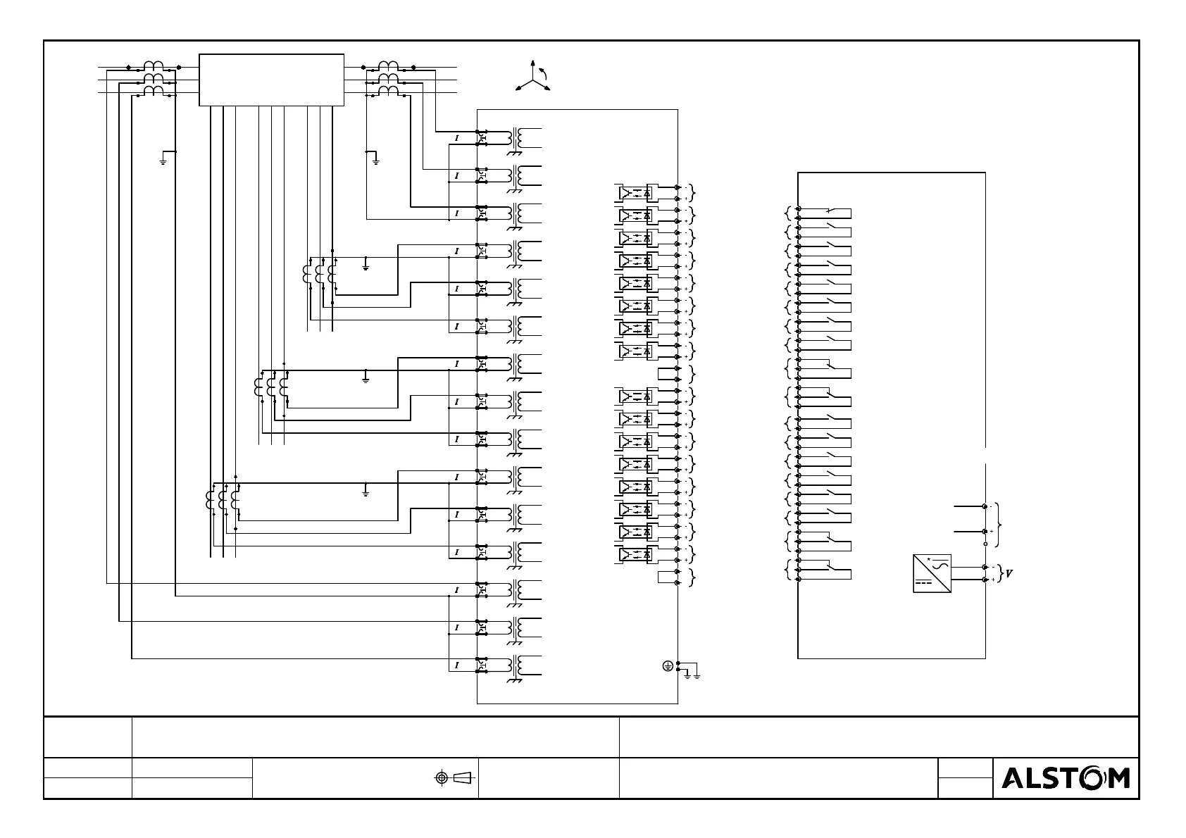
EXTERNAL CONNECTION DIAGRAM: 5 BIAS INPUT TRANSFORMER
DIFFERENTIAL (16 I/P & 16 O/P) WITH 4 POLE VT INPUTS (60TE)
E

Table of Contents

Related product manuals