EasyManua.ls Logo

GE P643 - Page 560

GE P643
592 pages
Print Icon
To Next Page IconTo Next Page
To Next Page IconTo Next Page
To Previous Page IconTo Previous Page
To Previous Page IconTo Previous Page
Loading...
SEE SHEET 2 FOR NOTES
RELAY 13
POWER SUPPLY VERSION 24-48V (NOMINAL) D.C. ONLY
OPTO 16
OPTO 15
OPTO 14
CONNECTION
COMMON
CASE
EARTH
MiCOM P645 (PART)
F17
F18
F14
F15
F16
F12
F13
F11
CASE
EARTH
*
RELAY 15
RELAY 14
RELAY 16
G17
G18
G15
G16
G13
G14
G12
G10
G11
PORT
KBUS
AUX SUPPLY
EIA485/
SEE DRAWING
10Px4001.
J1
J2
x
J17
SCN
J16
J18
AC OR DC
MiCOM P645 (PART)
D4
CONTACT
OPTO 4
OPTO 5
OPTO 3
OPTO 8
OPTO 7
OPTO 6
CONNECTION
OPTO 9
OPTO 10
COMMON
OPTO 12
OPTO 13
OPTO 11
F9
F10
F8
F6
F7
F5
D18
D17
F3
F4
F2
F1
D10
D15
D16
D14
D12
D13
D11
D7
D9
D8
D6
D5
H13
RELAY 8
RELAY 7
RELAY 10
RELAY 11
RELAY 9
RELAY 12
G2
G8
G9
G4
G6
G7
G5
G3
G1
H15
H17
H18
H16
H14
RELAY 1
WATCHDOG
CONTACT
RELAY 4
RELAY 5
RELAY 3
RELAY 2
RELAY 6
H6
H8
H10
H11
H9
H7
H12
H4
H5
J14
H2
H3
H1
J13
OPTO 1
OPTO 2
D1
D3
D2
WATCHDOG
J11
J12
B30
NOTE 7
COMMS
B7
B28
B29
B9
B8
B3
B5
B6
B4
B1
B2
RTD 10
RTD 3
RTD 2
RTD 1
PHASE ROTATION
P1
P2
S1
E15
C (5)
E16
E13
E21
E11
B (5)
E14
A (5)
E12
C (4)
E22
B (4)
E19
E20
T5
P1
S1 S2
P2
NOTE 2
S2
P1
P2
S1
S2
S1
P1
P2
S2
E28
A (4)
E17
E18
C (3)
E27
E26
B (3)
E25
A (3)
E23
B (2)
C (2)
C21
E24
C22
C19
A (2)
C20
C17
C18
C27
S2
PROTECTED TRANSFORMER
BB
AC
C
B A
T4
C B
T3
C B
T2
A
C
A A
P2
B
T1
C23
C (1)
C28
C25
B (1)
C26
A (1)
C24
C
C
P1
S1
A
A
B
T1
T2
T3
T4
T5
Drg
No:
Issue: Revision:
Date:
Date:
Name:
Chkd:
DO NOT SCALE
CAD DATA 1:1 DIMENSIONS: mm
Title:
Substation Automation Solutions
ALSTOM GRID UK LTD
(STAFFORD)
Sht:
Next
Sht:
10/12/2013 H.ONG
CID HONG-9CRNL3
10P64502
1
2
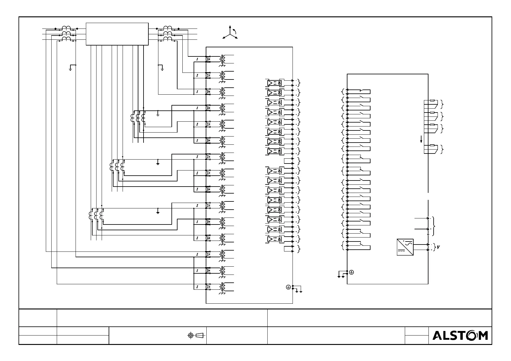
EXTERNAL CONNECTION DIAGRAM: 5 BIAS INPUT TRANSFORMER
DIFFERENTIAL (16 I/P & 16 O/P + RTD) WITH 4 POLE VT INPUTS (60TE)
E

Table of Contents

Related product manuals