EasyManua.ls Logo

GE P643 - Page 566

GE P643
592 pages
Print Icon
To Next Page IconTo Next Page
To Next Page IconTo Next Page
To Previous Page IconTo Previous Page
To Previous Page IconTo Previous Page
Loading...
MiCOM P645 (PART)
H12
H14
H13
H16
H18
H17
H15
G1
G3
G2
G5
G7
G6
G4
G9
G11
G10
G12
G14
G13
G16
G18
G17
G15
G8
RELAY 12
RELAY 16
RELAY 13
RELAY 14
RELAY 15
RELAY 9
RELAY 11
RELAY 10
RELAY 6
RELAY 7
RELAY 8
J12
J13
H1
H3
H2
J14
H5
H7
H6
H9
H11
H10
H8
H4
J11
RELAY 2
RELAY 3
RELAY 5
RELAY 4
CONTACT
CONTACT
WATCHDOG
WATCHDOG
RELAY 1
10Px4001.
J1
J2
J18
J16
SCN
SEE DRAWING
COMMS
J17
NOTE 7
EIA485/
AC OR DC
AUX SUPPLY
x
KBUS
PORT
RELAY 24
RELAY 23
RELAY 17
RELAY 20
RELAY 21
RELAY 19
RELAY 18
RELAY 22
B13
B17
B18
B15
B16
B14
B6
B11
B12
B10
B8
B9
B7
B2
B4
B5
B3
B1
MiCOM P645 (PART)
SEE SHEET 2 FOR NOTES
EARTH
CASE
F11
F13
F12
F16
F15
F14
F18
F17
COMMON
CONNECTION
OPTO 14
OPTO 15
OPTO 16
D4
D17
F1
D18
F2
F4
F3
F5
F7
F6
F8
F10
F9
OPTO 11
OPTO 13
OPTO 12
COMMON
OPTO 10
OPTO 9
CONNECTION
D5
D6
D8
D9
D7
D11
D13
D12
D14
D16
D15
D10
OPTO 6
OPTO 7
OPTO 8
OPTO 3
OPTO 5
OPTO 4
D2
D3
D1
OPTO 2
OPTO 1
POWER SUPPLY VERSION 24-48V (NOMINAL) D.C. ONLY
*
PHASE ROTATION
P1
P2
S1
E15
C (5)
E16
E13
E21
E11
B (5)
E14
A (5)
E12
C (4)
E22
B (4)
E19
E20
T5
P1
S1 S2
P2
NOTE 2
S2
P1
P2
S1
S2
S1
P1
P2
S2
E28
A (4)
E17
E18
C (3)
E27
E26
B (3)
E25
A (3)
E23
B (2)
C (2)
C21
E24
C22
C19
A (2)
C20
C17
C18
C27
S2
PROTECTED TRANSFORMER
BB
AC
C
B A
T4
C B
T3
C B
T2
A
C
A A
P2
B
T1
C23
C (1)
C28
C25
B (1)
C26
A (1)
C24
C
C
P1
S1
A
A
B
T1
T2
T3
T4
T5
Drg
No:
Issue: Revision:
Date:
Date:
Name:
Chkd:
DO NOT SCALE
CAD DATA 1:1 DIMENSIONS: mm
Title:
Substation Automation Solutions
ALSTOM GRID UK LTD
(STAFFORD)
Sht:
Next
Sht:
10/12/2013 H.ONG
CID HONG-9CRNL3
10P64505
1
2
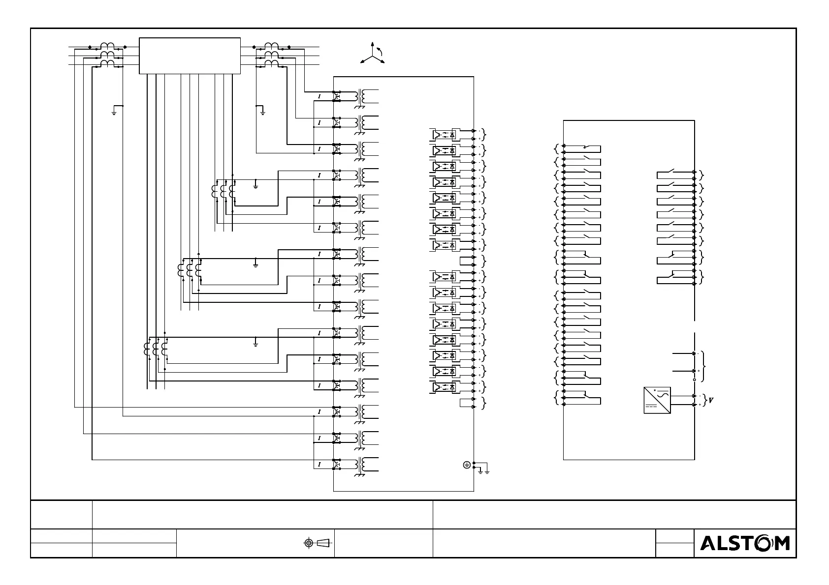
EXTERNAL CONNECTION DIAGRAM: 5 BIAS INPUT TRANSFORMER
DIFFERENTIAL (16 I/P & 24 O/P) WITH 4 POLE VT INPUTS (60TE)
E

Table of Contents

Related product manuals