EasyManua.ls Logo

GE P643 - Page 569

GE P643
592 pages
Print Icon
To Next Page IconTo Next Page
To Next Page IconTo Next Page
To Previous Page IconTo Previous Page
To Previous Page IconTo Previous Page
Loading...
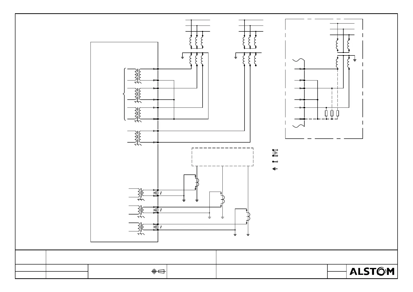
6. THE VT STAR POINT MUST BE MADE EXTERNALLY AS SHOWN.
5. FOR COMMS OPTIONS SEE DRAWING 10Px4001.
(USED BY V/Hz W1 PROTECTION AND OTHER VOLTAGE PROTECTION).
8. DERIVED NEUTRAL POINT. SEE P64X/EN T/- - FOR DETAILS OF RESISTORS.
7. THE MONITORED THREE PHASE VOLTAGE MAY BE CONNECTED HV, TV OR LV SIDE.
(USED BY V/Hz W2 PROTECTION ONLY).
TERMINAL.
IS ALWAYS AN HV WINDING CONNECTION.
C.T. SHORTING LINKS MAKE BEFORE (b) DISCONNECT.
PIN TERMINAL (P.C.B. TYPE)
4. THE VT MAY BE CONNECTED ACROSS ANY PHASE-PHASE PAIR.
3. WYE GROUND INPUTS APPLICABLE FOR GROUNDED (EARTHED) WINDINGS.
2. SEE TABLE 1 FOR BIAS ASSIGNMENT TO ACTUAL WINDINGS. T1
NOTES:
1.
(c)
(b)
(a)
9. FOR 0-10mA, 0-20mA, 4-20mA RANGE USE 20mA INPUTS & OUTPUTS
FOR 0-1mA RANGE USE 1mA INPUTS & OUTPUTS.
MiCOM P645 (PART)
P2S2
P1S1
GROUNDED WYE
P1S1
P2S2
TV
NOTE 6
HV
S1 P1
S2 P2
NEUTRAL TAILS
LV
NOTE 3
NOTE 7
b
a c
n
N
B
A
C
CC
a
N
n
A
b
c
NOTE 4
B
C
B
A
B
A
F4
FLUX
V
F3
N
F1
V
C
V
F2
D3
D1
B
D4
V
A
D2
V
D15
Y (HV)
Y (TV)
D14
D11
D13
D16
Y (LV)
D12
F1
F2
D4
D3
D1
D2
OPTIONAL
N
V
C
V
B
V
A
V
C
A
B
A
a
b
c
C
B
NOTE 8
VEE CONNECTED VTs (ALTERNATIVE)
TN3
TN2
TN1
Drg
No:
Issue: Revision:
Date:
Date:
Name:
Chkd:
DO NOT SCALE
CAD DATA 1:1 DIMENSIONS: mm
Title:
Substation Automation Solutions
ALSTOM GRID UK LTD
(STAFFORD)
Sht:
Next
Sht:
14/07/2014 S.WOOTTON
CID SWOO-9LNAWE. TABLE 1 REMOVED. NOTES 5&6 REMOVED.
10P64506
2
-
EXT. CONNECTION DIAG: 5 BIAS INPUT TRANSFORMER DIFFERENTIAL
(24 I/P & 24 O/P + CLIO & RTD) WITH 4 POLE VT INPUTS (80TE)
I

Table of Contents

Related product manuals